Radiator fan stuck on and on high in ignition and with engine running?

Tiny
AL514
  • MECHANIC
  • 5,568 POSTS
So it sounds like things are okay?
Was this
answer
helpful?
Yes
No
Tuesday, March 4th, 2025 AT 1:59 PM (Merged)
Tiny
SOMEONE12132
  • MEMBER
  • 70 POSTS
Hello again things are not okay,

My post was merged, but my recent post was tucked away between some old messages, so here is it again:

So, it seems that the problem has come back again with that same chip in the ECU getting blown after just a couple months of daily driving the car.

The way the ECU communicates to the radiator fan is through a signal wire directly connected to the ECU, where a PWM signal is sent from the ECU to the radiator fan module to determine the fan speed.

The problem came back again, where the chip was blown again, causing the radiator fan to run at full speed. Could there be a bigger problem with the ECU itself, or could there be a problem with the radiator fan module sending some sort of back-charge through the signal wire, inherently frying the chip in the ECU?

Note: I know I have listed my car as a CL55 because the website doesn't include a CLK55. This is specifically for a CLK55.
Was this
answer
helpful?
Yes
No
Thursday, March 6th, 2025 AT 10:27 PM
Tiny
AL514
  • MECHANIC
  • 5,568 POSTS
This is the one you put the used fan module in correct? You could try checking the charging system for any excessive AC voltage due to a failed diode in the alternator, its very difficult to say what is causing the fan driver to burn up, besides another fan with the same issue. Are you lacking communications to any modules at all, was this something you were able to trace back to a specific chip in the ECU that's burned up the same way as previously? I remember it being a 1 wire that was driving the fan module with a pulsed signal, that ran through the front module then back out to the fan, I remember the circuit well since we spent so much time on this.
Was this
answer
helpful?
Yes
No
Friday, March 7th, 2025 AT 11:14 AM
Tiny
AL514
  • MECHANIC
  • 5,568 POSTS
I would also check for water intrusion into any connectors, I understand that's kind of a vague answer, but a connector with corrosion in it will allow current to flow into other circuits located in the same connector due to the pins being so close. I find water intrusion in so many vehicles that cause more than one issue at a time and can be very confusing in the beginning, but once you find it and it's cleaned up, with no more faults it will make sense. If the fan driver is the only circuit effected, I would start inspecting every connector in the circuit, especially female side of the connectors where you can't always see corrosion down inside the pins.
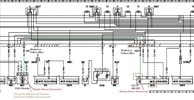
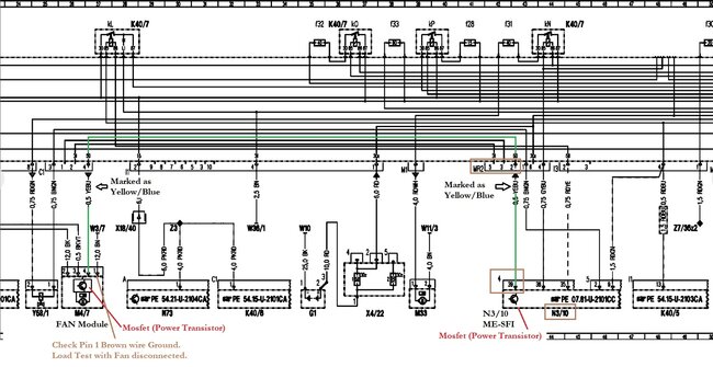
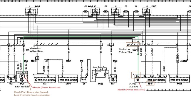
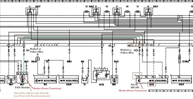
Looking back over the diagrams, one fan had a 4 wire connector, with a Red heavier gauge wire that came from a fuse, a Brown 12 gauge wire that was Ground, then a Black/Violet wire that came from the Right Fuse Box (Fuse 48 7.5Amp) and finally a Brown/Green wire that went to the C1 pin 4 connector of the Right Front Fuse/Relay module, but back out of that module on the MR1 pin 2 connector on a Grey/Blue wire. These were the wiring diagrams that had many variations depending on built data. There was a change from 08/2002 to 09/2002. But if those wire colors are correct at the fan module, it was the Grey/Blue wire that went to the ECU from the Right Front Fuse/Relay module, the circuit passes right through the module for whatever reason.

The other Fan setup had wires that are Brown, Black, Black/Violet, and Yellow/Blue (2nd diagram).
This other fan module had a mosfet in the diagrams with another mosfet located in the ECU diagrams that was control for the fan on the Yellow/Blue wires, I think it was this 2nd design, because the first wasn't controlled at the fan itself, it was a wire that went directly through and was just ground side controlled by the ECU, not switched internally at the Fan module. This is where it was confusing, trying to figure out which system we were working with. I thought you had a picture of a red wire going to the fan at one point.
We started on this vehicle, 12/24/2024 so there are a lot of diagrams pulled for this vehicle.
Was this
answer
helpful?
Yes
No
Friday, March 7th, 2025 AT 12:19 PM
Tiny
AL514
  • MECHANIC
  • 5,568 POSTS
Is there a built date on the tag either in the driver's door frame, or on another tag? And one last thing, can you post the VIN for this vehicle, some of the 03' diagrams are running into '04 on all data, so we need to look at this by the vin. The fan modules are listed under the same label on each diagram, but the wire colors are different.
Was this
answer
helpful?
Yes
No
Friday, March 7th, 2025 AT 12:23 PM
Tiny
SOMEONE12132
  • MEMBER
  • 70 POSTS
There is no water intrusion with the radiator module and the connectors do not have any corrosion on them. Is it possible that the radiator fan could be pulling too many amps to cause the ECU to blow that same chip again?

I'm not lacking communications with any modules in the car. There are CAN-bus issues with the instrument cluster, but that is about it.

It seems that there is a TSB for this issue on CLK55's, and it requires installing an adapter harness that has a resistor in it.

Here's a link to this TSB:

https://charm.li/Mercedes%20Benz/2003/CLK%2055%20AMG%20%28209.376%29%20V8-5.5L%20%28113.987%29/Repair%20and%20Diagnosis/Engine%2C%20Cooling%20and%20Exhaust/Cooling%20System/Radiator%20Cooling%20Fan/Technical%20Service%20Bulletins/By%20Symptom/Recalls/Campaign%20-%20Engine%20Cooling%20Fan%20Malfunction/

I also found a link to this forum where someone had the same exact situation as me, where the solution was to install a harness, which I already have.

https://mhhauto.com/Thread-W203-FAN-Always-Highest-Speed?page=4

Could this possibly solve the problem for good?
Was this
answer
helpful?
Yes
No
Saturday, March 15th, 2025 AT 10:26 PM

Please login or register to post a reply.