Hello,
I’m currently having a problem with my car where the radiator fan is on full blast when the car is in ignition and the engine is running. Here’s what I’ve checked so far:
I’ve checked for codes from the ECM and Front SAM module. No codes there. I’m using a Launch X431 to check for these codes.
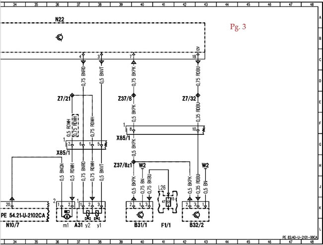
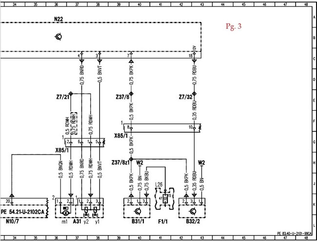
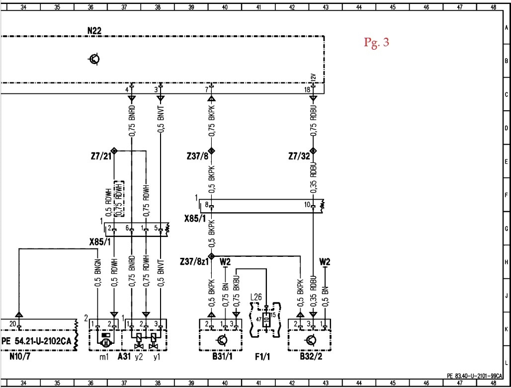
I’ve checked the wire from the ECU to the radiator harness. There is a signal to the radiator fan from the ECU. No breaks in the wire as the wire showed continuity with my multimeter.
The ECU was checked for any shorts, damage, etc. It seemed clean and was put back into the car. Same problem still occurs of course.
I checked the signal being sent from the ECU to the radiator fan when it was disconnected. It seemed that the ECU was telling the radiator fan to stay on based on the voltage (5-6V) when using an oscilloscope to check the signal. Not sure if this is because it’s a bad ECU, or if it’s because it’s in a “safe mode” because the harness is disconnected.
I’m stumped. It seems that even the coolant temperature sensors are ok because I don’t have a check engine light from those sensors. What should I do?
I’m currently having a problem with my car where the radiator fan is on full blast when the car is in ignition and the engine is running. Here’s what I’ve checked so far:
I’ve checked for codes from the ECM and Front SAM module. No codes there. I’m using a Launch X431 to check for these codes.
I’ve checked the wire from the ECU to the radiator harness. There is a signal to the radiator fan from the ECU. No breaks in the wire as the wire showed continuity with my multimeter.
The ECU was checked for any shorts, damage, etc. It seemed clean and was put back into the car. Same problem still occurs of course.
I checked the signal being sent from the ECU to the radiator fan when it was disconnected. It seemed that the ECU was telling the radiator fan to stay on based on the voltage (5-6V) when using an oscilloscope to check the signal. Not sure if this is because it’s a bad ECU, or if it’s because it’s in a “safe mode” because the harness is disconnected.
I’m stumped. It seems that even the coolant temperature sensors are ok because I don’t have a check engine light from those sensors. What should I do?
Nov 27, 2024 at 12:45 AM






















































