Radiator fan stuck on and on high in ignition and with engine running?

Tiny
SOMEONE12132
  • MEMBER
  • 70 POSTS
The diagram is also correct, it is a green wire that goes through a fuse box into pin 39 of the ECU.

I really hope this is not a bad ECU, because an ECU is pretty expensive in the first place, let alone on a Mercedes of all things. Additionally, programming the ECU to work with the other systems on-board, such as the EIS, will also cost lots of a money.

I would replace the chip itself, but that specific part number is not sold anywhere, and you cannot buy the chip itself from Bosch/Mercedes as they gatekeep it.
Was this
answer
helpful?
Yes
No
Saturday, December 14th, 2024 AT 6:11 PM
Tiny
SOMEONE12132
  • MEMBER
  • 70 POSTS
Also, I believe there is something wrong with the on/off ratio. I believe that the on/off ratio should be 10% for the fan to be off. Anything less than 5% would trigger the fan to stay on. Not sure why my on/off ratio for the fan is at 0%.

I got this information from this video: https://www.youtube.com/watch?v=1pfIXvp-2DE&ab_channel=jroncallo

He uses a fan from a Mercedes of the same year/generation, which all shared the same type of PWM signal.
Was this
answer
helpful?
Yes
No
Saturday, December 14th, 2024 AT 11:14 PM
Tiny
AL514
  • MECHANIC
  • 5,568 POSTS
It may not be reading anything from the ECM side if its ignoring the fan or due to a communications fault. If the ECM is not able to communicate with part of the AC system or the other way around, many fans will default to high because of that. Other manufacturers do the same thing. If theres a loss of comms with the ECM and the vehicle still runs for whatever reason they default the fan to high to prevent over heating to the engine, when engine temperature cannot be monitored correctly. From what Ive seen that seems to be the case and its a logical answer, its better to have an engine run a little cooler than over heat so they just blast the fan on high all the time. But yes a computer for this Im sure is expensive. I would try a used fan first and see theres any difference. 100K to ground might be ok, considering its a signal wire. I dont think that wire is meant to carry current, it seems more like how a fuel pump module receives commands with a 12v duty cycle signal. Have you scoped the network to see if theres any distorted looking waveforms, everything should be pretty square with that Can bus, dont dismiss the network fault codes, what if you replace the ECM and still have the same issue, most places wont take a used module back.
Was this
answer
helpful?
Yes
No
Sunday, December 15th, 2024 AT 11:37 AM
Tiny
SOMEONE12132
  • MEMBER
  • 70 POSTS
Here's what I did to test if everything is working. I disconnected the temperature sensor and kept the car in ignition. The PWM signal remained the same (the 3.5V-3.8V) peak-to-peak at 10hz with a 10% duty cycle. No changes there, even though it should be requesting the fans to be at full blast. Perhaps I can rule it as being the ECU here, as the ECU is not doing anything to change the radiator fan signal. It just seems fixed.

I haven't been able to scope the network at all because the OBD port doesn't have a pin connecting to the CAN bus high/low. There are no twisted wires where the OBD port connects, so I am not sure how I can check the signal.
Was this
answer
helpful?
Yes
No
Sunday, December 15th, 2024 AT 4:50 PM
Tiny
AL514
  • MECHANIC
  • 5,568 POSTS
You should be able to see on your scan data the engine temperature sensor change to an open circuit number, usually a temp sensor defaults to -40f degrees when unplugged, and you could back probe the ECM connector to see what the Bus looks like there.
Pin 1 green/white wire (CAN-C High) and pin 11 green wire (CAN-C Low) (twisted pair), if you have only a 2 channel scope you can go across those 2 pins and should see a bias voltage of 2.5volts, which is what the Can signal rides on. Can High should go from 2.5v to 3.5v and Can Low should be 2.5v down to 1.5v. Really youre looking for any weird sloping lines in the network signals, I like to take a first capture of a longer time base, that way I can see the very slight differences in each message packet, which is something you will notice. Each packet wont be exactly 3.5v up for example, but the slight differences are different modules communicating on the network. Its not easy by any means, I understand fully of not being 100% sure of what you might be looking at, I cant tell, just by a weird waveform, what the fault is, but when a square wave just doesnt look right you'll notice it, especially since youre a scope user which is really great. Not enough techs use them, I try to use for anything possible. If you have a good running vehicle around, take a look at its can bus so you can see what a good signal looks like. You can do a lot with just a 2 channel scope.
I was wondering if that signal changes at all with the ECM plugged in, does the scope capture have any change at all.
Was this
answer
helpful?
Yes
No
Monday, December 16th, 2024 AT 8:40 AM
Tiny
SOMEONE12132
  • MEMBER
  • 70 POSTS
Hey, so it seems that I have resolved the problem. It indeed was the ECU!

There is a Bosch 30344 chip that this radiator fan signal comes from on the ECU, and this chip seemed to be shorted/broken, which caused this corrupt PWM signal. I took a chip from another Mercedes with a ME 2.8 board, and swapped it onto my car, and it worked.

The PWM signal looks proper now, and the radiator fan doesn't go on full blast as soon as the car is put into ignition.

Thank you so much for the help, and hope you have a great rest of your holidays!
Was this
answer
helpful?
Yes
No
Friday, December 20th, 2024 AT 11:06 PM
Tiny
SOMEONE12132
  • MEMBER
  • 70 POSTS
  • 2003 MERCEDES BENZ CLK550
  • 5.5L
  • V8
  • 2WD
  • AUTOMATIC
  • 103,000 MILES
Hello,

I'm currently suffering with a problem with my CLK where the radiator fan will not come on when the engine requests for the radiator fan.

I was able to determine this by disconnecting my temperature sensor, which forces the ECU to request the radiator fan to run at 100% as a safety measure.

I ran an actuation test of my radiator fan, and I was able to turn on the radiator fan this way. This means my radiator fan is probably fine, and perhaps my ECU as well.

I am more concerned about my radiator fan not running when my engine is requesting it to be on. It is causing my car to overheat in traffic. I'm not sure what it could be.

Note: Car was in ignition when performing all these tests.
Was this
answer
helpful?
Yes
No
Tuesday, March 4th, 2025 AT 1:58 PM (Merged)
Tiny
AL514
  • MECHANIC
  • 5,568 POSTS
Hello, I thought you had this all sorted out already?
Was this
answer
helpful?
Yes
No
Tuesday, March 4th, 2025 AT 1:58 PM (Merged)
Tiny
SOMEONE12132
  • MEMBER
  • 70 POSTS
I thought I had, but there is something else wrong with this car.

Alright, so I did do some checks, and the radiator fan does come on when the engine does request for it. Unplugging the coolant temperature sensor and turning on the engine makes the engine request the fan at 100%, and the fan does indeed come on at full blast, so we can rule out the radiator fan being an issue here.

I'm not sure if this is the proper temperature for stop-and-go traffic, or if it is overheating. This is the max temperature it goes to in stop-and-go traffic, but it does go down once on the highway.

Maybe something else besides the radiator fan is wrong here as this has been tested already? What could I check for?
Was this
answer
helpful?
Yes
No
Tuesday, March 4th, 2025 AT 1:58 PM (Merged)
Tiny
AL514
  • MECHANIC
  • 5,568 POSTS
I assume you've cleared out all the codes after the last repair, what's the ECT getting to in the stop and go traffic (we'll call it city driving). It looks like 100c on the Cluster, so roughly 212f? Is that accurate to scan data? And are codes setting after 2 drive cycles?
Was this
answer
helpful?
Yes
No
Tuesday, March 4th, 2025 AT 1:58 PM (Merged)
Tiny
AL514
  • MECHANIC
  • 5,568 POSTS
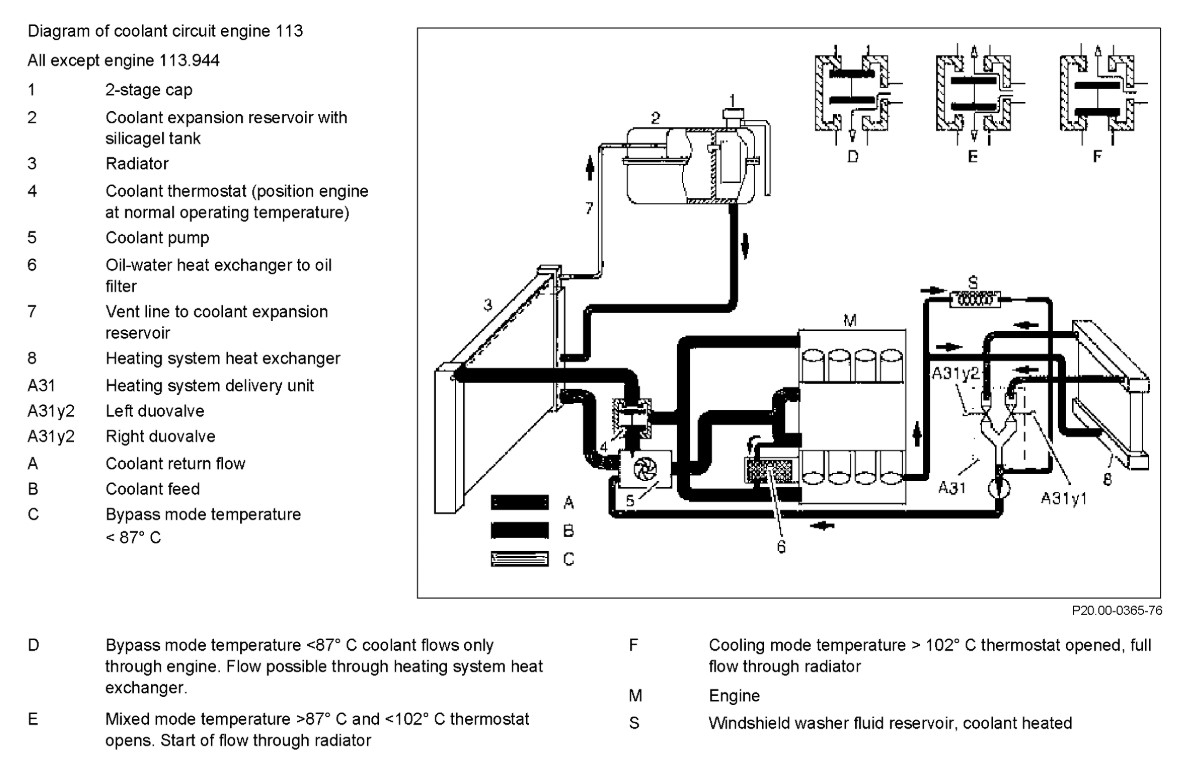
These are the two coolant system diagrams, pretty complicated thermostat setup, Mode F shows coolant temp greater than 102c, thermostat fully opens to flow through the radiator. So that would be its max temperature unless I can find a different spec.
Was this
answer
helpful?
Yes
No
Tuesday, March 4th, 2025 AT 1:58 PM (Merged)
Tiny
SOMEONE12132
  • MEMBER
  • 70 POSTS
  • 2003 MERCEDES BENZ CL55
  • 5.4L
  • V8
  • 2WD
  • AUTOMATIC
  • 104,500 MILES
Hello,

Recently on this website, I had a problem with my radiator fan running at full speed due to a chip in the ECU being faulty. I had replaced this chip in the ECU with a new one, which made the problem go away, at least for a couple of months.

The way the ECU communicates to the radiator fan is through a signal wire directly connected to the ECU, where a PWM signal is sent from the ECU to the radiator fan module to determine the fan speed.

The problem came back again, where the chip was blown again, causing the radiator fan to run at full speed. Could there be a bigger problem with the ECU itself, or could there be a problem with the radiator fan module sending some sort of back-charge through the signal wire, inherently frying the chip in the ECU?

Note: I know I have listed my car as a CL55 because the website doesn't include a CLK55. This is specifically for a CLK55.

Here's also the link to the forum post addressing this chip issue: https://www.2carpros.com/questions/radiator-fan-stuck-on-and-on-high-in-ignition-and-with-engine#last
Was this
answer
helpful?
Yes
No
Tuesday, March 4th, 2025 AT 1:58 PM (Merged)
Tiny
AL514
  • MECHANIC
  • 5,568 POSTS
There are some pretty interesting info, along with the ton of other information on the cooling system, but I'm not sure what the water to antifreeze ratio is right now in the vehicle, but they have a very specific ratio spec and some reasoning behind it, if its 55% or more antifreeze, apparently this increases the boiling point of the mixture due to lower heat transfer of the coolant itself. So really it should be a 45% antifreeze ratio that will bring it to -22f freeze protection, But if there is a much higher ratio of antifreeze, which is difficult to tell unless its checked, who knows if the customer has just been dumping straight antifreeze in it over the years and the percentage is much higher now, you could check the concentration with one of those floating ball gauges, but it says to only use MB antifreeze as well. Not something that's well known I'll bet, about the boiling point changing according to the mixture. Regular people usually just dump in whatever is in their garage.
Was this
answer
helpful?
Yes
No
Tuesday, March 4th, 2025 AT 1:58 PM (Merged)
Tiny
SOMEONE12132
  • MEMBER
  • 70 POSTS
Just curious, should the antifreeze be a green color? That is what is currently in my car right now.

After 2 drive-cycles, there were no codes at all.

I need to check the ECT data when the car is up to temperatures, which I will do sometime soon.
Was this
answer
helpful?
Yes
No
Tuesday, March 4th, 2025 AT 1:58 PM (Merged)
Tiny
AL514
  • MECHANIC
  • 5,568 POSTS
I'm not sure what color the MB coolant is, the green coolant is most likely just regular old antifreeze, but is the 100c temperature the highest it's getting on the gauge?
Was this
answer
helpful?
Yes
No
Tuesday, March 4th, 2025 AT 1:58 PM (Merged)
Tiny
SOMEONE12132
  • MEMBER
  • 70 POSTS
Yes, 100C is the highest it gets on the gauge.
Was this
answer
helpful?
Yes
No
Tuesday, March 4th, 2025 AT 1:58 PM (Merged)
Tiny
SOMEONE12132
  • MEMBER
  • 70 POSTS
So, I managed to recreate the same situation again, and here are the results.

Radiator fan turns on when the coolant temperature is at 97C. The radiator fan is doing its job, and the coolant temperature goes back to 92C when at a stop. At 92C, the radiator fan is off. It never exceeds that 97C, so I'm hoping that means that means everything is good with the radiator fan?

From what I see, it seems that the gauge is off by 5 degrees C, so I'm pretty sure there is nothing to worry about for now.

However, is that range of 92C to 97C normal operating temperature, or is it too hot?
Was this
answer
helpful?
Yes
No
Tuesday, March 4th, 2025 AT 1:59 PM (Merged)
Tiny
AL514
  • MECHANIC
  • 5,568 POSTS
Well, 92c is only 197.6f, 97c is 206.6f, and on either coolant system diagram 102c is when the thermostat is fully opened and coolant is directed through the radiator, the 206f is okay with me, I know that a Subaru kicks on the cooling fan at exactly 204f because I used to work for them at a dealership. But remember that you did have a communications code from the Cluster to the ECM at one point, I'm not sure how much of the harness you have messed with since then, what's been unplugged and plugged back in, but I'm sure you would get a warning light on if the coolant temperature went too high. I know the temperature in Celsius can look foreign to us techs in the US, I usually just google a Celsius temperature to Fahrenheit, and it will bring up a conversion chart, it's just easier for me to see it that way as well.
Was this
answer
helpful?
Yes
No
Tuesday, March 4th, 2025 AT 1:59 PM (Merged)
Tiny
AL514
  • MECHANIC
  • 5,568 POSTS
I would drive it for a couple days and take a few longer drives to see if any codes are set, some take longer than others, but it looks like you're getting to the bottom of things finally with this vehicle.
Was this
answer
helpful?
Yes
No
Tuesday, March 4th, 2025 AT 1:59 PM (Merged)
Tiny
SOMEONE12132
  • MEMBER
  • 70 POSTS
There were no codes that were set. I drove it many times on the highway, went through stop-and-go traffic, drove it through the city, and even drove it through the backroads. Also, I believe I said that there's green coolant in it, but I was mistaken. There is actually the proper blue coolant in the cooling system.
Was this
answer
helpful?
Yes
No
Tuesday, March 4th, 2025 AT 1:59 PM (Merged)

Please login or register to post a reply.