Friday, July 9th, 2021 AT 11:06 PM
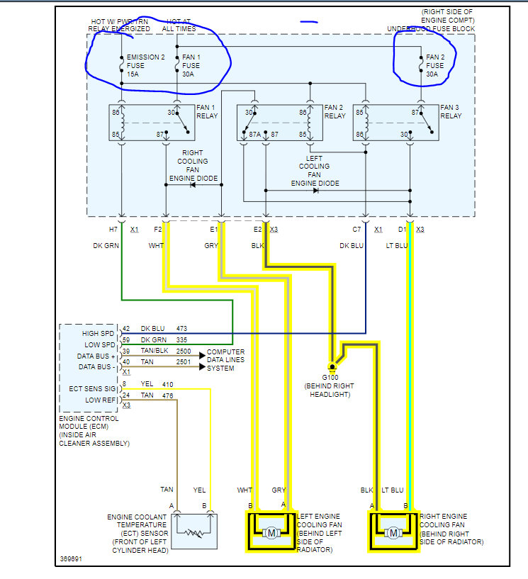
I've replaced both hoses and put a brand new radiator in my car and it's still overheating. Come to realize my fans aren't turning on. So I managed to buy the university radiator fans and can't get the old fans out of the shroud (I believe I used the term right). I also was told to use a tester light because of the issues, it may have fried/melted the fan motor connectors and when doing so I got the light to turn on one side out of the four (+ and - on both fan wiring harnesses). Please help.












