Pump not working for Windshield Washer Fluid?

Tiny
STEALTHK15
  • MEMBER
  • 1999 DODGE CARAVAN
  • 3.3L
  • 6 CYL
  • 2WD
  • AUTOMATIC
  • 68,000 MILES
Hey there,

I have replaced the windshield washer fluid pump twice on my van; initially the first replacement worked for about 2 months, the old one was corroded to the high heavens and made sense to replace.

Today my new pump is no longer working, no whine or sound can be heard when trying to activate it, so I replaced it with a new pump again. This time nothing changed, and it still isn't working. I swapped the wiring for the front and back pumps to see if this would miraculously fix it as the rear one hasn't worked in 3 years and it did not; however, the rear nozzle suddenly started slowly dribbling fluid out without any button being pressed.

I've disconnected the hose and had it pointing outwards and tried using the front pump and it doesn't spray either, so I am not worried about a clogged line or tip. I just can't seem to find a single schematic or reference to a fuse in relation to the washer fluid pump and am totally lost on this one.

Any help would be great!

TIA,
Greg
Thursday, February 2nd, 2023 AT 10:05 AM

3 Replies

Tiny
AL514
  • MECHANIC
  • 5,595 POSTS
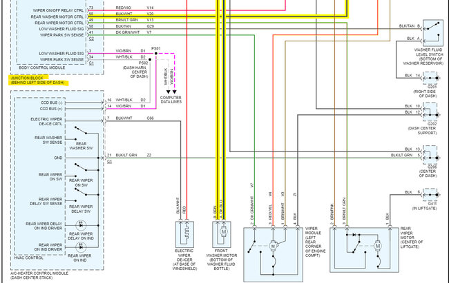
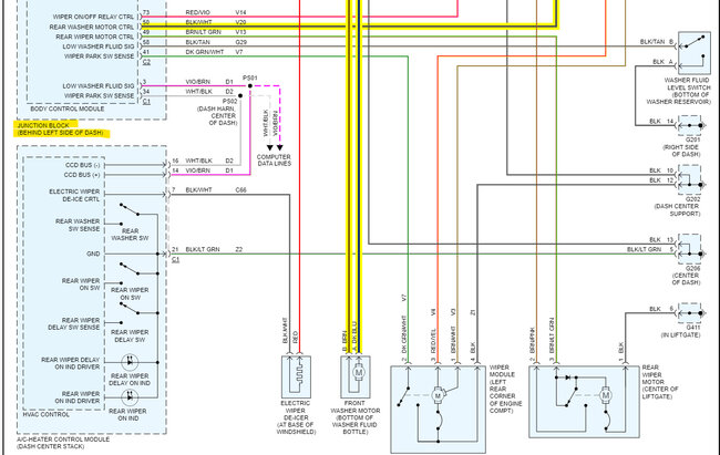
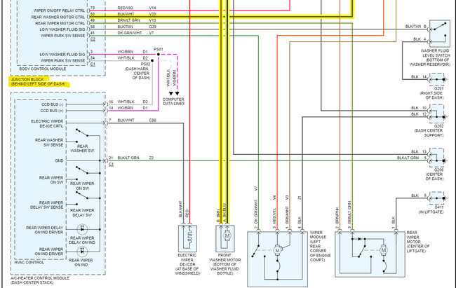
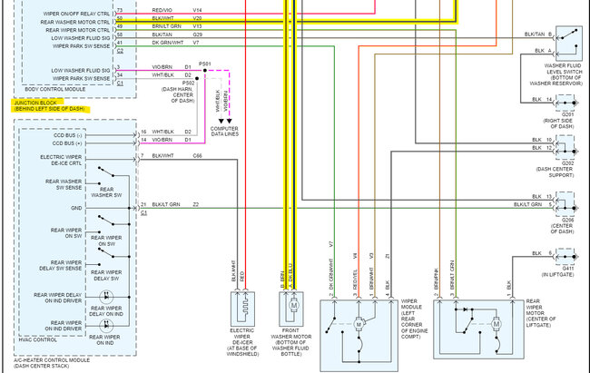
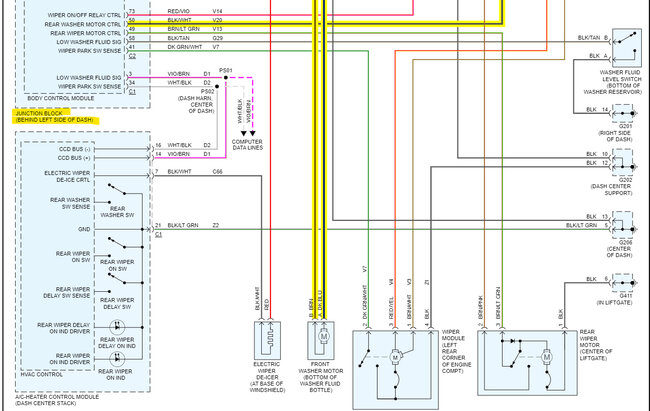
Hello, pulling up the wiring diagrams for the wiper washer circuits, both pumps are powered from a circuit breaker and not a fuse. These are the diagrams, the 1st one is the top and the 2nd the bottom, you can see the power is from the PTC 7 9amp circuit breaker. You mentioned something was corroded, was that the wiring harness plug for the pump that was corroded? If so, the corrosion might be inside the wiring insolation by now. The Junction Block on the driver side dash is where that circuit breaker is located. I'll look up where the connector C3 is, and those Dark Blue wires. You'll need to check for power there if there is no power at the pump harness plugs. There should be 12volts when pressing the sprayer lever.
Diagrams 4 and 5 are the Junction Block with the circuit breaker and fuses. Power for the 2 pumps comes out on the C2 connector on the pins number 3, there's two of them, they are both Dark Blue wires. The pumps are Grounded through the switch, but if you're not hearing any noise at all now, you'll have to check the pump connectors using a test light or multimeter to make sure they are getting the 12volts they need. Due to the corrosion, the circuits may have been shorting out for some time and possibly wore out the circuit breaker. Using a test light or meter hooked to battery negative and the other lead checking the Dark Blue wire at each pump will tell you if there is power there or not. The guides below can help you with using either the test light or multimeter method:

https://www.2carpros.com/articles/how-to-use-a-voltmeter

https://www.2carpros.com/articles/how-to-use-a-test-light-circuit-tester
Was this
answer
helpful?
Yes
No
Thursday, February 2nd, 2023 AT 11:31 AM
Tiny
STEALTHK15
  • MEMBER
  • 9 POSTS
So out of the blue this has randomly resumed working; I am not sure if this is something that would assist in diagnosing the problem but wanted to update. On top of that it seems like the 1 spray nozzle is weak and barely pushing out fluid while the other 3 are super powerful.
Was this
answer
helpful?
Yes
No
Friday, February 10th, 2023 AT 5:00 AM
Tiny
AL514
  • MECHANIC
  • 5,595 POSTS
Have you been touching any of the wiring or connections anywhere in the vehicle? Sometimes when we run into a drain on a battery, for example, it's best not to touch any wiring or connections until you can get an idea of what circuit the draw may be on. Because if it's just a loose pin in a connector you can accidentally fix the problem and not realize where it was. It happens all the time. After so many years of use, connections, connector pins, even fuses or relays can lose their contacts, because they are constantly heating up and cooling down day after day. So, I wonder if just messing around with any main bulk connectors you may have fixed the issue. This just happened to me a couple weeks ago and the vehicle has not acted up since then. So now it's a matter of waiting until a component fails completely to replace it unfortunately.
As for the nozzles spraying different amounts, they are probably clogged up somewhat from not being used. The sprayer fluid contains alcohol to help prevent it from freezing in the winter, so if you can take the sprayer ends off and try to clean them out, you will get better results with at least the amount they are spraying.
The Body Control module (BCM) is what actually controls the sprayer motors. The multifunction switch sends a signal to the BCM, and it controls the ground side of the sprayer motors. The BCM is basically a computer module like all the rest, it needs a good power source, good ground, and good inputs and output circuits to work correctly. And diagnosing modules can be very difficult sometimes. It can appear to be a bad module when in fact it's just not receiving good input, output, etc. It's also on the vehicles data network, and that's a whole new few pages of typing to explain all that goes on during network communications.
So, for now, I would try to clean out the sprayer nozzles, and if you touched any connections or fuses that you remember, check them out again. Look for discolored fuses or connections that may have gotten hot. A poor connection is resistance in a circuit, and resistance results in heat.
Is that the correct mileage for this vehicle? 68,000? Thats surprisingly low. If the vehicle has sat for a long time, another thing to keep an eye out for is rodent damage. Mouse nests and things like that. Rodents love to chew on wiring, I have taken more rodents nests out of vehicles than I want to admit. They can do a lot of damage and they always will chew multiple wires, especially on vehicles that have sat for a long time. Sorry for the long post.

https://www.2carpros.com/articles/how-to-check-a-car-fuse

https://www.2carpros.com/articles/how-a-car-electrical-system-works
Was this
answer
helpful?
Yes
No
Friday, February 10th, 2023 AT 1:31 PM

Please login or register to post a reply.