Power windows intermittent working not working

Tiny
CHARLES ARNOLD
  • MEMBER
  • 1982 BUICK ROADMASTER
  • 5.7L
  • V8
  • AUTOMATIC
  • 140,000 MILES
My power windows on my vehicle are getting me some issues sometimes they work sometimes they don't. Now they don't work at all. I have tried all switches on each door and no luck. Also my rear air compressor comes on and off during the night when the vehicle is parked.
Wednesday, May 29th, 2019 AT 4:12 PM

1 Reply

Tiny
STEVE W.
  • MECHANIC
  • 15,707 POSTS
Welcome to 2CarPros.
The compressor is an easy repair, it is turning on because you have a leak in either the lines or the shocks. To find it you need to get the car into the air enough that you can easily get under it. Now follow the air lines under the car. You are looking for any dampness or oily looking spots. If you don't see anything go get a spray bottle and fill it with water and a couple squirts of dish soap. Spray the lines down good and look for the bubbles. Common areas for leaks are at the fittings, the solenoid back and the shocks themselves as the rubber ages and develops small leaks.

The power windows sound like a bad power or ground feeding the switch in the drivers door. Or the switch itself has failed. The usual culprit for the wires is the harness where it comes out of the car through the rubber boot between the a pillar and the door. Every time you open/close that door the wire has to bend a bit. Copper wire doesn't like that as it work hardens a bit each time. Then it breaks a strand at a time until it breaks. That gives you no power or ground depending on which one breaks.

I see you listed the engine as the 5.7 is it still the diesel or has that been swapped like 99.9% of them?

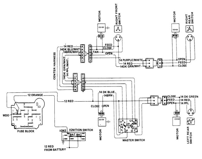
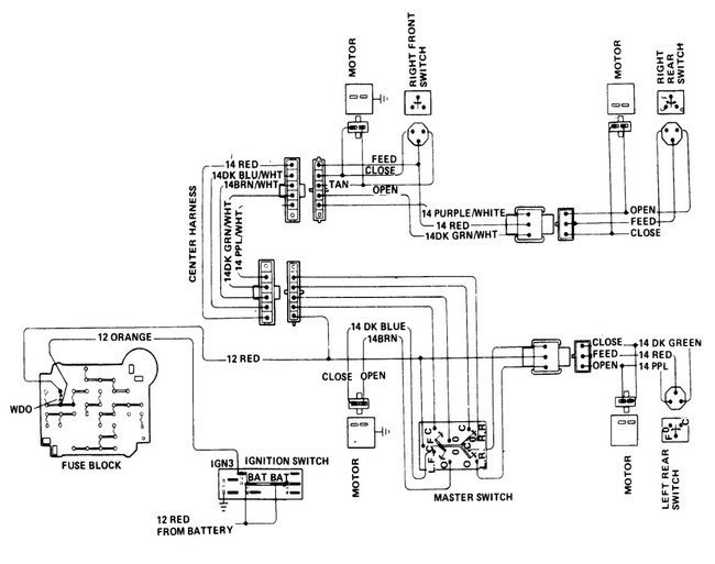
As for the wires, The wiring diagram is below it's a factory one so not as good as it should be. There will be a power and ground going to the master switch. From there it goes to the other doors. If either breaks before the master switch all the windows stop working.
I would get a simple test light. First use it to test the window fuse. Hook it to ground, then touch the tab at each end of the fuse with the key on. You should have power at both ends. Then you test the Red wire at the master switch for power and you test the ground by hooking the test light to power and touching the ground wire. It will be the wire on the opposite side of the switch from the power feed below the 8 pins that feed the windows.
To get the master switch out use a plastic or wood tool to slide into one end and release the spring clip from the door panel. Then the opposite end.
To get to the harness in the bellows you squeeze the bellows and it will peel off of the metal and out, Then look close at the wires and feel them, if you're lucky the wire will be broken off, that usually leave the insulation looking like a coke bottle over the break. Repair using a piece of heat shrink tubing and soldering the wire(s) back together.
Was this
answer
helpful?
Yes
No
+2
Friday, May 31st, 2019 AT 10:07 PM

Please login or register to post a reply.