No power to the power windows

Tiny
MYKEL SPIGHTS
  • MEMBER
  • 1999 FORD EXPEDITION
  • 140,200 MILES
Loss of power to all windows, having a hard time troubleshooting the cause. Don't know if it is the switch, relay, relay location, if it's a torn wire, or bad motor but I have no power to none of my windows. If anyone has knowledge on this, I'd appreciate it.
Saturday, April 16th, 2022 AT 8:37 AM

1 Reply

Tiny
JACOBANDNICKOLAS
  • MECHANIC
  • 110,192 POSTS
Hi,

Power should be at the switches at all times. When you actuate the switch, it provides a ground path to one of the two wires at the motors. Switching the ground path between the wires changes the polarity of the motor causing it to run in different directions.

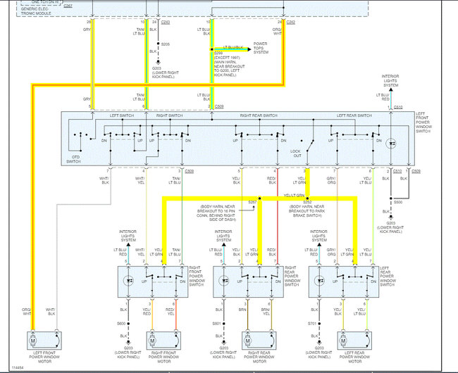
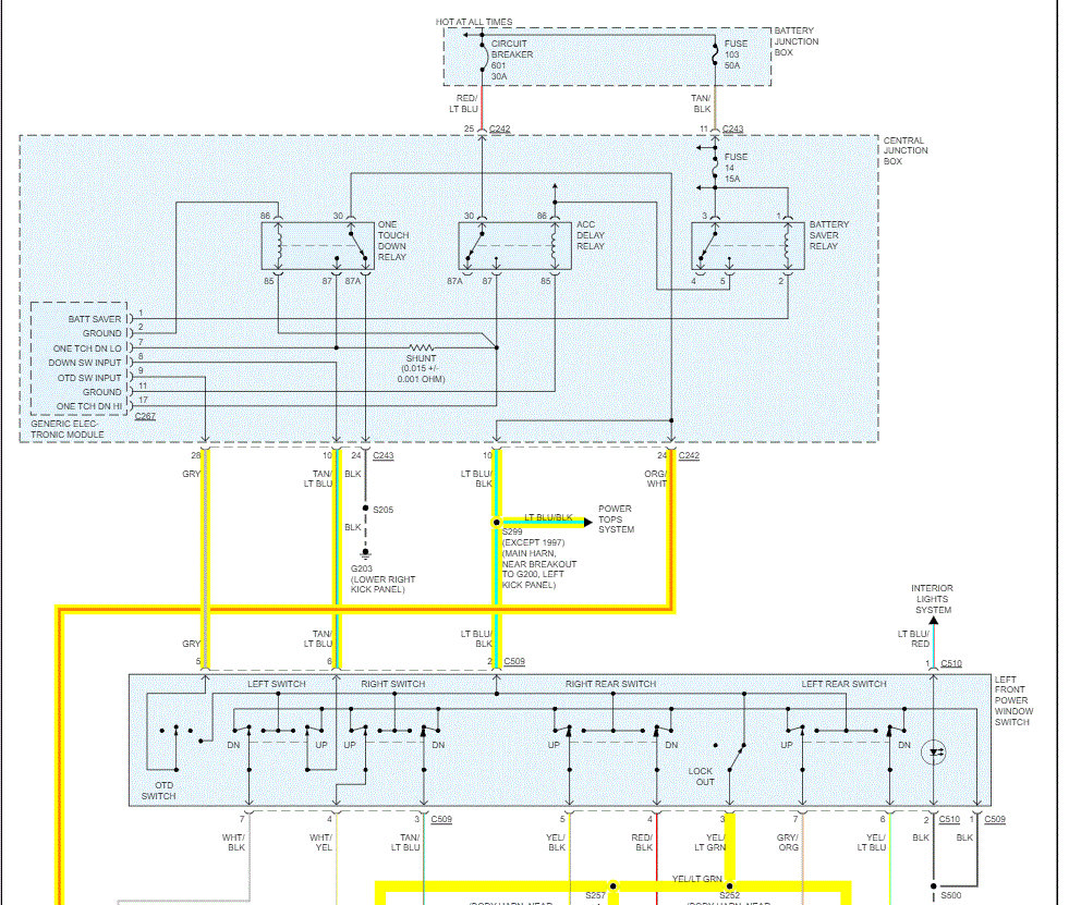
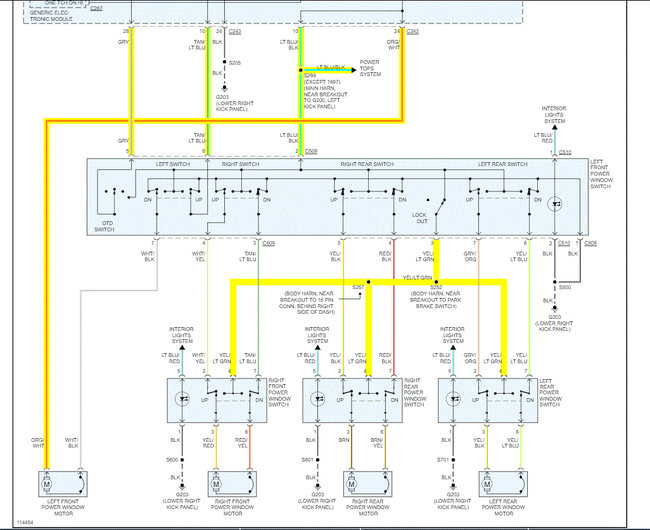
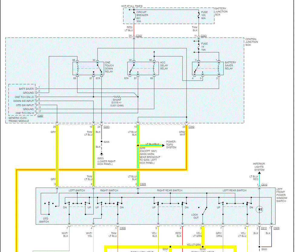
So, if you have nothing, we need to start at the fuses and circuit breaker. I attached the wiring schematic below showing the power supply to all switches (highlighted). Go to the top of page 1. It shows a fuse and circuit breaker in the battery junction box. Additionally, it shows one in the central junction box (CJB) in the vehicle.

If you have lost power to all, then I suspect it is either one of the fuses or the GEM (Generic Electric Module) has failed.

Go to the battery junction box (BJB) and locate fuse 103 (50 amp) and circuit breaker 601 (30 amp). I need you to check both for condition and power to and from. Here is a link you may find helpful.

https://www.2carpros.com/articles/how-to-check-a-car-fuse

If they are both good, check fuse 15 in the CJB. Do the same. Confirm the fuse is good and there is power to and from.

Let me know what you find.

Take care,

Joe

See pics below. Note: Pics 1 and 2 are from one page which I had to cut in half to make readable. Pics 3 and 4 are the fuse boxes. Pic 3 is the BJB and 4 is the CJB.
Was this
answer
helpful?
Yes
No
Saturday, April 16th, 2022 AT 8:05 PM

Please login or register to post a reply.