power window?

2000 FORD EXPEDITION
145,000 MILES • V8 • 2WD • AUTOMATIC
Avatar
ERIC KARCHER
  • MEMBER
  • 1 POST
the driver window won't go down on 2000 ford expedition.i can hear a clicking near fuse panel.
Jan 12, 2011 at 5:05 AM
Repair Safety Notice: This information is for general instructional purposes only. Vehicle repair can be dangerous. Verify all information, follow manufacturer service procedures, use proper tools and safety equipment, and consult a qualified repair shop when needed.
Advertisement
Avatar
STRAILER
  • CAR REPAIR CONTRIBUTOR
  • 54,209 POSTS
Hello,

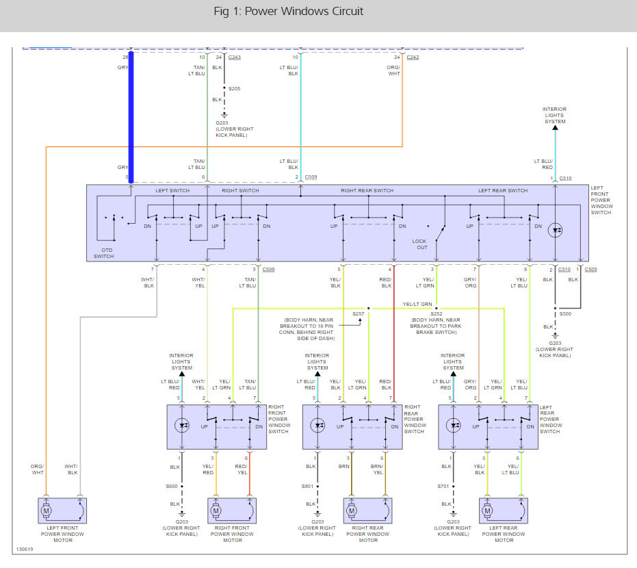
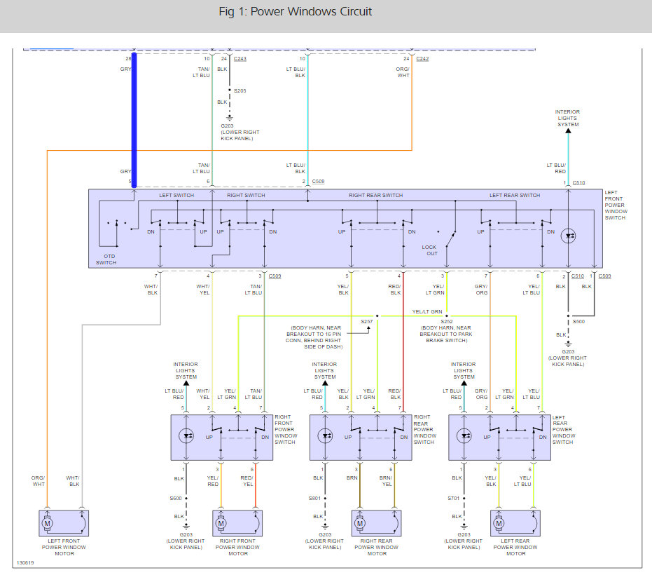
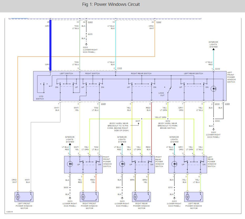
It sounds like you have a window motor that is going out. Here is a guide to help you see if it is getting power and a wiring diagram (below) so you can see what you are doing. It could also be the one touch relay. Here is a guide to help you

https://www.2carpros.com/articles/how-to-check-an-electrical-relay-and-wiring-control-circuit

and

https://www.2carpros.com/articles/how-to-use-a-test-light-circuit-tester

Please let us know what happens, we are interested to see what it is.

Cheers, Ken
Jul 29, 2017 at 2:45 PM
Advertisement
Avatar
DARRENK
  • MEMBER
  • 7 POSTS
Interior problem V8 Four Wheel Drive Automatic 90000 miles

The driver side window seems to be off the track and dislodged. The window slides within the door. How do you reattach or reinstall the window in the track/regulator?
Jul 21, 2020 at 5:45 PM (Merged)
Avatar
STRAILER
  • CAR REPAIR CONTRIBUTOR
  • 54,209 POSTS
Hello,

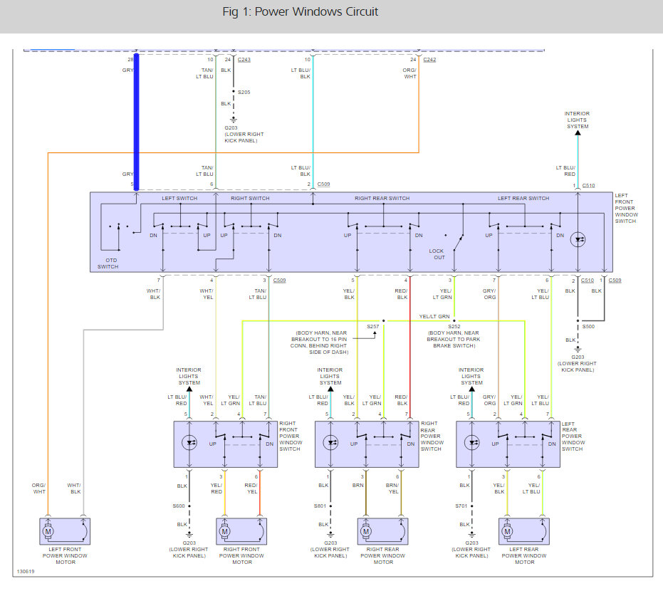
The window gets off track because the window regulator is bad and needs to be replaced. Here is a guide to help you get an idea of what you are in for when doing the job.

https://www.2carpros.com/articles/how-to-check-and-replace-a-electric-power-window-motor

Here are diagrams of what it will be like for your car (below)

Please let us know if you need anything else to get the problem fixed.

Cheers, Ken
Jul 21, 2020 at 5:45 PM (Merged)
Avatar
MOTHERLAND
  • MEMBER
  • 1 POST
The window is stuck and can't go up or down and there is a crancking noise everytime I tried to close the window. The prolem is on the driver's side.
Jul 21, 2020 at 5:45 PM (Merged)
Avatar
MERLIN2021
  • CAR REPAIR CONTRIBUTOR
  • 17,250 POSTS
https://www.2carpros.com/how_to/power_window.htm
Gear on the motor may be striped, or a bolt fell out allowing the motor to loose grear tooth contact.
Jul 21, 2020 at 5:45 PM (Merged)
Avatar
HUCK572
  • MEMBER
  • 1 POST
Interior problem
2000 Ford Expedition V8 All Wheel Drive Automatic

driver's side window goes down ok but comes up off track. I have to raise it a few inches, pull it to the reare and so on until it is up. Not completely up aligned.
Jul 21, 2020 at 5:45 PM (Merged)
Avatar
JACOBANDNICKOLAS
  • CAR REPAIR CONTRIBUTOR
  • 110,190 POSTS
Have you removed the door panel to check the linkage?
Jul 21, 2020 at 5:45 PM (Merged)
Avatar
JUSLIKEME2
  • MEMBER
  • 1 POST
Is there a way that i can get my window back on track without taking it to a mechanic. and how can i get the panel off?
Jul 21, 2020 at 5:45 PM (Merged)
Avatar
JACOBANDNICKOLAS
  • CAR REPAIR CONTRIBUTOR
  • 110,190 POSTS
Hi:
The panel is held on by a few screws and plastic clips you can't see until removed. Remove all screws, and then you will pull and the clips will pop off too. That way you will have access to the window track.
Jul 21, 2020 at 5:45 PM (Merged)
Avatar
TIMHESS79
  • MEMBER
  • 2 POSTS
Driver's window does not always work. I can hear a click sound coming from the relay box inside when I push the window down button. Can even feel the click if I touch the relays when I hit the button. All the relays and fuses seam to be good. I have taken the door apart and everything mechanically seams to be fine. While working on it last night the interior and running board lights began to flash on and off slowly and I could hear that clicking as they flashed, ran the battery dead while trying to diagnose.
Jul 21, 2020 at 5:45 PM (Merged)
Avatar
HMAC300
  • CAR REPAIR CONTRIBUTOR
  • 48,601 POSTS
it may be the motor, slam the door hard and see if it works. or the wires are broken between door and jamb. have a mechanic scan for codes for the flashing lights may be a module problem.
Jul 21, 2020 at 5:45 PM (Merged)
Avatar
TIMHESS79
  • MEMBER
  • 2 POSTS
Think I have got it figured out. GEM, I just bypassed the auto down option. Window works fine, just no double click and release allowing the window to go down all the way. Have to hold the button until it is down. It is terrible I tell you. There are so many other things I could be doing with that hand while my window rolls down by itself, flipping the bird, shaking my fist at people, picking up loose change. It is ungodly I say!
Jul 21, 2020 at 5:45 PM (Merged)
Avatar
MHPAUTOS
  • CAR REPAIR CONTRIBUTOR
  • 31,937 POSTS
Open the door and take the protective sleeve off the loon from the door to the pillar, wiggle each wire and see if there is a damaged wire a part broken wire will often cause this type of problem.
Jul 21, 2020 at 5:45 PM (Merged)
Avatar
JESUSCHAIRES
  • MEMBER
  • 2 POSTS
Hi my 1999 expedition has gone through at least 3 new batteries in one month. Also i can put my windows down without the key being put forward or backwards. Then my dashboard light do not work. What could be the problem??
Jul 21, 2020 at 5:45 PM (Merged)
Avatar
CARADIODOC
  • CAR REPAIR CONTRIBUTOR
  • 34,308 POSTS
Need a lot more detail than that on the battery problem. How did they fail? Did they just go dead in a few days? Have you tested the charging system? What were you told when you returned the batteries? What was the symptom or problem?

If your windows will operate with the ignition switch turned off, there is likely a related drain on the battery which will cause it to run down. You don't replace the battery for that. You use a battery charger to recharge it.

The dash light problem could be nothing more than a blown fuse. They often blow from the surge when reconnecting the battery.
Jul 21, 2020 at 5:45 PM (Merged)
Avatar
JESUSCHAIRES
  • MEMBER
  • 2 POSTS
I do have a audio system in the truck but the batterys are new and only last 2 weeks and i go every time to exchange it and the people at autozone tell me something is draining my battery but i dont know what it is. They always tell me that the battery is bad when i go. The truck also has a new alternator and a new starter.
Jul 21, 2020 at 5:45 PM (Merged)
Avatar
CARADIODOC
  • CAR REPAIR CONTRIBUTOR
  • 34,308 POSTS
What happens after two weeks? Does the battery fail to crank the engine? Is it totally dead? To be properly tested at the auto parts store, it has to be slowly charged, then tested under load to see how much current it can deliver while maintaining a specified voltage.

The place to start is by testing the charging system. The first part you can do yourself with a digital voltmeter at the battery. It will read 12.6 volts if the battery is fully-charged. If you find it's around 12.2 volts, the battery is okay but it's discharged. If it's around 11 volts or less, it has a shorted cell. That would not be common on a newer battery.

Next, measure the battery voltage again while the engine is running. It must be between 13.75 and 14.75 volts. If that is okay, the rest of the tests must be done with a professional load tester to see how much current the generator can deliver. If it has one bad internal diode of the six, you will only get exactly one third of its rated output, and that's not enough to meet the demands of the electrical system under all conditions. The battery will have to make up the difference until it runs down. That could take from a couple of days to a month or more, depending on how much you use the heater fan, light, wipers, etc. Besides the low output current, "ripple" voltage will be very high when the generator has one bad diode.

I have to go out of town for a day. I'll check back tomorrow night to see if you had the load test performed and what the results were.
Jul 21, 2020 at 5:45 PM (Merged)
Avatar
DAVIDSTEWART8
  • MEMBER
  • 1 POST
this has happened twice in last year I put drivers window down and go to run it back up nothing, wait about two hours go back and it will go up I can hear a relay trying to work behind fuse cover
Jul 21, 2020 at 5:45 PM (Merged)
Avatar
LEGITIMATE007
  • CAR REPAIR CONTRIBUTOR
  • 5,121 POSTS
sounds like either the relay is going bad or its time to replace the motor, it can only be one of the two, in the process you may want to check the switch too, most times you can go to the salvage yard and get those parts next for next to nothing, who will know besides us. lol
Jul 21, 2020 at 5:45 PM (Merged)
Avatar
JHUSTON
  • MEMBER
  • 2 POSTS
my window wont roll down but when i push the switch it clicks
Jul 21, 2020 at 5:45 PM (Merged)
Avatar
SATURNTECH9
  • CAR REPAIR CONTRIBUTOR
  • 30,869 POSTS
So can you hear the window motor click in the door?
Jul 21, 2020 at 5:45 PM (Merged)
Avatar
JHUSTON
  • MEMBER
  • 2 POSTS
well i think its the window motor but im not sure but like i said when i push the button for the window to go down i hear it click-click

thank for the repley
Jul 21, 2020 at 5:45 PM (Merged)
Avatar
SATURNTECH9
  • CAR REPAIR CONTRIBUTOR
  • 30,869 POSTS
If you can hear the motor clicking then you will have to pull the door panel off.It sound's like the window motor is getting power but you will have make sure it's getting power and ground.Let me know what you find.
Jul 21, 2020 at 5:45 PM (Merged)
Avatar
CESTANFIELD
  • MEMBER
  • 1 POST
HOW DO I REPLACE THE MOTOR FOR MY POWER WINDOW ON THE FRONT PASSAGER SIDE OF MY 98 FORD EXPEDITION.
Jul 21, 2020 at 5:45 PM (Merged)
Avatar
JACOBANDNICKOLAS
  • CAR REPAIR CONTRIBUTOR
  • 110,190 POSTS
The motor is rivited in from the factory. The rivits will need drilled out and replaced with nuts and bolts.
Jul 21, 2020 at 5:45 PM (Merged)
Avatar
CLUESS10
  • MEMBER
  • 1 POST
I have a 1998 Ford Expedition. I've been having problem with my power windows. Somedays all 4 of my windows would work for me and somedays it won't. Please help me solve this problem?
Jul 21, 2020 at 5:45 PM (Merged)
Avatar
JACOBANDNICKOLAS
  • CAR REPAIR CONTRIBUTOR
  • 110,190 POSTS
If it happens at the same time to all 4 windows, my first guess it the main switch on the driver's door. When they are not working, check the switch for power both in and out of it.

Let me know what you find.

Joe
Jul 21, 2020 at 5:45 PM (Merged)
Avatar
MORSE999
  • MEMBER
  • 1 POST
Help! I initially had a problem with the windows falling out of the tracks. I had this repaired, but it did not last. Then, the rear left window stopped working. After I put the drivers window back on the track for a second time, suddenly they all stopped working. thankfully they were all rolled up at the time. I'm getting no power to any of the windows now. the power locks still work. I checked the main fuses under they hood, but they did not appear to be blown. I replaced them anyway, but it did not fix the problem.
Jul 21, 2020 at 5:46 PM (Merged)
Avatar
STRAILER
  • CAR REPAIR CONTRIBUTOR
  • 54,209 POSTS
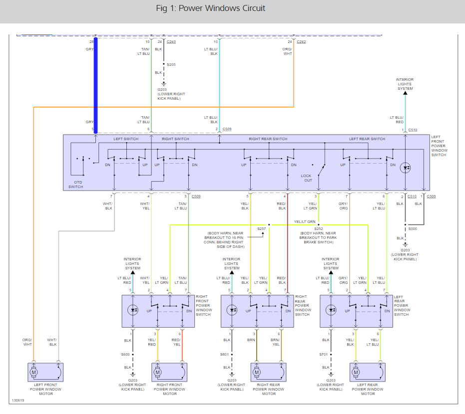
It sounds like your main window switch is disconeccted or shorted. You may have to replace the window regulator on the window that keep falling out of the track. To test the window motor on the passanger side follow this instruction - https://www.2carpros.com/how_to/power_window.htm please let me know how it goes. Thanks for using 2carpros.com
Jul 21, 2020 at 5:46 PM (Merged)
Avatar
DSHAS617
  • MEMBER
  • 7 POSTS
1997 eddie boauer expedition drivers side window wont roll down. (or up) but you can hear something clicking like a solinoid under the dash, so the switch has got juice...
Jul 21, 2020 at 5:46 PM (Merged)
Avatar
WRENCHTECH
  • CAR REPAIR CONTRIBUTOR
  • 20,761 POSTS
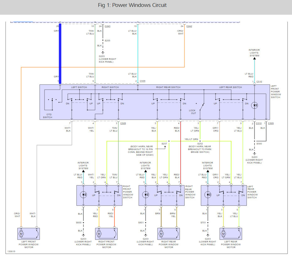
you'll have to remove the door panel and test for power and ground arriving at the motor. You could have a bad motor or bad regulator.
Jul 21, 2020 at 5:46 PM (Merged)
Avatar
DSHAS617
  • MEMBER
  • 7 POSTS
i got the panel off, how do i get the motor/regulator out? and does each window motor have its own regulator?
Jul 21, 2020 at 5:46 PM (Merged)
Avatar
WRENCHTECH
  • CAR REPAIR CONTRIBUTOR
  • 20,761 POSTS
I said "test" not remove.
Jul 21, 2020 at 5:46 PM (Merged)
Avatar
DSHAS617
  • MEMBER
  • 7 POSTS
lol, ok, but how, its bolted in behind a fire wall or something, i cant see anything, can barely get my arm in to feel it.
Jul 21, 2020 at 5:46 PM (Merged)
Avatar
WRENCHTECH
  • CAR REPAIR CONTRIBUTOR
  • 20,761 POSTS
The wires are exposed. They come from the outside. You can also see and hear if the motor is trying to move to indicate a jammed regulator.
Jul 21, 2020 at 5:46 PM (Merged)
Avatar
DSHAS617
  • MEMBER
  • 7 POSTS
ok, no noise from the motor. just the clicking under the dash. i even put my hand on it to feel if it was trying, or heating up. negative on both counts. so bad motor then i guess?
Jul 21, 2020 at 5:46 PM (Merged)
Avatar
WRENCHTECH
  • CAR REPAIR CONTRIBUTOR
  • 20,761 POSTS
NOOOOOOOOOOOO. Test it
Jul 21, 2020 at 5:46 PM (Merged)
Avatar
DSHAS617
  • MEMBER
  • 7 POSTS
test it where? i cant see the motor to test the motor itself(i am guessing you mean with a multi meter)i guess i will start with the connection just before it enters the door. then what?
Jul 21, 2020 at 5:46 PM (Merged)
Avatar
WRENCHTECH
  • CAR REPAIR CONTRIBUTOR
  • 20,761 POSTS
Did you read my first response?
Jul 21, 2020 at 5:46 PM (Merged)
Avatar
DSHAS617
  • MEMBER
  • 7 POSTS
yes, did you read my last one? the door panel is off. the wires go into the door, to the motor i cant see. if i cant see where the wires arrive at the motor, how i can i test there? what am i missing here? (really not trying to be a smart ass)
Jul 21, 2020 at 5:46 PM (Merged)