Power window failure

Tiny
ALEXANDER SINDER
  • MEMBER
  • 2013 HYUNDAI TUCSON
  • 33,000 MILES
Today all 4 windows and all switches are not working all of a sudden.
Friday, July 17th, 2020 AT 7:45 PM

1 Reply

Tiny
JACOBANDNICKOLAS
  • MECHANIC
  • 110,192 POSTS
Hi,

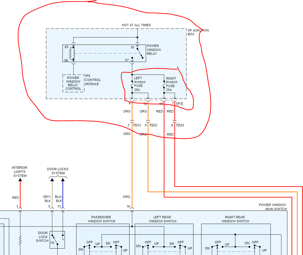
If power was lost to all windows, it sounds like the power window relay has failed. It could be a fuse as well. Take a look at the attached picture I attached. That is the instrument cluster fuse box. I need you to check the two fuses I circled. Also, remove the relay and switch it with another one that has the same part number to see if it makes a difference.

If you look at pic 2, I included a pic of the instrument panel fuse box and highlighted the components needing checked.

Here are a couple links you may find helpful:

https://www.2carpros.com/articles/how-to-check-a-car-fuse

https://www.2carpros.com/articles/how-to-check-an-electrical-relay-and-wiring-control-circuit

Let me know what you find.

Joe
Was this
answer
helpful?
Yes
No
Friday, July 17th, 2020 AT 7:56 PM

Please login or register to post a reply.