Monday, September 11th, 2017 AT 12:40 PM
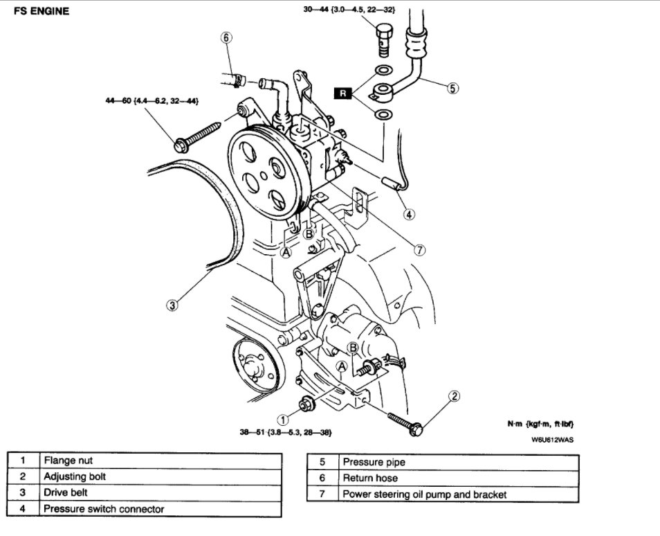
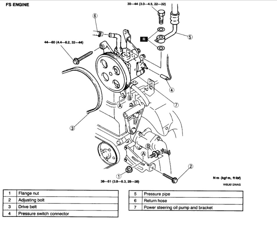
Cannot get pulley off tension adjuster is broke. There is no room to get onto the nut with breaker bar can get in with open wrench, but get any leverage to break it loose and it is tight and need it off to get pump out stumped on this one.


