Power locks not working

Tiny
TBIRD7778
  • MEMBER
  • 1994 FORD F-150
  • 220,000 MILES
I am trying to fix the power locks in my truck. I pulled off the passenger kick panel to see what I could see. I guess the previous owners had put a remote start or alarm on the truck. There were a lot of crazy splices and connections that ended up being capped off. I really don’t know what was going on.
But, I ended up connecting wires back to how they were originally connected.
Here’s my problem: All power windows work.
The driver door lock doesn’t do anything, nothing, not a noise. The passenger power locks only locks, it does not unlock.
I have tried to look around to see if I could see any other wires that could have been botched up by the previous owner, broken, cut, etc, but can’t find anything.
Any suggestions of where to go from here?
Saturday, April 18th, 2020 AT 6:35 PM

20 Replies

Tiny
JACOBANDNICKOLAS
  • MECHANIC
  • 110,194 POSTS
Hi,

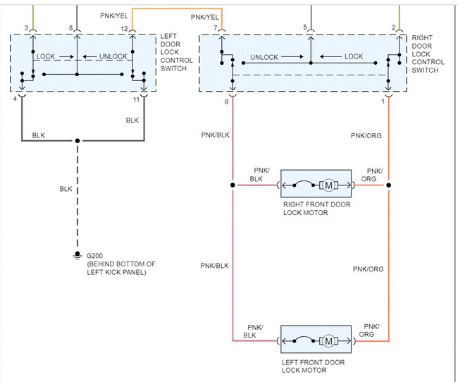
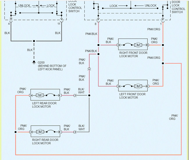
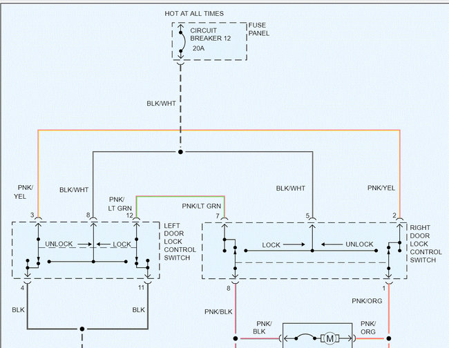
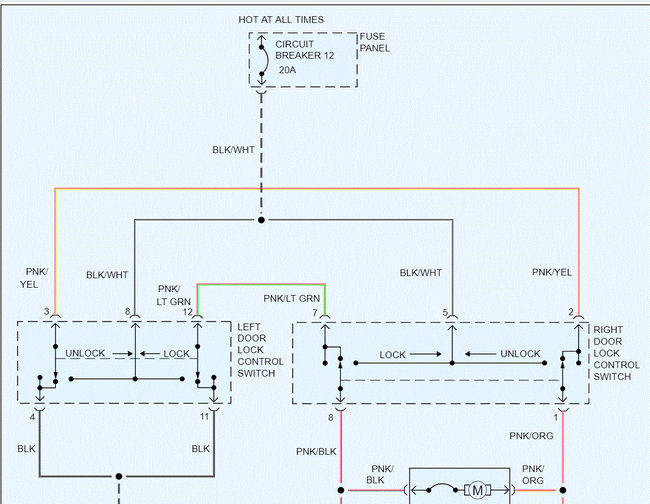
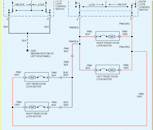
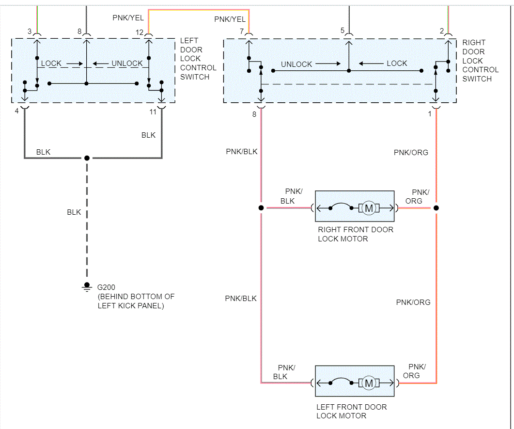
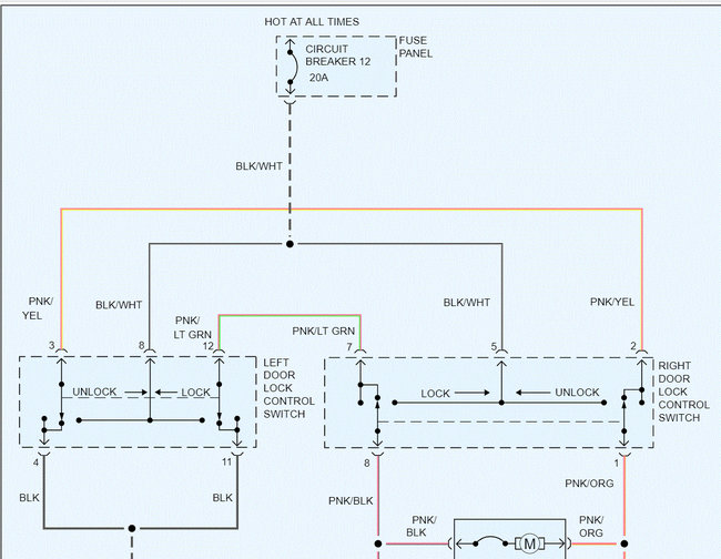
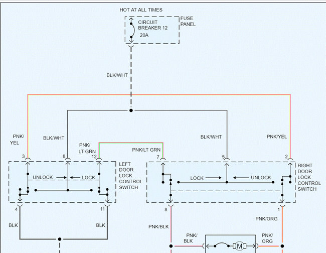
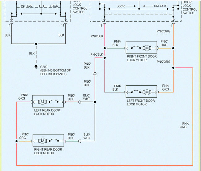
What I am providing are wiring schematics for the door lock system. Not being there with you, I can't see what has been done. However, look through these pics and see if they help.

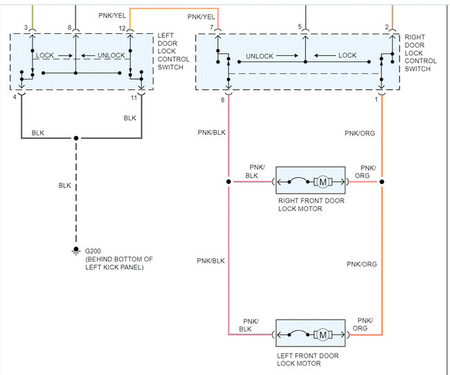
Now, I don't know if you have a regular cab or crew cab, so I will provide schematics for both. The first two are for a regular cab. Pics 3 and 4 are for a crew cab.

It really isn't a complex system. However, when someone cut things up, that can make it difficult. Here are a few links you may find helpful when testing:

https://www.2carpros.com/articles/how-to-use-a-test-light-circuit-tester

https://www.2carpros.com/articles/how-to-use-a-voltmeter

https://www.2carpros.com/articles/how-to-check-wiring

___________________________________________

Let me know if this helps or if you have questions. If you have the chance, let me know what you find.

Take care,
Joe
Was this
answer
helpful?
Yes
No
Saturday, April 18th, 2020 AT 7:08 PM
Tiny
TBIRD7778
  • MEMBER
  • 33 POSTS
Thank you for your help. I am really new to this. My son and I are trying to work on his truck and we have gotten all of the essential things fixed for it to be up and running. Now we are moving on to the non-essentials. I have never dealt with wiring before so please forgive the what probably seem like silly questions in advance. :)
I looked through the links you sent.
The only thing I have is a bulb circuit tester. I have checked at the fuse and it is good. Anywhere else I can check and test with the bulb tester? I don’t own a volt meter and would like to avoid buying one if possible especially since it’s so hard to get out with the coronavirus situation.
Is there anyway to test wires with my little circuit bulb tester?
Is there a possibility it could need a new switch on the driver side? But the passenger side the lock works, so I guess half of the switch couldn’t be bad, could it?
Was this
answer
helpful?
Yes
No
Saturday, April 18th, 2020 AT 7:34 PM
Tiny
TBIRD7778
  • MEMBER
  • 33 POSTS
Or would a bad switch at the driver effect on the unlock of the passenger side?
Was this
answer
helpful?
Yes
No
Saturday, April 18th, 2020 AT 7:35 PM
Tiny
JACOBANDNICKOLAS
  • MECHANIC
  • 110,194 POSTS
Hi,

Power is distributed equally to each switch via a wire splice. As far as using a test light, absolutely it will work. I use one all the time with wiring issues.

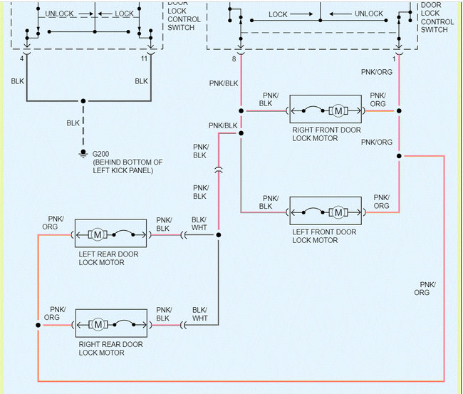
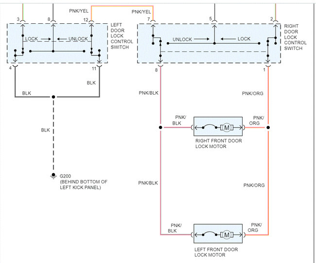
Do me a favor. Let me know if this is a regular cab or crew cab. It will help me determine where you need to start checking for power with the light. Also, if you haven't already, remove the door panels and see if you have power to the actuators. Using your test light, check for power to the black wire with the white tracer. It should have 12v all the time. Also, behind the left kick panel there should be a solid black wire that is ground. Make sure that is clean, tight, and not corroded. We may have to modify the test light to check for continuity if that needs checked for the ground. I'll explain how to do it if needed. If possible, take a pic of the test light so I know what you have and upload it for me to see.

Let me know.
Joe
Was this
answer
helpful?
Yes
No
+1
Saturday, April 18th, 2020 AT 8:30 PM
Tiny
TBIRD7778
  • MEMBER
  • 33 POSTS
It is a single cab, actually there is a little bench seat but there are only 2 doors. I took off the driver door panel earlier today thinking maybe it was the actuator, but with the passenger door locking but not unlocking I figured that wouldn’t be it. So I put the panel back on. But I didn’t check the ground. So the ground in the driver not be getting power would effect the passenger door?
The grounds connected behind both the driver and passenger kick panels seem to be on there pretty good and clean, too.
I will upload a picture of my dinky circuit tester.
Was this
answer
helpful?
Yes
No
Saturday, April 18th, 2020 AT 8:47 PM
Tiny
JACOBANDNICKOLAS
  • MECHANIC
  • 110,194 POSTS
There is nothing wrong with the test light. It will work perfect.

As far as the one actuator working in one direction could mean it isn't getting power from the switch in the directions that doesn't work or the actuator is bad. The only way to be sure is to take your test light, and see if power is sent to the actuator when the switch is in the opposite direction. Now how this works is simple but may be confusing. All that happens when you select to lock or unlock the door is the polarity (12v) to the actuator changes direction. There are two wires to the actuator. One is pink/orange and the other pink/black.

When you check for power, when the switch is in the unlock position, the pink/black wire should have power. When it is in the lock position, the pink/orange wire should have power. If you have power to those wires I mentioned under those conditions (switch position), then chances are the switch is bad. As far as the driver's door where nothing works, you still could have power and no ground. That is the one that doesn't work at all. On the passenger side, it does work one way, so ground is okay.

Do this:
1) Starting with the passenger door (the one that works one direction), check for power as I mentioned above. Since the it will lock, the pink/orange wire should show power when pressing the switch to the lock position. Make sure there is power to the pink/black wire when you place the switch in the unlock position. If there is, replace the actuator. If there is no power to the pink/black, replace the switch.

2) The driver's door is a little different. Since it does nothing at all, we need to first check if power is available to the actuator the same way as passenger side. If there is power in both directions, then we need to confirm there is ground. If you have both power and ground, replace the actuator. If there is no power, we then have to go to the switch and confirm there is power to the black/white wire powering the switch. If there is not power, check where the break is. If there is power at the switch and not to the actuator, replace the switch.

___________________________________________

I just reread what I wrote and it sounds confusing. Ugh! I'm trying. If step 2 above is confusing, just check (using the test light) if there is power to the actuator and let me know. If will further direct you at that point.

__________________________________________

Please let me know if you understand what I wrote. Also, if you have questions, please let me know. In all honesty, it is a very simple circuit. I most likely am not making it sound that way.

Take care,
Joe
Was this
answer
helpful?
Yes
No
Saturday, April 18th, 2020 AT 9:58 PM
Tiny
TBIRD7778
  • MEMBER
  • 33 POSTS
Okay. I think I understand!
Sounds like I have something to do tomorrow afternoon! I will let you know what I find out.

When you say to check for power in those wires, should just put the metal probe on a piece of wire that I expose? Is there a particular place in the wire I should test, should I test where it connects to the actuator? When I was looking into replacing the actuator it was way down in the corner of the door. I don’t know how I will be able to even see the wires way down there, but I will definitely try!
Was this
answer
helpful?
Yes
No
Saturday, April 18th, 2020 AT 10:15 PM
Tiny
JACOBANDNICKOLAS
  • MECHANIC
  • 110,194 POSTS
Hi,

The best place would be at the actuator. If possible, disconnect the wiring connector the actuator and pull it out to a position you can reach it. It doesn't need to be connected to the actuator to check for power.

As far as the test light, yes, Simply place the steel end on the wire. Just make sure you have a good ground on the other end of the test light (the wire end). If you don't have a good ground, there could be power to it but it won't light.

Take care and let me know what you find.

Joe
Was this
answer
helpful?
Yes
No
Saturday, April 18th, 2020 AT 10:32 PM
Tiny
TBIRD7778
  • MEMBER
  • 33 POSTS
I cannot get the wire connector disconnected from the bottom of the actuator. Like, I cannot get my arm in the right position-and I am afraid if I get it off I won’t be able to get it back on.

Would it do any good to test it higher up in the line? Like here (see picture).
Was this
answer
helpful?
Yes
No
Sunday, April 19th, 2020 AT 10:43 AM
Tiny
TBIRD7778
  • MEMBER
  • 33 POSTS
Okay.
On passenger side
When we probe the pink/black we light up when we press lock and unlock.
When we prove the pink/orange, we light up only we press unlock.
Was this
answer
helpful?
Yes
No
Sunday, April 19th, 2020 AT 10:52 AM
Tiny
TBIRD7778
  • MEMBER
  • 33 POSTS
One thing I just noticed, and this may have nothing to do with anything. When the passenger door is open all interior lights are on. When the passenger door is closed and driver door is open no interior lights come on.
Was this
answer
helpful?
Yes
No
Sunday, April 19th, 2020 AT 11:04 AM
Tiny
TBIRD7778
  • MEMBER
  • 33 POSTS
On drivers side both pink/black and pink/orange only light up when pressing unlock button. Both sides were done at this point of the wire (not at the actuator) I don't know if that matters or not. There is power to black/white wire at the switch. Looks like ground is good too, right?
Was this
answer
helpful?
Yes
No
Sunday, April 19th, 2020 AT 11:53 AM
Tiny
TBIRD7778
  • MEMBER
  • 33 POSTS
Any ideas?
Was this
answer
helpful?
Yes
No
Sunday, April 19th, 2020 AT 4:27 PM
Tiny
JACOBANDNICKOLAS
  • MECHANIC
  • 110,194 POSTS
Okay,

Regarding the passenger door, it sounds like the switch is bad.

The driver's door has me confused. If you get power to both wires when pressing unlock, that sounds like the switch has shorted internally. If you get power in both wires, I would think you would hear something.

And yes, the black / white wire should have power at all times. That goes to the switch. From that point, the switch distributes the power to the actuator.

Here is what I suggest. If possible, see if you can get one switch (driver or passenger side), and see if it makes things work. You may be able to get one from a salvage yard for very cheap.

Or, disconnect the connector at the switch which runs to the actuator. Apply 12v to one wire at a time to see if the actuator responds. If it does, then we have a 99% chance it's the switch itself.

If you have a battery charger, you can use it to provide the power to the actuator by grounding one side of the charger to the vehicle and then applying power to the wiring. If you don't have a charger, you could run a long jumper wire between the battery + and one wire at a time to the actuator. Remember, based on which of the two wires you power should cause the opposite reaction from the actuator.

On the driver's door, since there is no noise at all from the actuator, confirm it is plugged in.

___________________________________

Let me know if that makes sense. LOL

Take care,
Joe
Was this
answer
helpful?
Yes
No
Sunday, April 19th, 2020 AT 7:45 PM
Tiny
TBIRD7778
  • MEMBER
  • 33 POSTS
Okay. I will double check the connection at the actuator. To make sure it is plugged all the way in
I am not sure I understand what you mean by “disconnect the connector at the switch that runs the actuator”?
Was this
answer
helpful?
Yes
No
Sunday, April 19th, 2020 AT 8:19 PM
Tiny
TBIRD7778
  • MEMBER
  • 33 POSTS
What do you think about no interior lights coming on when the driver door is open, but they come on when the passenger door is open?
Could this some how be connected?
Was this
answer
helpful?
Yes
No
Sunday, April 19th, 2020 AT 8:22 PM
Tiny
TBIRD7778
  • MEMBER
  • 33 POSTS
We went to the junk yard today and found 2 switches and they worked!
We are back in business!
Thank you for all of your help. You have been so kind.
Now, I am ready to put in my key-less system. Do you know anything about that? I guess this truck has reverse polarity so I have to use 2 relays.
Every tutorial I have found says something different.
Was this
answer
helpful?
Yes
No
Monday, April 20th, 2020 AT 7:29 PM
Tiny
JACOBANDNICKOLAS
  • MECHANIC
  • 110,194 POSTS
Hi,

You are very welcome. I'm glad you got things working.

As far as the key-less system, I hate to ask this, but could you start a new thread with that topic. We are trying to keep each post specific to one topic so that it helps others. I hope you understand.

Regardless, good work on the locks. I told you that little test light would do the job!

Take care and feel free to come back anytime.

Joe
Was this
answer
helpful?
Yes
No
+1
Monday, April 20th, 2020 AT 9:00 PM
Tiny
TBIRD7778
  • MEMBER
  • 33 POSTS
No problem!
Thanks for all of your help! You made it so much easier!
Was this
answer
helpful?
Yes
No
Monday, April 20th, 2020 AT 9:16 PM
Tiny
JACOBANDNICKOLAS
  • MECHANIC
  • 110,194 POSTS
You are very welcome. Take good care of yourself. Hopefully, I will see your next post. LOL

Take care,
Joe
Was this
answer
helpful?
Yes
No
Monday, April 20th, 2020 AT 9:55 PM

Please login or register to post a reply.