Door locks not working

Tiny
DAVEYBOY806
  • MEMBER
  • 2000 FORD F-150
  • 5.4L
  • V8
  • 4WD
  • AUTOMATIC
  • 140,000 MILES
Door locks and key fob do not work. Occasionally the automatic door lock feature works locking the doors when driving and they physicality lock. It appears to be an electrical issue somewhere or the motor would not engage?
The red panic button on the fob always works.
Thursday, May 4th, 2017 AT 7:16 AM

1 Reply

Tiny
KEN L
  • MASTER CERTIFIED MECHANIC
  • 55,469 POSTS
Hello,

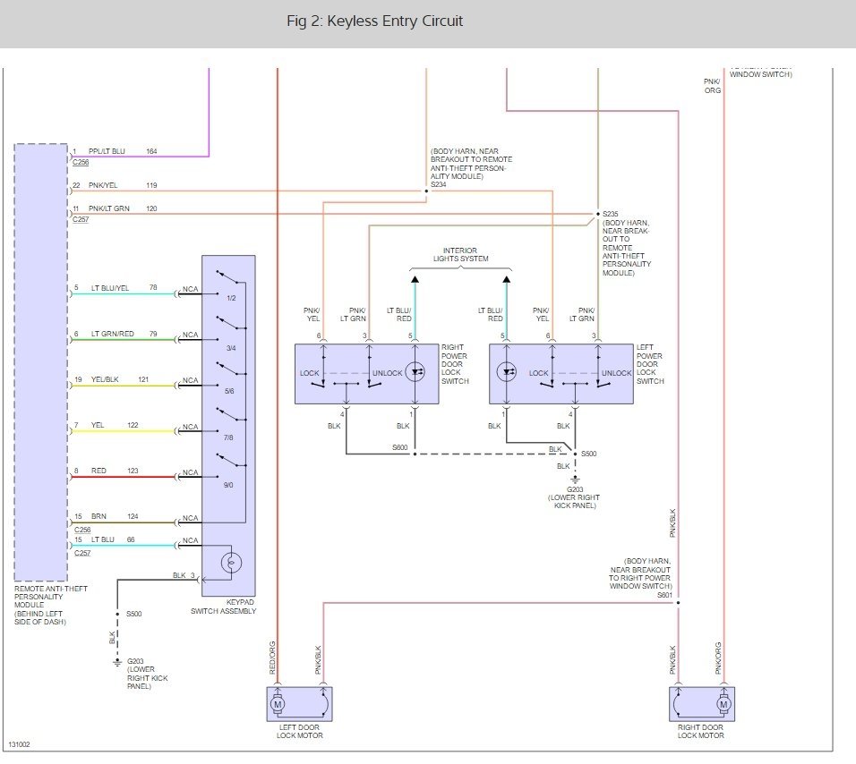
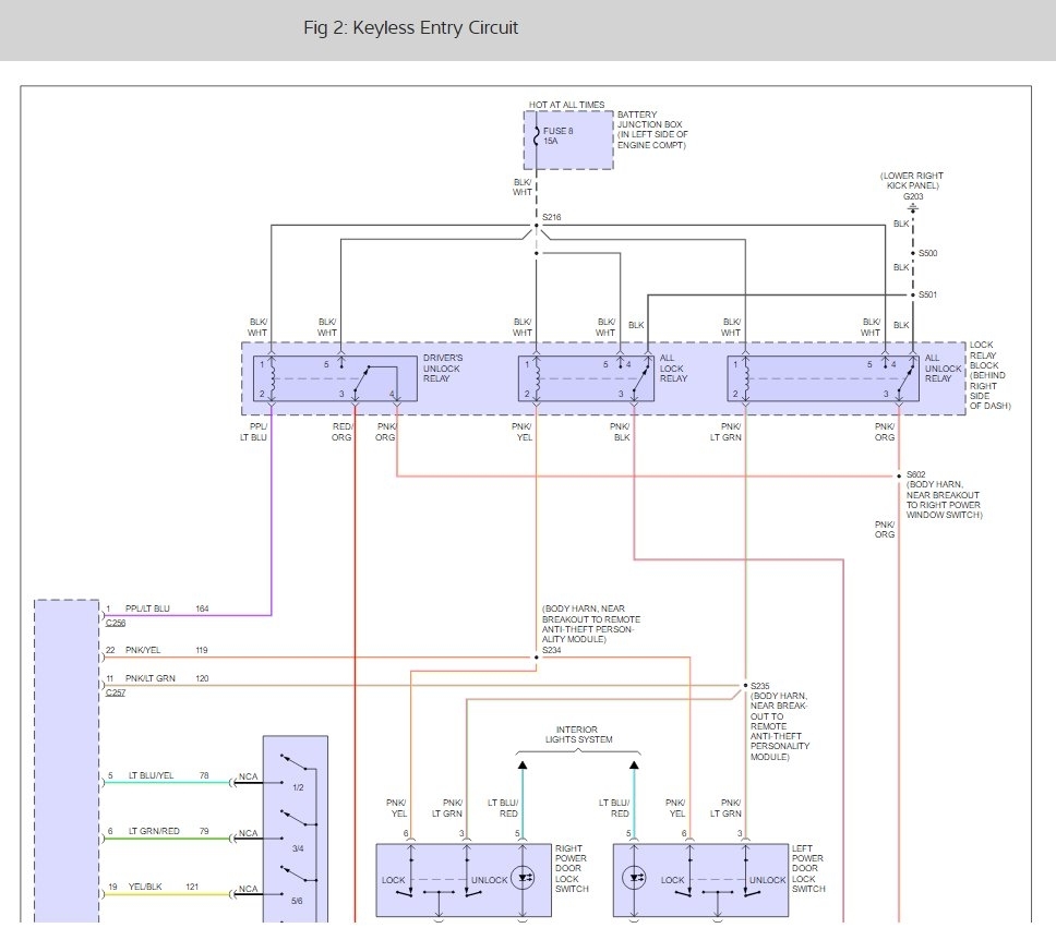
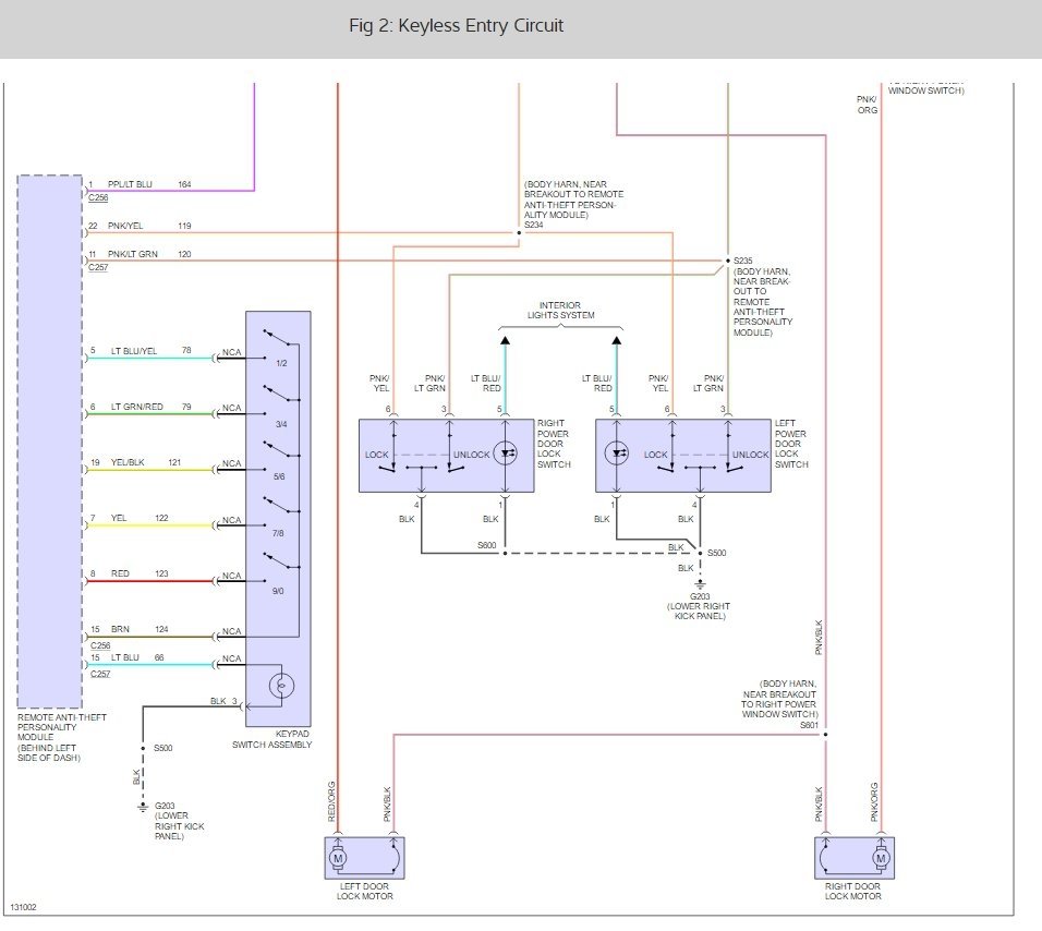
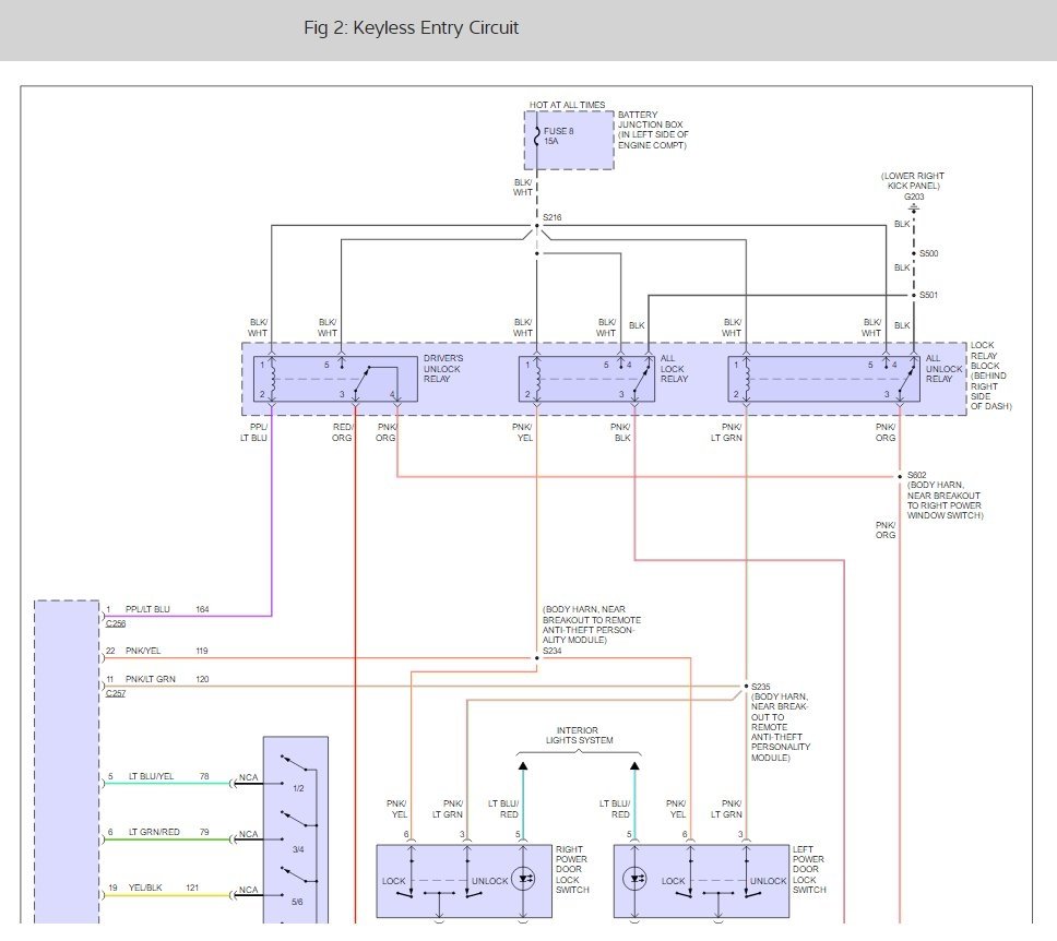
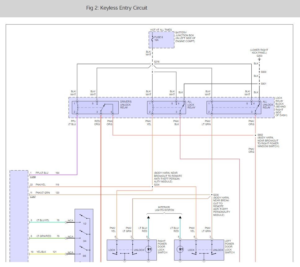
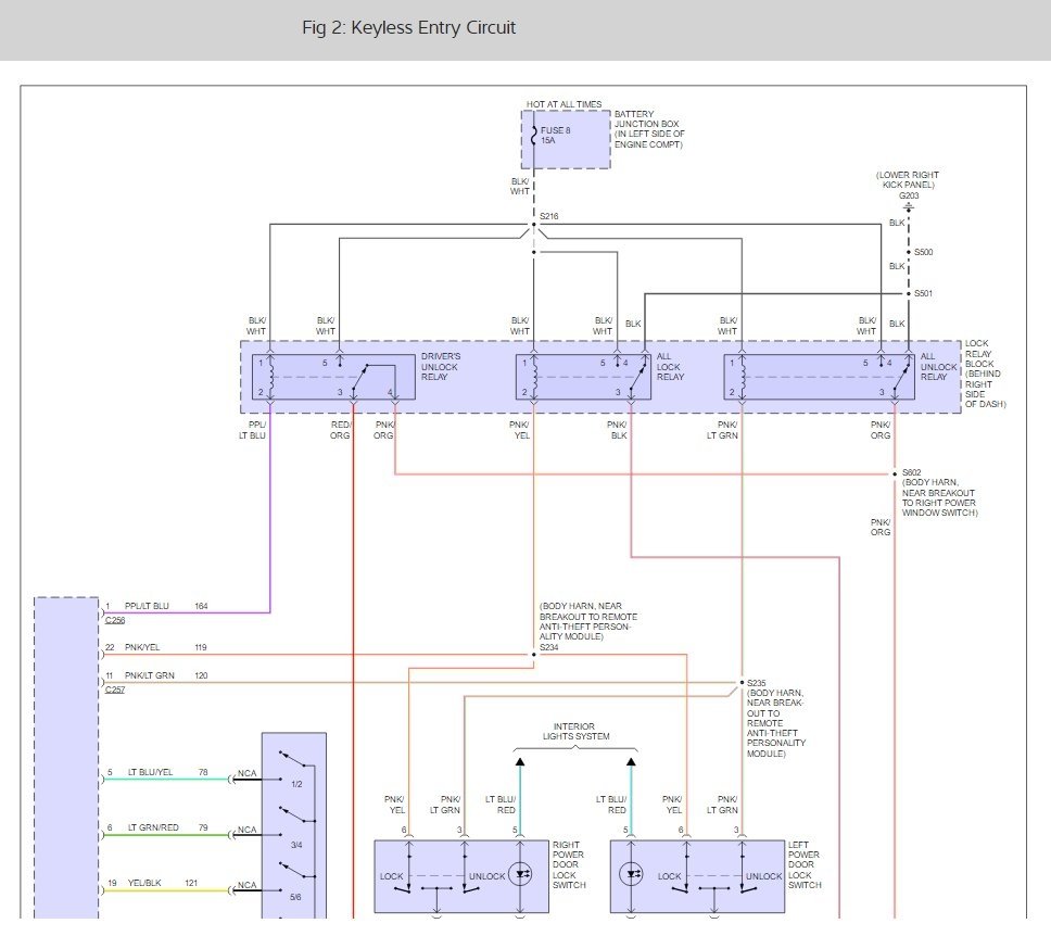
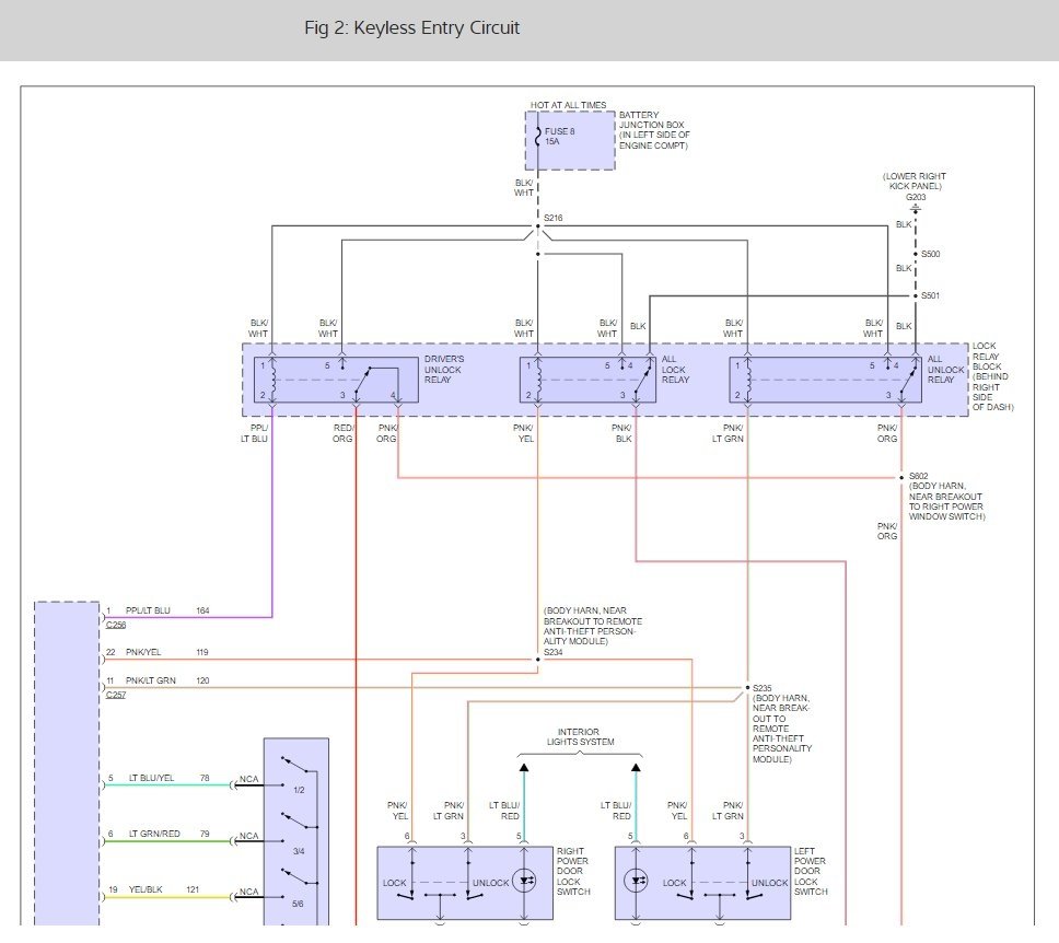
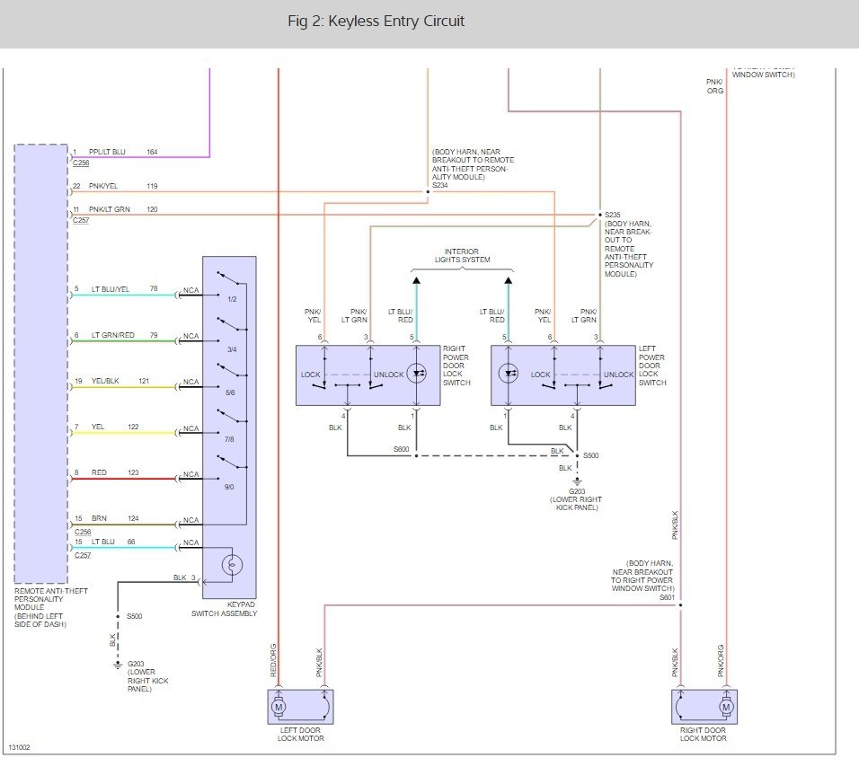
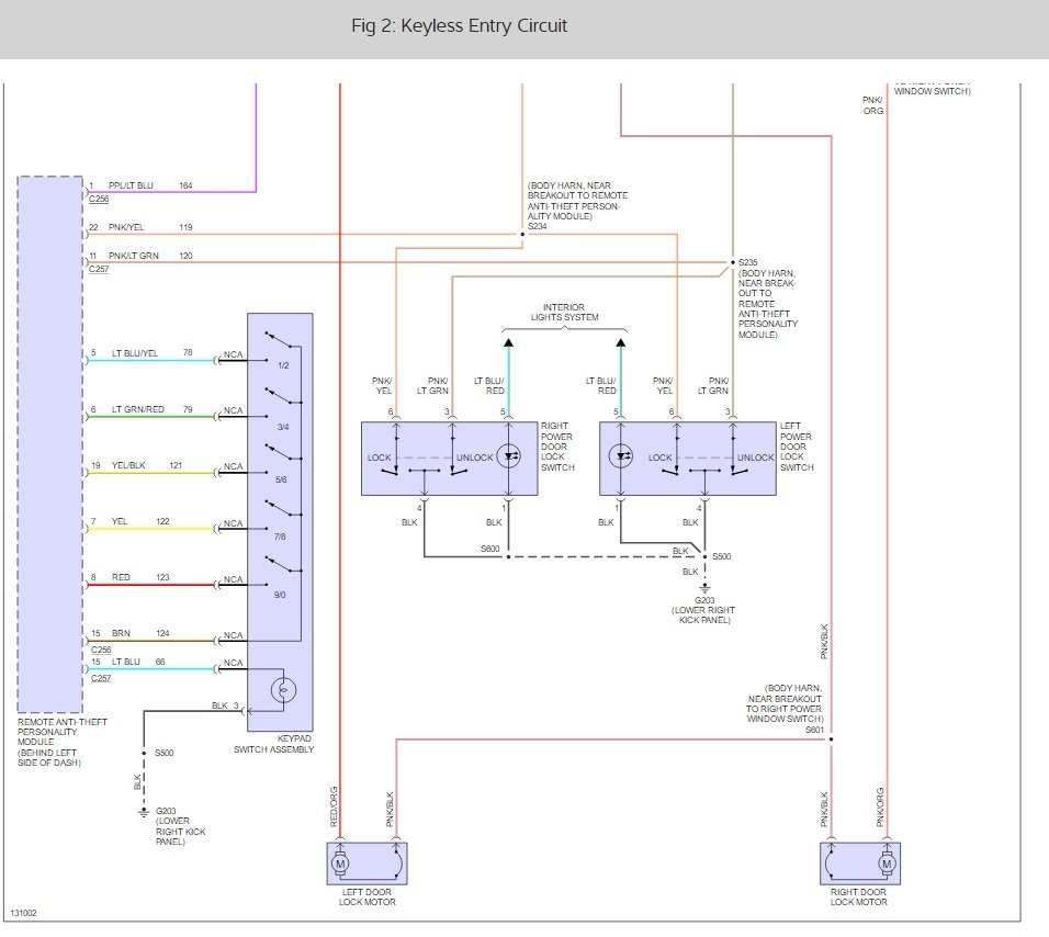
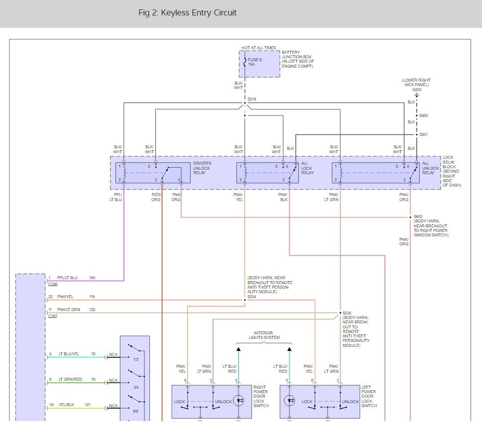
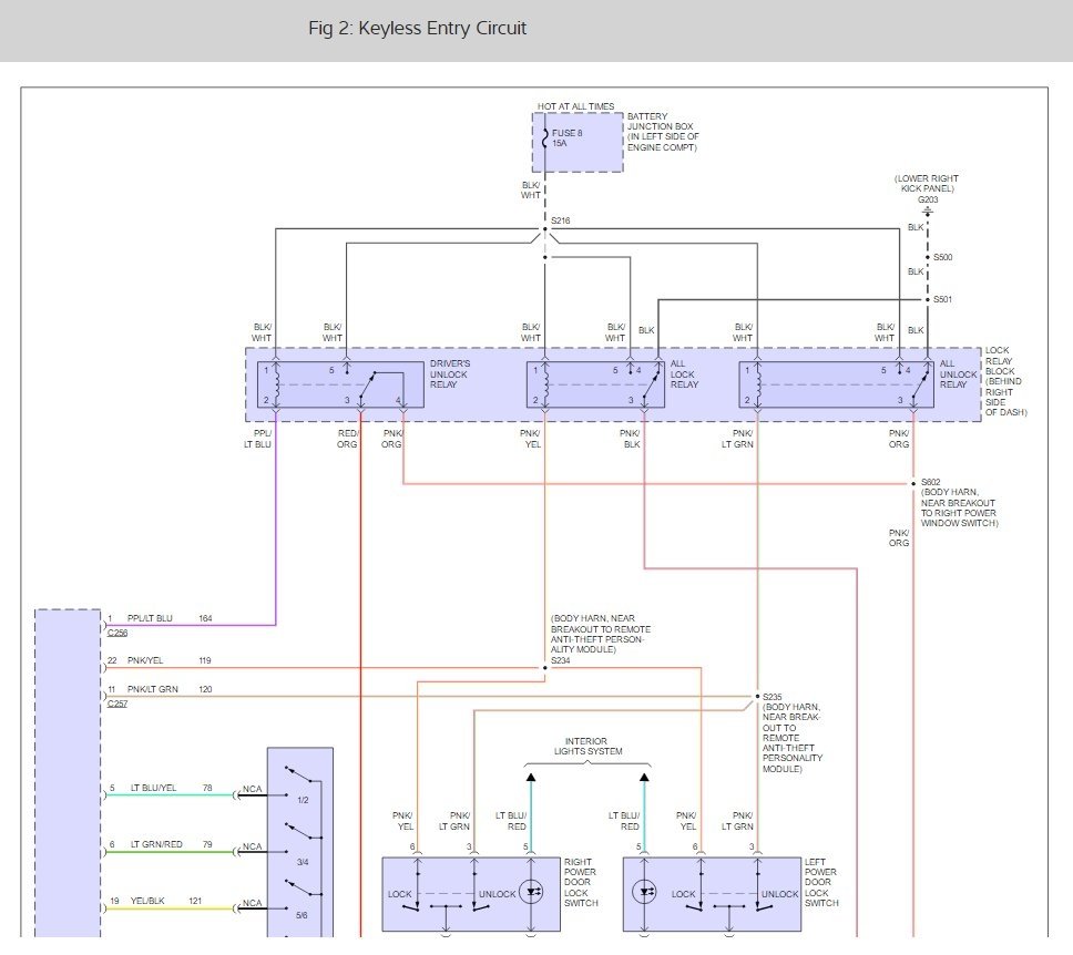
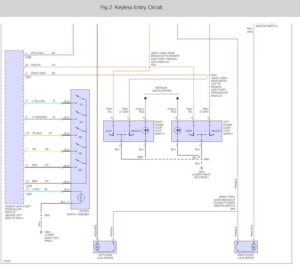
It looks like it could be a door lock relay issue causing the problem. Here is a wiring diagram and a guide to help you test the system to find the problem.

https://www.2carpros.com/articles/how-to-check-an-electrical-relay-and-wiring-control-circuit

Please run some tests and get back to us so we can continue helping you.

Cheers, Ken

Was this
answer
helpful?
Yes
No
Monday, May 8th, 2017 AT 12:50 PM

Please login or register to post a reply.