Power doors wiring

Tiny
TERRY LEMON
  • MEMBER
  • 2001 CHEVROLET SILVERADO
  • 8.1L
  • V8
  • 4WD
  • MANUAL
  • 140,000 MILES
My truck has manual windows and locks. I swapped front doors with power windows and locks from a 2003 Tahoe.
how do I wire it so widows work (powered locks would be nice but not necessary)?
Friday, December 6th, 2019 AT 2:32 PM

35 Replies

Tiny
CARADIODOC
  • MECHANIC
  • 34,468 POSTS
Assumming you also transplanted the door panels with the switches and wiring harnesses, the driver's door only needs two wires for that window to work. One is the ground wire and the other is the 12-volt feed. That should be tied to the fuse box to a point that goes dead with the ignition switch off. If wired direct, there is always the liability risk if water drips into the switch, creates carbon between the contacts, then starts a fire.

I'm going to find a diagram for the 2003 model and post that for you, but in the meantime, tell me what came with the doors. Did you get the wiring harness that goes through the door hinges on one or both sides? If not, for just the windows, you'll need to run two wires from the driver's switch over to the passenger's switch. Do you also have two rear windows?

We'll worry about the locks later, but if you're going to run wires before I get back tomorrow, run a pair for the locks right away so you don't have to do that part of the job twice. Make life easier on yourself by using different colors, or use labels so you can tell them apart easily.
Was this
answer
helpful?
Yes
No
+2
Friday, December 6th, 2019 AT 7:16 PM
Tiny
TERRY LEMON
  • MEMBER
  • 22 POSTS
The doors are complete with panels, switches they have controls for heated seats, locks and window locks, mirrors, foot controls adjustments and 4 window controls and speaker. Also first and second the truck I put the doors on is a extended cab , just the driver and passenger front doors have roll up windows.
I just want windows, locks and speakers to work.
I need to know what wires from door harness goes to windows, locks and where to connect to truck.
I am very mechanically inclined but am not real good with electrical issues (i don't want to let the magic smoke out, LOL).
So I need easy to follow diagrams.
Was this
answer
helpful?
Yes
No
+2
Saturday, December 7th, 2019 AT 6:55 AM
Tiny
TERRY LEMON
  • MEMBER
  • 22 POSTS
Correct the previous post.
First and second driver controls.
And doors have complete harness.
Was this
answer
helpful?
Yes
No
+1
Saturday, December 7th, 2019 AT 6:59 AM
Tiny
TERRY LEMON
  • MEMBER
  • 22 POSTS
The truck I am putting the doors on is a 2001 2500 HD Silverado 5 speed manual 4x4.
Was this
answer
helpful?
Yes
No
Saturday, December 7th, 2019 AT 9:15 AM
Tiny
CARADIODOC
  • MECHANIC
  • 34,468 POSTS
Well, I stand corrected. Starting in 2002 on some GM truck models, they built the Body Computer into the radio to insure it couldn't be replaced with an aftermarket unit. Along with that, the insane engineers lost all track of common sense when it came to designing electrical circuits. The power window circuits that worked fine for over 70 years now have to include multiple computers. In fact, every window switch is a computer module on 2003 models. In the past, a switch with multiple contacts inside ran a window. Today, the switch sends a signal to the built-in computer circuit, then that computer performs the switching functions and runs the motor, but only if approved by the Body Computer. It is not practical to try to transplant the 2003 Body Computer into your truck because it is part of a team that includes the instrument cluster, the door modules, and the Engine Computer. Those door modules run the power lock motors. Those also used to be real simple and reliable, but no more.

What I would recommend as the first approach is to see if you can find window switches from an older GM truck model that will fit in your door panels, then I'll draw up a diagram for you on how to wire them. Regardless of the year, all power window motors run on 12 volts. We need to find switches that didn't have small relays attached to them. That way the internal contacts will be large enough to handle the current directly.

If that is not an option, there is a three-position, center-off, spring-loaded switch listed on eBay that is perfect for this application, but I'll have to check if it will handle the current. You'd have to cut about a 1 1/4" square hole in the door panel, and have about two inches of clearance behind it. That switch will also work for the power locks.

When you're in the salvage yard, harvest the rubber accordion boots the wires run in between the door hinges. Also look for a 30-amp thermal circuit breaker in an under-hood fuse box. Because windows are considered a safety system, fuses are not used because if an intermittent short occurs, a blown fuse is permanent. Thermal circuit breakers reset automatically after a few seconds, so in an emergency, it's possible for the windows to work again.

It's a good idea to use a circuit breaker for the power door locks too. GM used to be good about placing accessory 12-volt terminals in their fuse boxes for add-ons, but they really aren't meant for circuits that draw a lot of current. It's better to run the fused wire right to the circuit already in the fuse box for power windows. We might have to rob the terminals out of a fuse box in the salvage yard. To save a few pennies, they might have been left off on the assembly line since that wasn't an installed option on your truck.

The web site we use for online service manuals is running frustratingly slow today so I can't look at wiring diagrams for earlier years. I'm going to have to dump this on you for now to check in the salvage yards to see if you can find switches that will pop into your door panels. Start with the 2001 models. I'll let you know when I find some years that will work.
Was this
answer
helpful?
Yes
No
+1
Saturday, December 7th, 2019 AT 2:47 PM
Tiny
CARADIODOC
  • MECHANIC
  • 34,468 POSTS
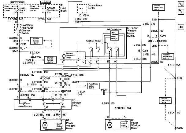
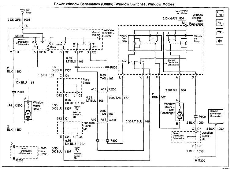
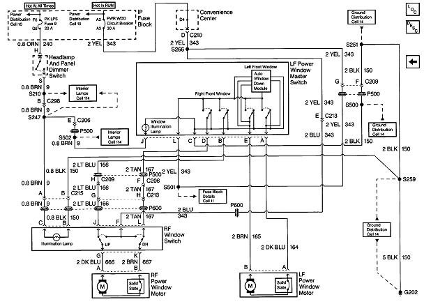
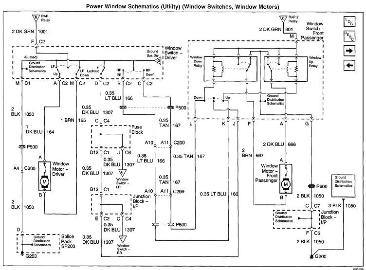
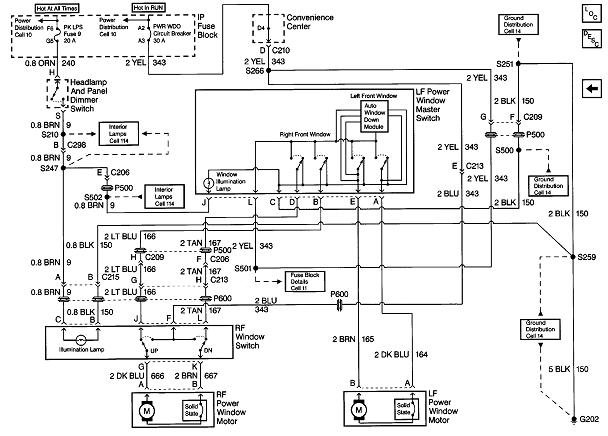
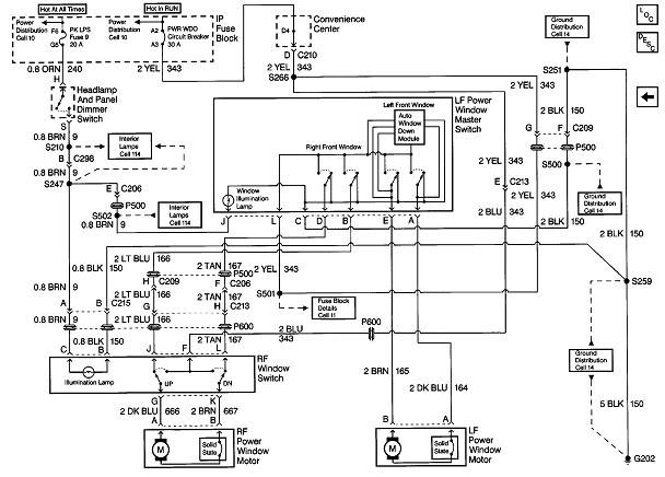
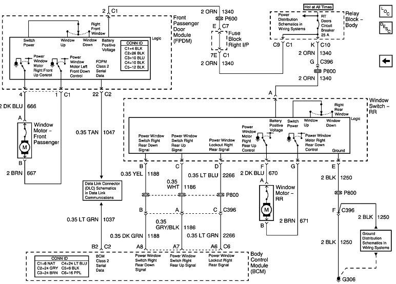
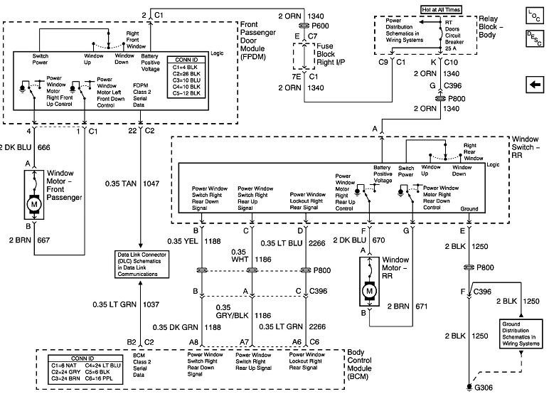
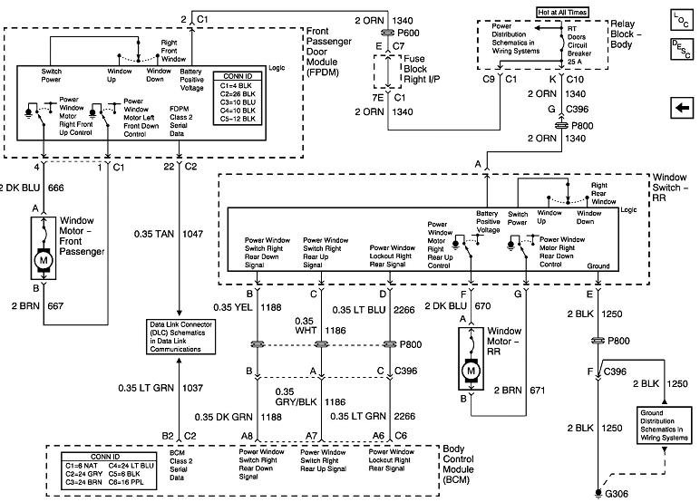
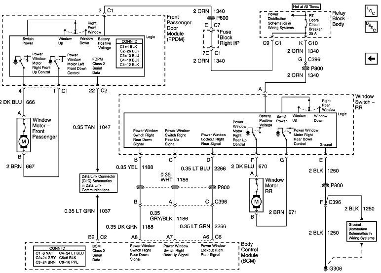
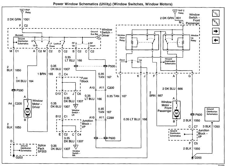
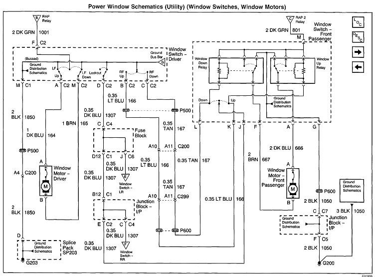
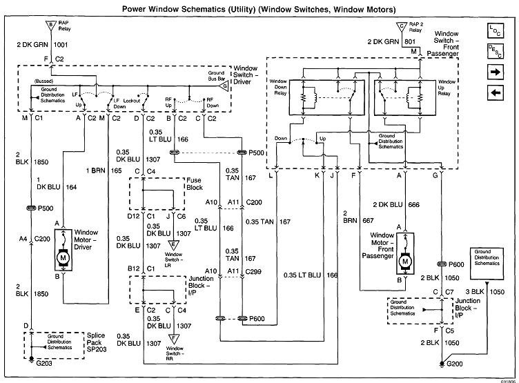
These first two diagrams are of the window circuit for a 2003 model. If you look closley, you'll see all kinds of references to computers and drivers. It looks like they retired all the engineers who knew how to design window circuits without needing computers.

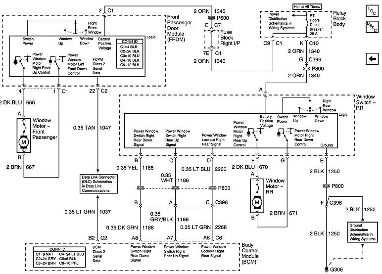
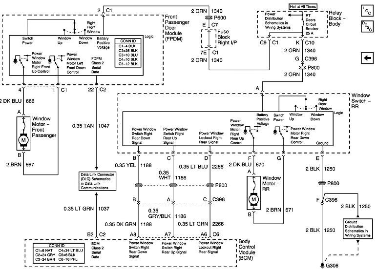
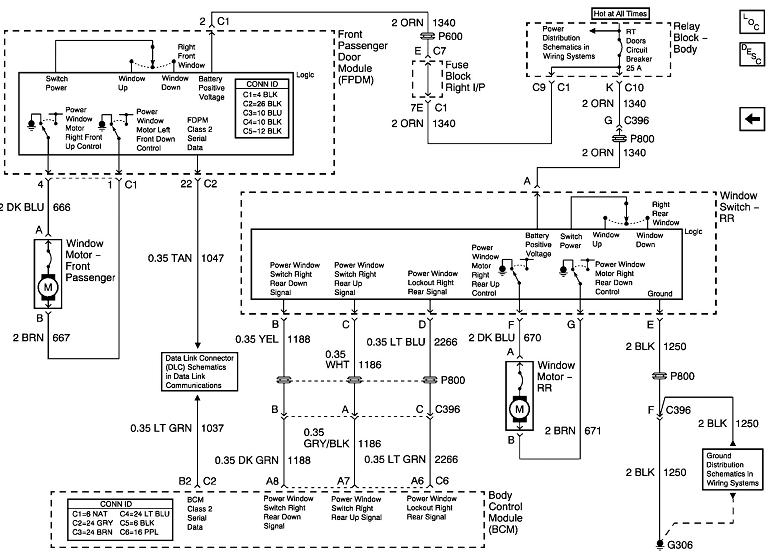
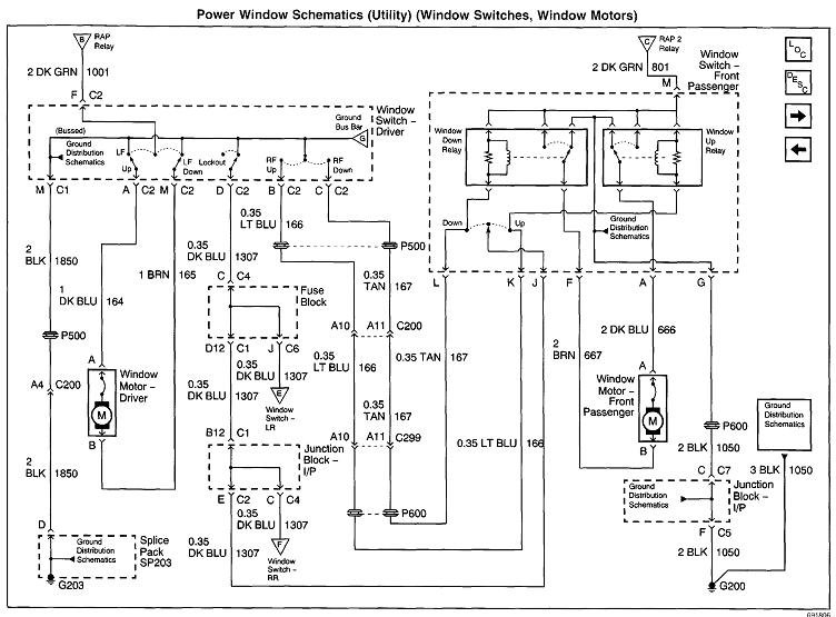
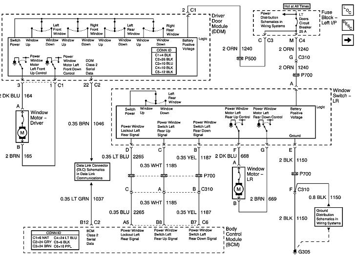
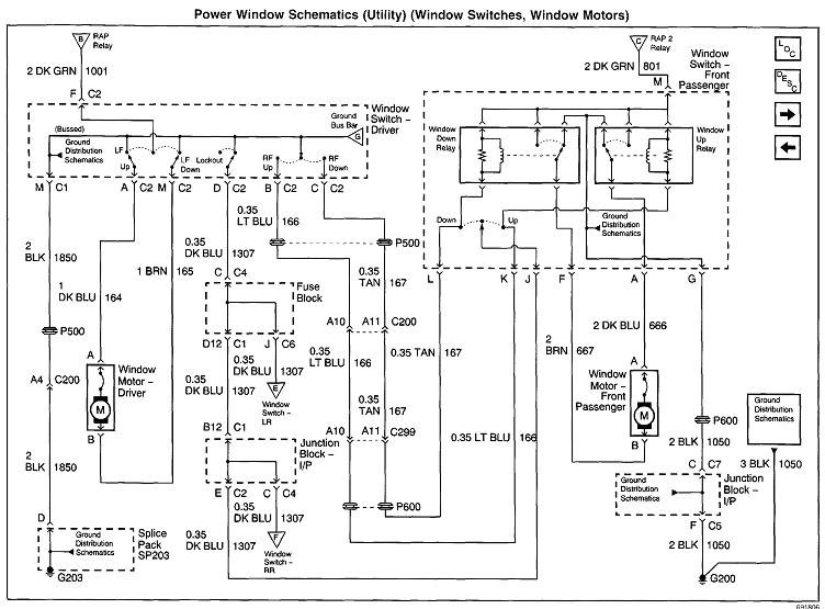
The third diagram is for a 2001 Tahoe. You'll notice there are no computers or relays associated with the driver's switch. Gee whiz engineers; how could this circuit have possibly worked! There are a pair of relays in the passenger's switch. I don't know why they felt they needed them there unless the switch cointacts were too wimpy to handle this much current.

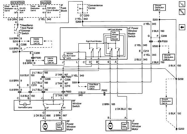
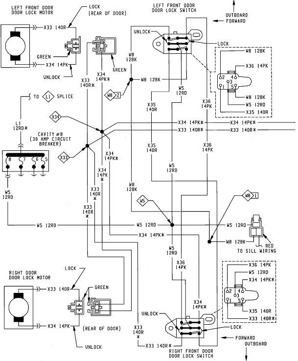
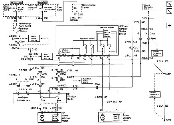
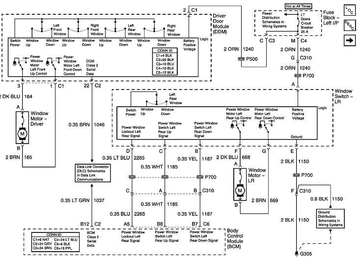
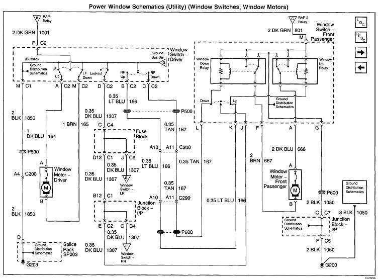
The fourth diagram is for a 1999 Tahoe, and it looks identical to that for a 2000 model. While it may look complicated, I think we can work with this one. Look for these switches in the salvage yard, and get the plugs that go with them, and the entire wiring harnesses if possible. It is too much work to pull the entire harness that goes across the dash unless the dash has already been removed. You will have to run two wires from the driver's switch to the passenger's switch, and a third one if you want the "lockout" switch to work. If you don't care about that, the third wire just has to run to the 12-volt source at the fuse box, (same place we'll be connecting the 12 volts for the driver's switch).

If you get enough of the harnesses to run through the door hinges, be sure to unwrap them, then inspect each wire for signs of cracking insulation, or even completely broken wires. That is a common failure. If you see that, cut each wire back far enough for the splices to be inside the door and inside the "A"-pillar. That way they;ll be in areas that don't flex when you open the door. Also, when I do these repairs, I splice in pieces of wire just over twice as long as what I'm removing, and I wind up the extra inside the "A"-pillar. That way when this repair has to be done again, I can pull that extra out and the job is already done on one end.

Slide the strands into each other, solder the splices, then seal them with heat-shrink tubing with hot-melt glue inside to seal out moisture. All the auto parts stores carry that stuff now.
Was this
answer
helpful?
Yes
No
Saturday, December 7th, 2019 AT 4:00 PM
Tiny
TERRY LEMON
  • MEMBER
  • 22 POSTS
Thanks for the information, with it this close to Christmas, I will be working a lot. I don't know when I will get a minute to try it. I will let you know what I find. Thanks
Was this
answer
helpful?
Yes
No
Saturday, December 7th, 2019 AT 5:45 PM
Tiny
TERRY LEMON
  • MEMBER
  • 22 POSTS
I think you have the right idea, using a older switch, I will look at that option after Christmas is over. Too busy at work right now.
I will let you know how it works out. Thank you for your help.
Was this
answer
helpful?
Yes
No
Saturday, December 7th, 2019 AT 5:53 PM
Tiny
CARADIODOC
  • MECHANIC
  • 34,468 POSTS
If I get the chance, I'll visit some of my local yards to see what I can learn about these models and years. I may post some follow-up replies with wondrously valuable information, mainly to keep this fresh in my mind so I don't have to start all over. Have a dandy Christmas, and let me know when you're ready to continue.
Was this
answer
helpful?
Yes
No
+1
Sunday, December 8th, 2019 AT 1:52 PM
Tiny
TERRY LEMON
  • MEMBER
  • 22 POSTS
Thank you.
Was this
answer
helpful?
Yes
No
Monday, December 9th, 2019 AT 9:44 AM
Tiny
TERRY LEMON
  • MEMBER
  • 22 POSTS
Found this on Amazon, what do you think?
Was this
answer
helpful?
Yes
No
Monday, December 9th, 2019 AT 11:25 AM
Tiny
CARADIODOC
  • MECHANIC
  • 34,468 POSTS
From what I can tell, those are of the proper design we need, but only if you don't have the cutout in the door already for original switches. And be sure there's enough clearance behind the door panel before you chop a hole in it.

Here's a photo of what I was looking at on eBay. The item number is 362597851109. These are rated for more current than your motors will draw.

The advantage to what you found is you have all the connectors pre-wired, so it's just a matter of plugging everything in, and running the wires. The disadvantage is you don't have to understand how the circuit works, so troubleshooting could be impossible, and you won't need the help of my genius.
Was this
answer
helpful?
Yes
No
+1
Monday, December 9th, 2019 AT 6:09 PM
Tiny
TERRY LEMON
  • MEMBER
  • 22 POSTS
LOL, I certainly would not like to be without the benefit of your genius, however with that being said, I think I will go for the easy route.
Was this
answer
helpful?
Yes
No
Tuesday, December 10th, 2019 AT 8:57 AM
Tiny
CARADIODOC
  • MECHANIC
  • 34,468 POSTS
Dandy. Keep me posted on your progress and on what it takes to get this done.
Was this
answer
helpful?
Yes
No
+1
Tuesday, December 10th, 2019 AT 5:22 PM
Tiny
TERRY LEMON
  • MEMBER
  • 22 POSTS
Got a quick question, I am trying to figure out what lock switch to order.
Do I need a 3 pin, 4 pin or 5 pin switch for to door locks?
Was this
answer
helpful?
Yes
No
Saturday, December 14th, 2019 AT 6:26 PM
Tiny
CARADIODOC
  • MECHANIC
  • 34,468 POSTS
Typically there's four terminals on the driver's switch for the driver's window. Two go to the motor, one is the 12-volt feed, and one is the ground, but that one goes to multiple places inside the switch. The switch I showed in the photo has six terminals. That will work for both windows. Two opposing corners are tied together, creating one wire connection. The other two opposing terminals are tied together, creating the second wired terminal. Those two wires go to the motor. For the two center terminals, one gets 12 volts and the other goes to ground. In effect, you have four terminals and four wires going to that switch.

The passenger's switch in the driver's door typically also uses four terminals. One gets 12 volts, one is grounded, and two run to the passenger's switch on their door. The switch on the passenger's door has five terminals. Those two wires from the driver's side are two of those terminals. Two go to the motor, and the fifth one gets 12 volts. That 12 volts could come from the lockout switch on the driver's switch assembly, if used. There's no ground terminal in the passenger's switch. Both ground circuits travel back on the two wires over to the driver's side passenger switch, through it, then to ground over there.
Was this
answer
helpful?
Yes
No
+1
Sunday, December 15th, 2019 AT 2:51 PM
Tiny
TERRY LEMON
  • MEMBER
  • 22 POSTS
Unless I misunderstood, you are talking about window switches.
I was asking about lock switches.
Was this
answer
helpful?
Yes
No
Sunday, December 15th, 2019 AT 3:29 PM
Tiny
CARADIODOC
  • MECHANIC
  • 34,468 POSTS
Oops. That was my mistake, but I'll never admit it.

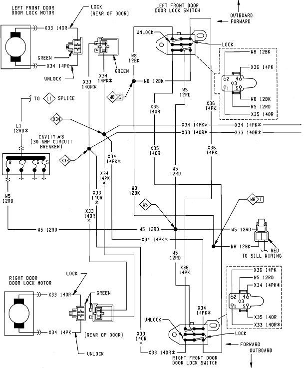
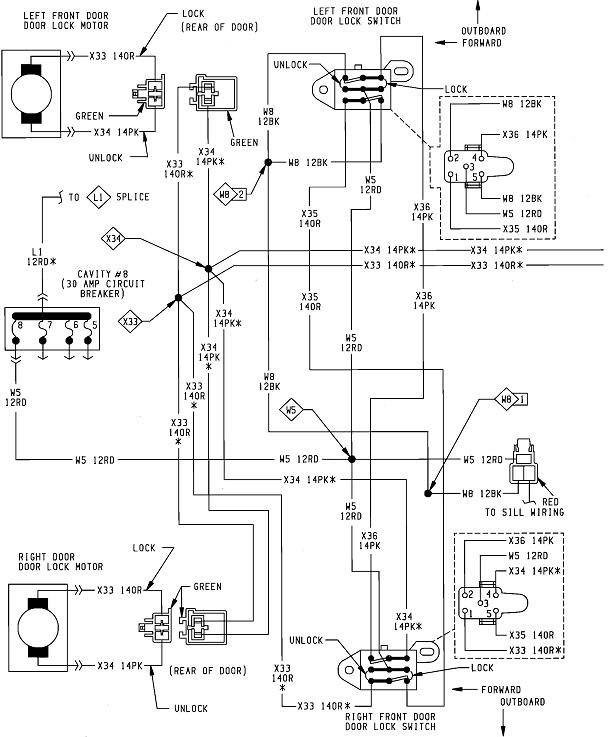
I'm going to have to think about this for a few minutes. Here's the diagram for my '88 Grand Caravan. The switches became simpler in later years on other brands, but the wiring became a lot more confusing at the same time. They use relays on a lot of models, but then those relays run the lock motors through many more wires than before. For the more common sense switching, this diagram is typical.

There's six terminals, but two are common inside the switch, so they're tied together. That means there's just five wires going to each one. The rest of the circuit is different though compared to the power windows. With the windows, you're running just one window at a time, but from two places with the passenger's window. With the locks, you're always running all three from either front switch. (No switch on the sliding door).

I'll draw a diagram tonight to show how this circuit works, then I'll be back later to post it.
Was this
answer
helpful?
Yes
No
+1
Sunday, December 15th, 2019 AT 4:55 PM
Tiny
TERRY LEMON
  • MEMBER
  • 22 POSTS
Waiting on pins and needles for your genius to be revealed. LOL
Was this
answer
helpful?
Yes
No
Sunday, December 15th, 2019 AT 5:16 PM
Tiny
TERRY LEMON
  • MEMBER
  • 22 POSTS
Do you think this will work for the locks?
Was this
answer
helpful?
Yes
No
Monday, December 16th, 2019 AT 6:26 AM

Please login or register to post a reply.