No starter operation?

Tiny
BIGG RANDY
  • MEMBER
  • 2002 MERCEDES BENZ E320
  • V8
  • 4WD
  • AUTOMATIC
  • 75,000 MILES
Tried to start the car it turned over slow, low battery charged the battery then tried to started it again. All the lights are good, the battery is good, check the starter relay it is good, but still nothing. Not sure if it is a security thing. I do not think it is the starter because you don't even hear a click. How do I tell if the k40 is any good? That is the only other thing I can think of.
Wednesday, August 28th, 2019 AT 10:17 AM

1 Reply

Tiny
ASEMASTER6371
  • MECHANIC
  • 52,796 POSTS
Good afternoon,

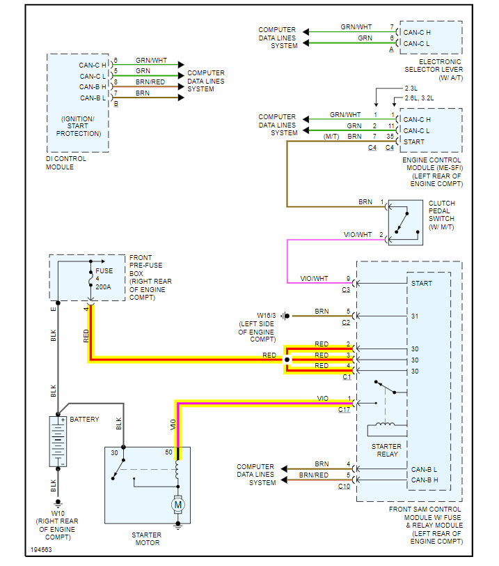
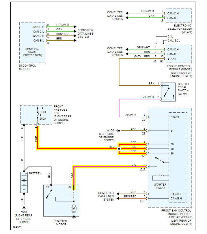
I attached a wiring diagram for you for the starting system.

https://www.2carpros.com/articles/car-cranks-but-wont-start

https://www.2carpros.com/articles/how-to-replace-a-starter-motor

You need to test for voltage at the starter solenoid wire with the key in the start position.

https://www.2carpros.com/articles/how-to-check-wiring

Roy

DANGER:
- Lethal injuries are possible if vehicle slips off of lifting platform
- Align vehicle between the columns of the hydraulic hoist and position the four support plates below the hoist support points specified by the vehicle manufacturer.
- Risk of explosion from hydrogen gas. Risk of poisoning and caustic burns from swallowing battery electrolyte. Risk of injury to eyes and skin suffering caustic burns from battery electrolyte or from contact with damaged lead acid batteries.
- No fire, sparks, open flames or smoking.
- Wear acid-resistant gloves, clothing and glasses. Pour battery electrolyte only into suitable and appropriately marked containers

1 Disconnect ground line of battery

CAUTION: Do not connect quiescent current retention unit. Risk of short circuit

2 Detach lower engine compartment paneling
3.1Completely remove exhaust system
3.2Remove middle fixture of exhaust system
4 Remove engine mounts
5 Disconnect electrical line circuit 30 (2)

Nut Of Connection Of Circuit 30 - 14 N.m

6 Disconnect electrical line circuit 50 (3)

Nut Of Connection Circuit 50 - 6 N.m

7 Unscrew screws (6)

Bolt Of Starter To Crankcase - 42 N.m

8 Place bracket (5) and wiring harness (4) to the side
9.1Take starter (M1) down and out
9.2Lead starter (M1) to front of vehicle and take out toward bottom
10 Install in the reverse order
11 Render electrical system operational
Was this
answer
helpful?
Yes
No
Thursday, February 4th, 2021 AT 2:19 PM

Please login or register to post a reply.