Code U0101?

Tiny
ELVIS NHAMO
  • MEMBER
  • 2008 MAZDA 5
  • 2.0L
  • 4 CYL
  • 2WD
  • AUTOMATIC
  • 150,000 MILES
I got a problem with my car wasn't illuminating on dash to show which gear the transmission is in. Checked my transmission relay, seems there is no power coming to pin 86 on transmission relay. Car is 94,000 miles. Did an OBD scan anbd it's showing u0101.
Friday, June 10th, 2022 AT 10:27 AM

7 Replies

Tiny
KASEKENNY
  • MECHANIC
  • 18,907 POSTS
The voltage on pin 86 may not be an issue if the transmission is engaging because I suspect you are not checking it the way we need to in order to prove it is working.

Pin 86 should be the ground to the TCM so that the TCM can control the relay on and off.

It does this by grounding this circuit which completes the circuit and closes the relay.

So, to check this we need to move your red lead of the meter to battery positive and then put the negative lead on pin 86. Then turn the engine on and the TCM should ground the circuit and that will show that this is operating.

https://www.2carpros.com/articles/how-to-check-wiring

However, the issue with the code is most likely a wiring issue or the TCM is not operating.

The U0101 code is telling us that the TCM has a communication error.

This is normally a wiring issue or the TCM itself has failed.

I am attaching the info below on this code but here is a guide that talks about this communication network.

https://www.2carpros.com/articles/can-scan-controller-area-network-easy

As you will see we have an issue either with the wiring harness B or the TCM.

The way to read this is to look at the last chart as this code should be in the PCM. It is saying that the TCM is the only one with a fault and the location would be harness B or the TCM.

Since this is the only code, I am going to think the TCM is the issue.

Let's run through this and go from there.

Thanks
Was this
answer
helpful?
Yes
No
Saturday, June 11th, 2022 AT 10:03 AM
Tiny
ELVIS NHAMO
  • MEMBER
  • 4 POSTS
  • 2008 MAZDA 5
  • 2.0L
  • 4 CYL
  • 2WD
  • AUTOMATIC
  • 94,000 MILES
Hi, the check light turns on and off. Checked on the relay circuit board and my test light doesn't show anything on nag 87. I don't have knowledge in auto electronics. But was wondering if it's a short on the circuit or doesn't have good ground.
Was this
answer
helpful?
Yes
No
Friday, July 29th, 2022 AT 2:30 PM (Merged)
Tiny
KEN L
  • MASTER CERTIFIED MECHANIC
  • 55,428 POSTS
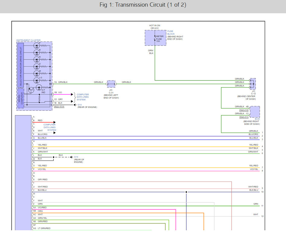
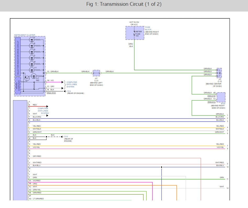
Okay, let's check for power at fuse # EngB+ and TCM fuse in the under-hood fuse panel. Here is a guide and I have included the transmission wiring diagrams so you can see how the system works:

https://www.2carpros.com/articles/how-to-check-a-car-fuse

Check out the diagrams (below). Please let us know what happens.
Was this
answer
helpful?
Yes
No
+1
Saturday, July 30th, 2022 AT 10:35 AM
Tiny
ELVIS NHAMO
  • MEMBER
  • 4 POSTS
Hi, now the car is showing P01c1.
Was this
answer
helpful?
Yes
No
Friday, August 12th, 2022 AT 3:34 AM
Tiny
KEN L
  • MASTER CERTIFIED MECHANIC
  • 55,428 POSTS
P01C1 code is Transmission - BBV Sensor Circuit Low Voltage - TFP Valve Position Switch-Drive Without Drive Ratio which has to do with the camshaft timing actuator. I would make sure the engine is full of clean oil with a new filter and then remove the actuator to make sure it is not clogged with flecks of metal or sludge. Here is the location and a generic guide on how to change the oil and the VCT valve in the images below #1.

https://www.2carpros.com/articles/how-to-change-engine-oil-and-filter

Check out the diagrams (below). Please let us know what you find. We are interested to see what it is.
Was this
answer
helpful?
Yes
No
+1
Friday, August 12th, 2022 AT 11:26 AM
Tiny
ELVIS NHAMO
  • MEMBER
  • 4 POSTS
Suddenly started showing that and is not cranking.
Was this
answer
helpful?
Yes
No
Thursday, September 8th, 2022 AT 6:24 AM
Tiny
KEN L
  • MASTER CERTIFIED MECHANIC
  • 55,428 POSTS
Yep, that is a system error, it could be the clusters is causing these issues, but I would check the ground to engine and body from the battery, also we need to do a CAN Scan, you can get a CAN scanner (Controller Area Network) from Amazon for about $30.00.

Here is a video to show you how:

https://youtu.be/u-4syLc-ifQ

Here is a scanner link:

https://amzn.to/3o41KcZ
Was this
answer
helpful?
Yes
No
+2
Friday, September 9th, 2022 AT 5:08 PM

Please login or register to post a reply.