HOME
ASK A QUESTION
REPAIR GUIDES
BECOME A MEMBER
LOG IN
Login with Facebook
OR
Remember me
NOT A MEMBER?
FORGOT PASSWORD?
CONTACT US
PRIVACY POLICY
TERMS AND CONDITIONS
☰
Home
Pontiac
Firebird
Fuel System
Fuel Pump
Location
1989 Pontiac Firebird
MYMORRISGARAGE
MEMBER
1989 PONTIAC FIREBIRD
1989 Pontiac Firebird 6 cyl
Where is the fuel pump located. Is it internal or external.
Sunday, May 23rd, 2010 AT 9:43 PM
1 Reply
RASMATAZ
MECHANIC
75,992 POSTS
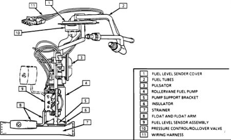
Fuel Pump And Fuel Level Sender Assembly
Fuel Level Sender Installation
https://www.2carpros.com/kpages/auto_repair_manuals_alldata.htm
Was this
answer
helpful?
Yes
No
Monday, May 24th, 2010 AT 12:42 AM
Please
login
or
register
to post a reply.
Related Fuel System Fuel Pump Location Content
1989 Pontiac Firebird Fuel Pump
This Morning On My Way To Work My Car Just Quit. I Still Cranks Over, But Won't Fire. It Gave No Warning Which Makes Me Think It Was The...
Asked by
smpuckett
·
1 ANSWER
1989
PONTIAC FIREBIRD
1994 Pontiac Firebird Fuel Pump
Fuel Pump Kicks In But Wont Turn Over, Cant Find A Reset Button Is There One. Thought Might Be Imcs, Cant Locate It.
Asked by
Smitty28
·
3 ANSWERS
1994
PONTIAC FIREBIRD
89 Firebird Fuel Pump Won't Run
1989 Pontiac Firebird 305 Tbi Vin E Auto 165,000mi. Fuel Pump Will Not Run When Key Is Turned To "on". Fuel Pump Will Run If I Manually...
Asked by
madskaterr
·
3 ANSWERS
1989
PONTIAC FIREBIRD
Fuel Pump Problems
I Have A 1989 Firebird V8 Tbi Fuel System That Will Not Get Any Pressure To The Carb. I Put A New Fuel Pump On And Car Ran For About 20...
Asked by
BOB PAPE
·
2 ANSWERS
1989
PONTIAC FIREBIRD
1989 Pontiac Firebird 1989 Pontiac Firebird Fuel Pump...
1989 Pontiac Firebird 6 Cyl Two Wheel Drive Automatic I Have A 1989 Pontiac Firebird 2.8 V6 Automatic Fuel Injected Car. My Probelm Is...
Asked by
firebirdforever
·
4 ANSWERS
1989
PONTIAC FIREBIRD
VIEW MORE
Ask a Car Question. It's Free!
Fuel Pump Replacement
Fuel Pump Pressure Test
How to fix an engine that wont start