Power door locks and heater blower not working

Tiny
MOET
  • MEMBER
  • 2000 PLYMOUTH VOYAGER
  • 6 CYL
  • FWD
  • AUTOMATIC
  • 115,000 MILES
First noted as turn signal failure, with dash Airbag and ABS lights on. This was intermittent. When the Airbag and ABS lights were off, the turn signals worked. Then it was noted that power door locks and heater blower were also affected during those times when Airbag and ABS were lit. No longer intermittent, the Airbag and ABS are lit and there are no door locks, signals, heater blower. Emergency flashers work. All fuses were inspected, as were front control module(?) Connectors, with no faults. Everything clean and properly situated. Thanks for any similar experiences and resolutions.
Monday, December 7th, 2009 AT 10:13 PM

9 Replies

Tiny
2000_GRAND_VOYAGER
  • MEMBER
  • 1 POST
2000 Plymouth Voyager with 159,000, having the exact same issue. I have checked all the fuses to see which are fine. I suspect that one of the relays has gone bad, but can't be sure. Any idea how to test these?
Was this
answer
helpful?
Yes
No
+1
Tuesday, December 8th, 2009 AT 8:53 AM
Tiny
STINGRAY230SX
  • MEMBER
  • 4 POSTS
I know it's been 12 years since this question was posted, but I am having the exact same issue [almost]. 2000 Voyager [moms] sat for a while due to little brother running it out of oil, fast forward to me needing a vehicle for commuting to work, so I slung a advance auto 3.3 in it. Ran it until I found a car I really liked. Sat again when the power steering line rusted out.
Replaced the line and started checking it for regular use, after a week or so, the airbag and ABS light came on and went off after about 5 minutes of driving towards the local speedway for coffee.
Proceeded to do this all that day, then stopped for a day. Just noticed that when the lights go out on startup, if the blower does not come on, then the lights come back or don't go out.
Several Chrysler forum readers say its grounds, but I am not so sure, and yes, when these lights are on the turn signals do not work.
I have checked battery voltage and alternator charging voltage and they are in spec.
Previously the signals wouldn't work but I pulled the flasher unit and flowed the solder connections, and the turns have worked fine ever since, except now when the airbag/ABS lights are on.
Waiting on a friend's complex scanner since my simple obd2 reader didn't show any codes.
But something has to be going on that kills the blower and turn signals when those two lights are on.
Read a lot about the clock spring failing but it seemed as if it was mostly earlier models?
All the gauges work, low fuel and rear gate/door ajar indicators, all of them work.
Also, every now and then the radio has no audio, but it comes back later, and the reception is not good, but I don't know if that's related or not.

I hope someone sees this and has a solution or a lead.

Thanks,

Douglas Hunt
Was this
answer
helpful?
Yes
No
Wednesday, May 18th, 2022 AT 5:17 PM
Tiny
KASEKENNY
  • MECHANIC
  • 18,907 POSTS
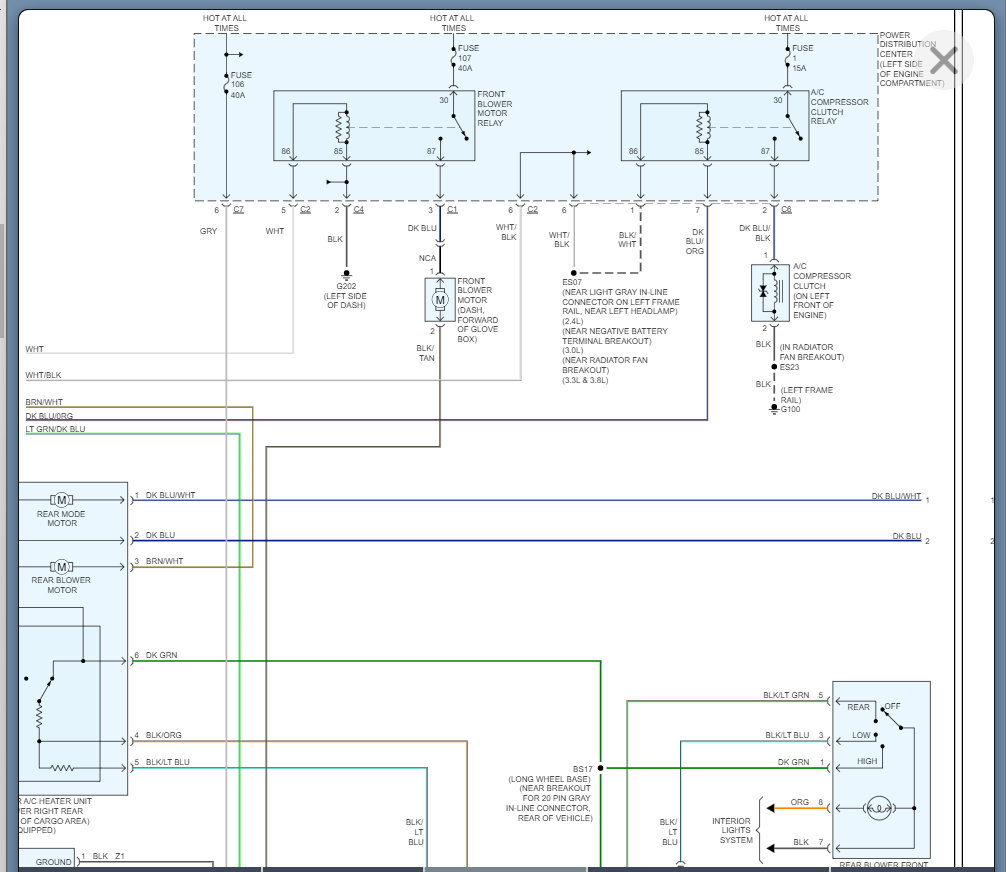
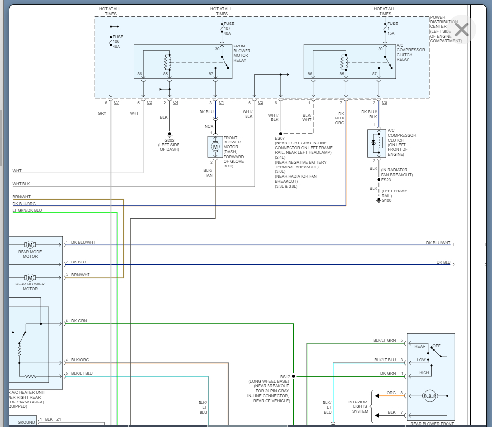
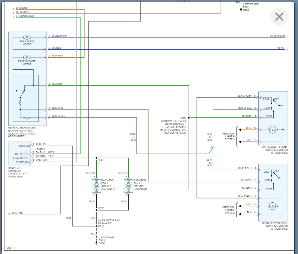
If the blower is not working at all then we need to start with checking for power at the blower.

Basically, this is going to tell us what direction to go in. It could be a ground but this is actually grounded through the control module so let's see if there is voltage at the motor and then we can determine the next steps.

https://www.2carpros.com/articles/low-or-no-air-flow-from-vents

https://www.2carpros.com/articles/how-to-check-wiring

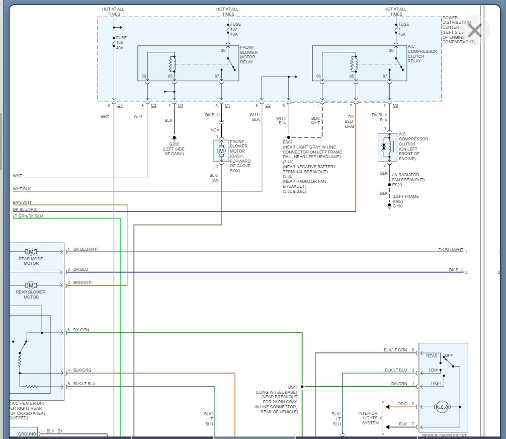
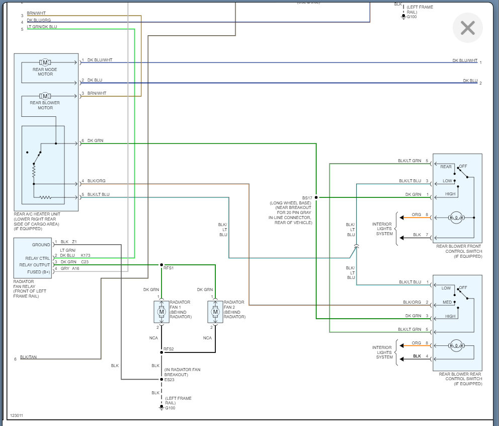
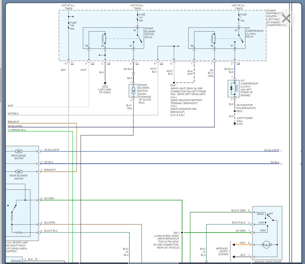
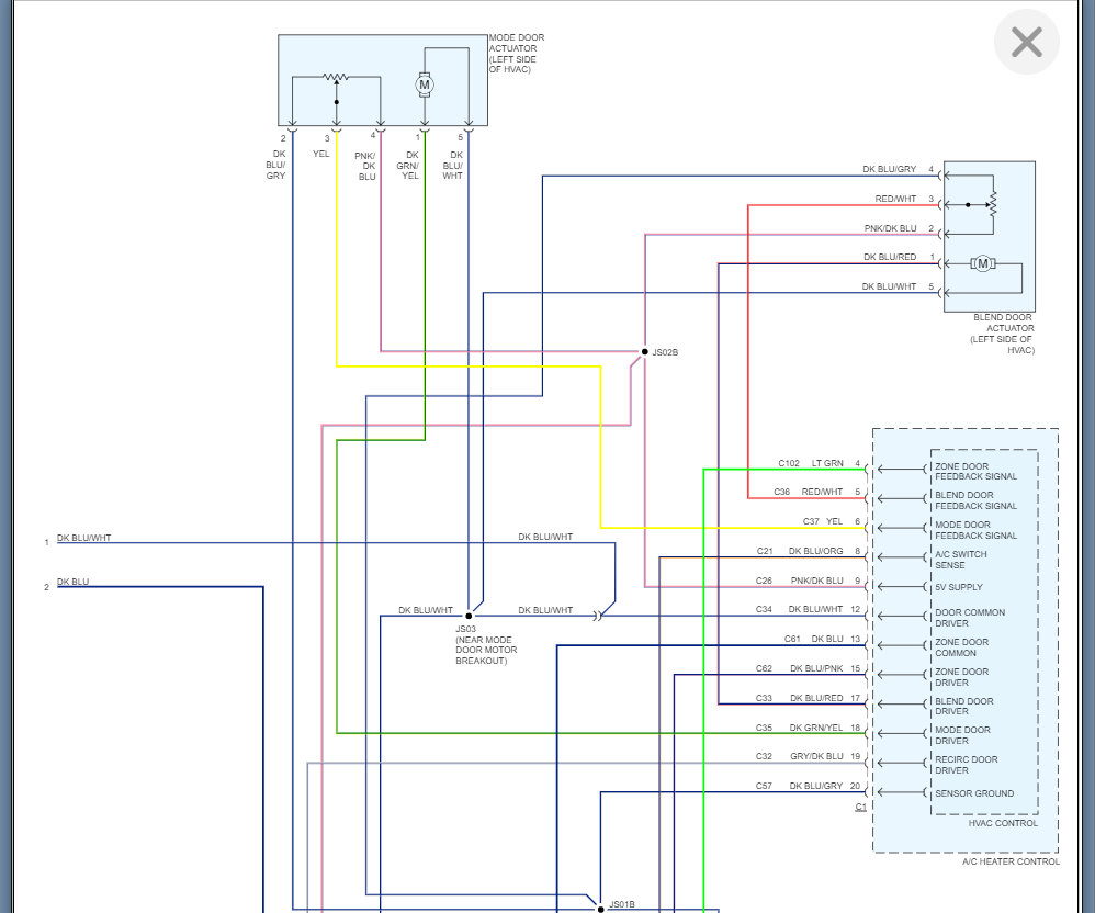
I am attaching the complete wiring diagram below, but we need to focus on the power from the relay to the blower. Then check the ground by use pin 2 for the actual ground. You don't want to use this at first because if there is no voltage we won't know if this is a power or ground issue. So, we should always start with a known good ground.
Was this
answer
helpful?
Yes
No
Wednesday, May 18th, 2022 AT 6:57 PM
Tiny
STINGRAY230SX
  • MEMBER
  • 4 POSTS
The blower only fails to come on at the same time as the airbag/ABS lights stay on. If those two lights, go off in sequence after the check engine light and oil light then the blower works fine. Same as the turn signals, if the airbag/ABS lights stay on, then the turn signals won't work. But if the airbag/ABS lights go out upon startup, then the turn signals work fine.
Was this
answer
helpful?
Yes
No
-1
Thursday, May 19th, 2022 AT 1:20 PM
Tiny
KASEKENNY
  • MECHANIC
  • 18,907 POSTS
So, this sounds like a couple of possible things, but if the ABS lights stay on then we need to check for codes when this is on. I am hoping that we have some low voltage codes. I know you said there were no codes when you checked but was that when this issue was happening? Low voltage codes will clear once the voltage is restored.

If this is the case, then we have a battery issue. Clearly the ABS light staying on should not affect the turn signals at all. The fact that it does, this sounds like load shedding. Basically, what that means is when the voltage is low the body controller starts preventing certain things from working so that it can save the voltage for other things that are more important.

So, let's check for codes when these lights are on and then check the battery to see if it passes a load test.

https://www.2carpros.com/articles/checking-a-service-engine-soon-or-check-engine-light-on-or-flashing

https://www.2carpros.com/articles/car-battery-load-test

Please let me know what questions you have. Thanks
Was this
answer
helpful?
Yes
No
Thursday, May 19th, 2022 AT 6:49 PM
Tiny
STINGRAY230SX
  • MEMBER
  • 4 POSTS
Okay, thanks.

It will be a while, as my simple reader indicates no faults, yet others have indicated I will need a more sophisticated scanner to read the airbag and ABS modules and I have a friend who has a good scanner, but he loaned it out and hasn't got it back yet
in the meantime, I use it every day, and at this time when those lights "stay on" I simply turn the ignition switch off, wait about 10 seconds and 9/10 times the lights clear on restart.
I won't pull it out of the driveway if the turn signals and blower don't operate.
I read on searches about clock spring issues, or possible bad solder issues in the dash cluster, but all the gauges work and the horn works, so that's just a secondary theory in my head.
Was this
answer
helpful?
Yes
No
Friday, May 20th, 2022 AT 11:13 AM
Tiny
KASEKENNY
  • MECHANIC
  • 18,907 POSTS
It sounds like the ABS is failing what is called an initialization/self-check. Basically, the ABS and all modules check the circuits and make sure they are no issues when you first power it on. They also do a bulb check to make sure the light can turn on.

So, when this happens and the light does not turn off, I suspect you will have codes, but you are correct that most code readers cannot read ABS and airbag codes. Here is a video that will help with this:

https://www.youtube.com/watch?v=rTtAnsOlZU4

Let me know when you get to it but don't worry about the amount of time as we will be here. Thanks
Was this
answer
helpful?
Yes
No
Friday, May 20th, 2022 AT 6:51 PM
Tiny
STINGRAY230SX
  • MEMBER
  • 4 POSTS
Thanks, sometimes the lights go off, and then there is a "ding "sound, and the airbag light comes back on. Again, I just restart and 9/10 times they both go out in the usual sequence.
But as far as the ABS failing, I did move that unit (kind of under the driver's seat area, under the van) out of the way when I was replacing the power steering line [ what a job, under the van, sheesh they should've used a different type of fitting for that rack/line connection, haha.
So, I might jack it up and check that there isn't an issue where the wiring connects, though I did not disconnect anything, just the three mounting bolts so I could have a better shot at that power steering line at the rack.
Was this
answer
helpful?
Yes
No
Friday, May 20th, 2022 AT 9:05 PM
Tiny
KASEKENNY
  • MECHANIC
  • 18,907 POSTS
Okay. With that info this does sound like a possible connection issue. It sounds like it is failing a precheck and the light stays on. Then when you shut it off and restart it enough times it finally passes the precheck.

I would start with gently wiggling the connectors with the engine running and see if you get any lights to come on or off.

I would then take the battery cable off and then unplug all the ABS connectors and check each wire by pulling on it slightly to see if they are loose.
Was this
answer
helpful?
Yes
No
Saturday, May 21st, 2022 AT 5:49 AM

Please login or register to post a reply.