Saturday, May 23rd, 2020 AT 7:09 PM
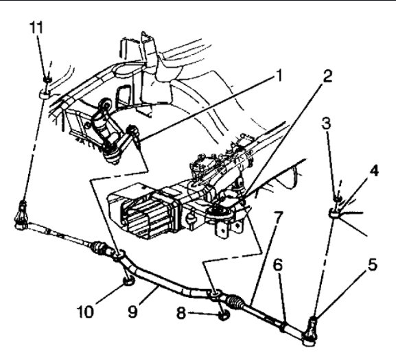
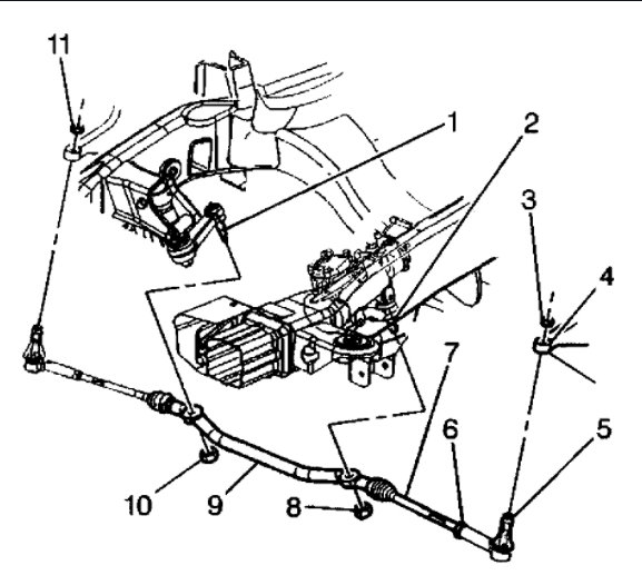
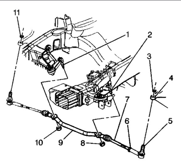
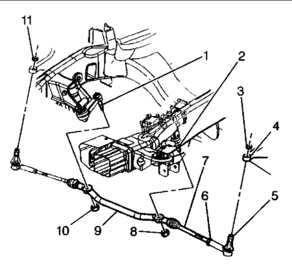
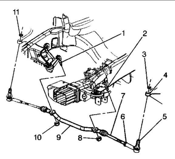
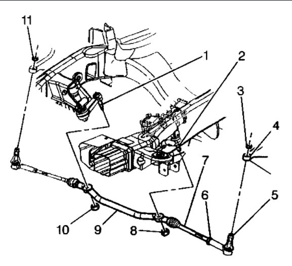
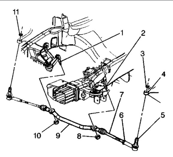
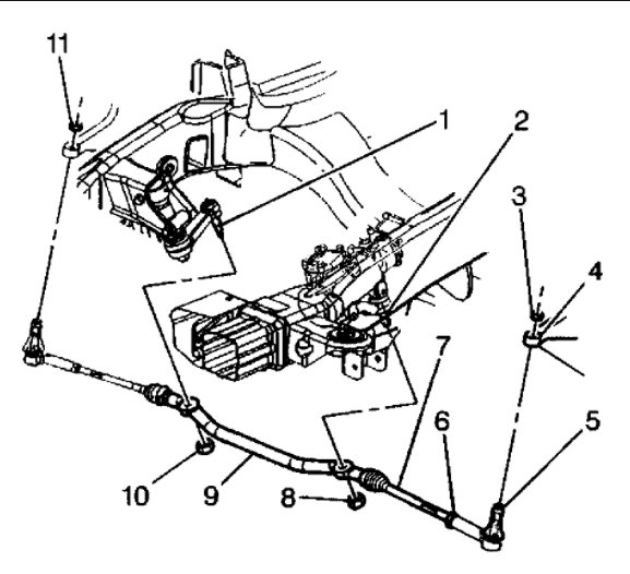
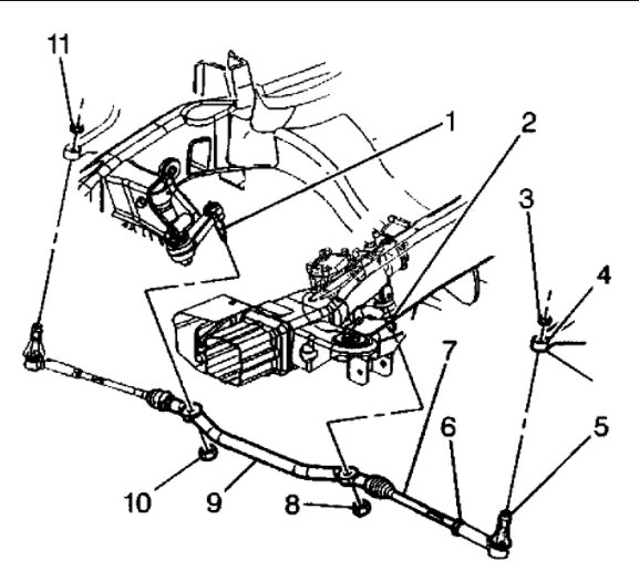
I'm confused. Took my truck in for an alignment and Firestone tech to me needed to replace. Pit-man arm and tie rod ends. Which I did the work myself. But where is the pit-man arm on my vehicle? Couldn't find it or find the Idler arm either. Can you help. Thanks.











