Found a thread that said to hook battery to a charger and turn key to on for 20-30 minutes, then do the same with the second key.
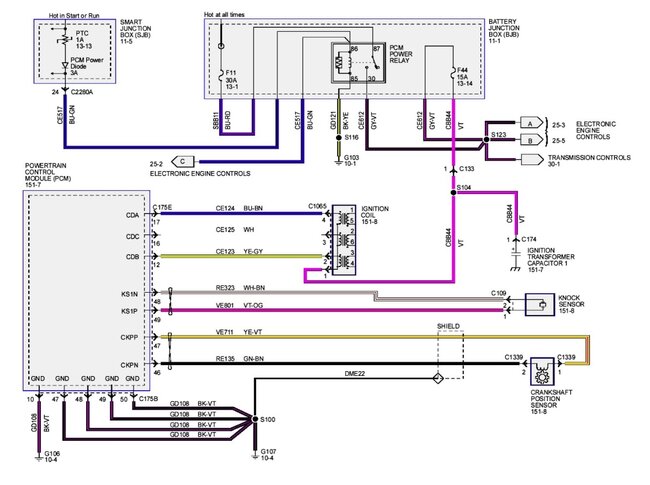
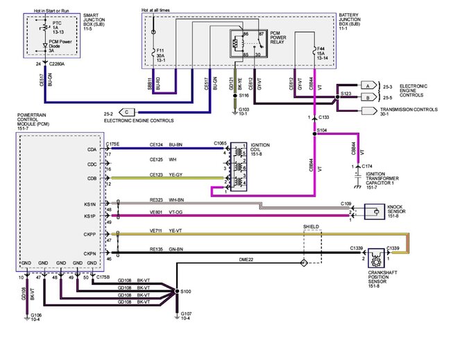
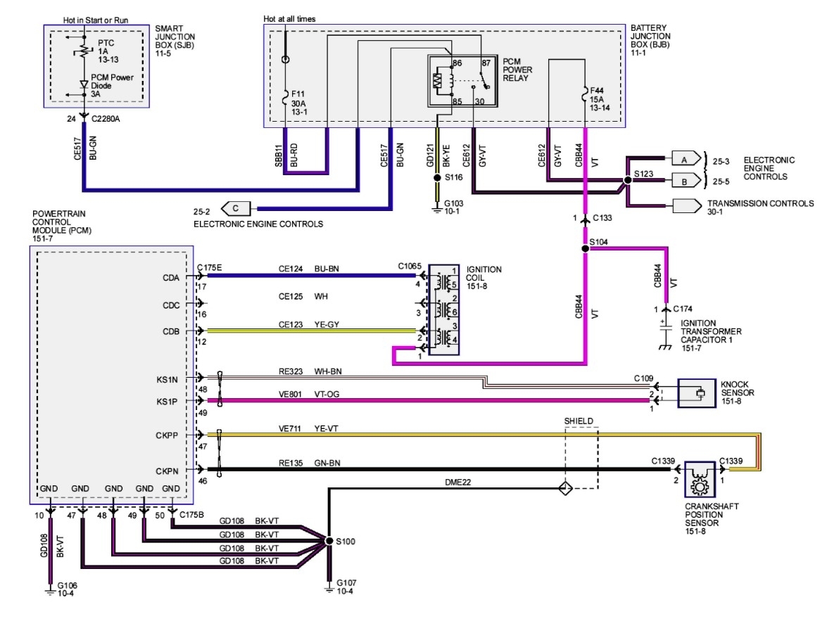
After doing so, the engine started but with a miss and coded P3501 coil A circuit open.
I replaced the coil with the same result.
I noticed the coil wiring connecter if 4 wire, I assume 1 power wire and three ground trigger wires controlled by the ECM?
Assuming that the trigger fires two coils at a time, one cyl on power stroke one on exhaust stroke, assuming as code is for cyl A only? Looking for PCM pinout and diag procedure are node lights available for testing trigger signal?
Thanks for any and all guidance.
Tuesday, December 30th, 2025 AT 9:35 AM



