Thursday, January 18th, 2018 AT 12:17 PM
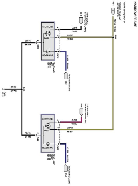
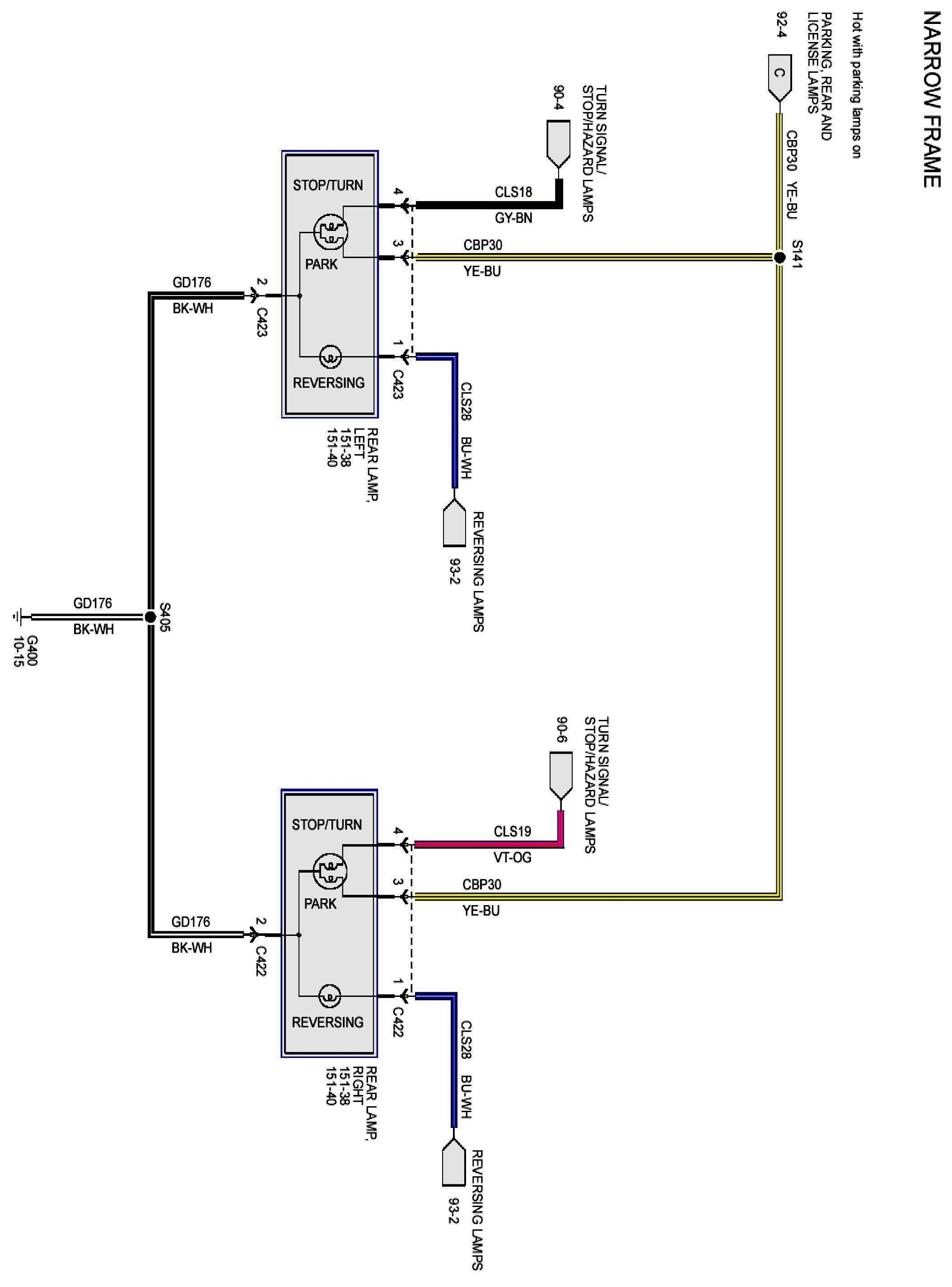
Passenger side taillight stays bright (both elements are lit like the brake is on), driver rear taillight is fine. New socket and correct bulb. Switched the new socket to the drivers side and it works fine. Grounding issue?



