No power for trailer brakes or running lights

Tiny
JAYCAR123
  • MEMBER
  • 2009 FORD F-250
  • 5.4L
  • V8
  • 4WD
  • AUTOMATIC
  • 80,000 MILES
Hello. I have the truck listed above with integrated trailer tow. I have 10.6v at plug for turn stop hazard. There is 12v at battery positive. Cleaned up ground on frame. No clue what to do next. Thanks for the help.
Friday, October 31st, 2014 AT 9:13 AM

1 Reply

Tiny
KASEKENNY
  • MECHANIC
  • 18,907 POSTS
You have resistance in the circuit. Most likely it is at the connector itself as there is water intrusion causing corrosion. However, the way to find this is to measure resistance from the junction block to the connector. You should have less then 1 ohm of resistance. I suspect you have slightly higher then this which is where you voltage is going.

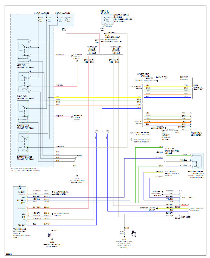
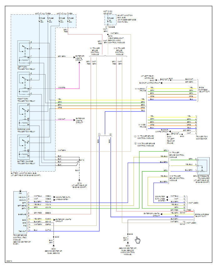
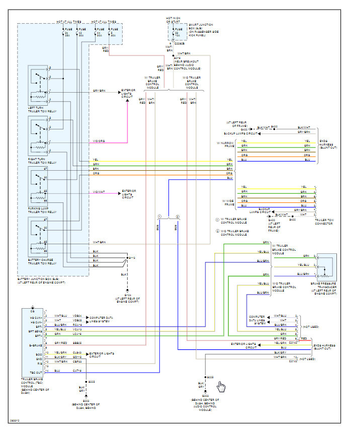
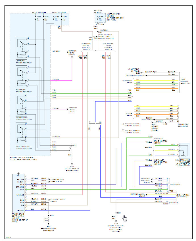
I attached the wiring diagram so you can trace the wire from end to end.

Here is a guide that explains how to test wiring. Please let me know if you have questions.

https://www.2carpros.com/articles/how-to-check-wiring

Lastly if it is the connector, you can just replace the connector itself. Please reach out and let me know what you find. Thanks
Was this
answer
helpful?
Yes
No
Wednesday, April 1st, 2020 AT 7:41 PM

Please login or register to post a reply.