Part missing on new pump

Tiny
ISAAC MAZACK
  • MEMBER
  • 1997 CHEVROLET ASTRO
  • 4.3L
  • V6
  • 4WD
  • AUTOMATIC
  • 94,000 MILES
I received a new power steering pump. My pop turn my old one in for me and they said that there was a part on the old pump that they were trying to take off. They were not able to take it off. I have the new pump now, but am unsure specifically what part I'm needing.

Thank you guys!
Monday, December 2nd, 2019 AT 5:50 PM

3 Replies

Tiny
DANNY L
  • MECHANIC
  • 5,648 POSTS
Hello, I'm Danny.

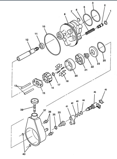
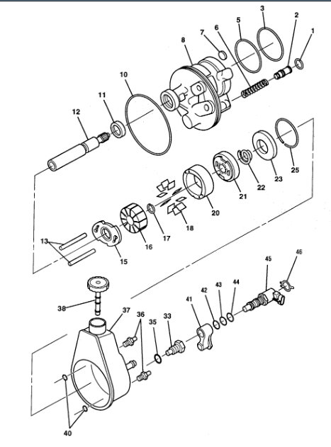
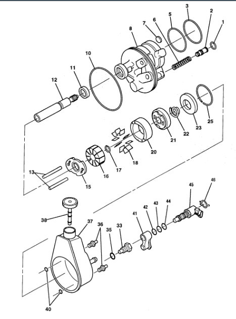
I've attached pictures below of the power steering pump components. Hope this helps and thanks for using 2CarPros.
Was this
answer
helpful?
Yes
No
+1
Tuesday, December 3rd, 2019 AT 12:28 PM
Tiny
ISAAC MAZACK
  • MEMBER
  • 5 POSTS
Do you have another picture of the diagram?
Was this
answer
helpful?
Yes
No
Saturday, December 7th, 2019 AT 11:44 PM
Tiny
STEVE W.
  • MECHANIC
  • 15,700 POSTS
Many pumps come without the reservoir so they look like the first picture. Ones with the reservoir look like image 2. A common missing part is the pulley that has to be pulled off and pressed on.
There was also an electronic orifice valve that came on the Astros stock pump. For that there is a bypass pipe you can install.
Was this
answer
helpful?
Yes
No
Wednesday, December 11th, 2019 AT 12:12 AM

Please login or register to post a reply.