Parking lights

Tiny
KENNELDG
  • MEMBER
  • 1997 PLYMOUTH VOYAGER
  • 180,000 MILES
Initially at random the parking lights would come on with ignition off and key removed. Now routinely when I turn it off the park lights come on. Only way to keep battery from running down is to remove the park lights fuse.
when I remove the key immediately there is a warning beep, and the park lights light up.
I've removed the connections to the ignition switch and put them back to make sure of a good connection but didn't help. What's my next step? Pick n Pull for a replacement switch or does the entire ignition system need to be replaced. Or some other problem?
I've already replaced the lights/mirror switch but that didn't help.
Tuesday, October 26th, 2021 AT 12:36 PM

35 Replies

Tiny
JACOBANDNICKOLAS
  • MECHANIC
  • 110,194 POSTS
Hi,

Do you know if they are on at all times, or does this only happen when the key is turned off? I ask because if the key is in the on position, there will be no indicator.

Next, I don't feel it is the switch unless the lights are on regardless of the key position. Somehow, we are getting power when it isn't needed. So, let's try to narrow it down.

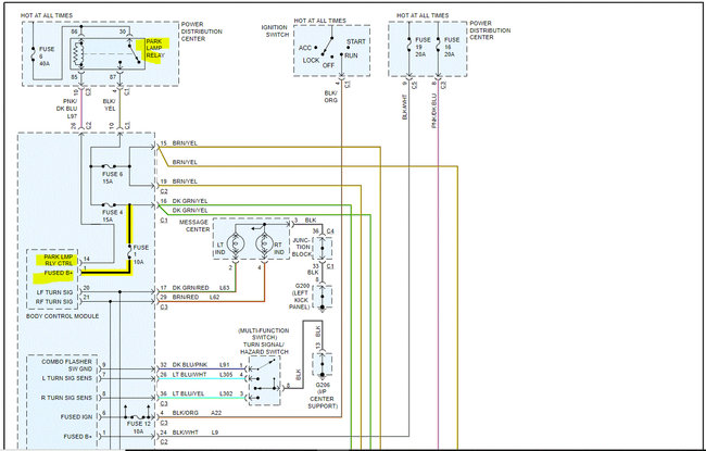
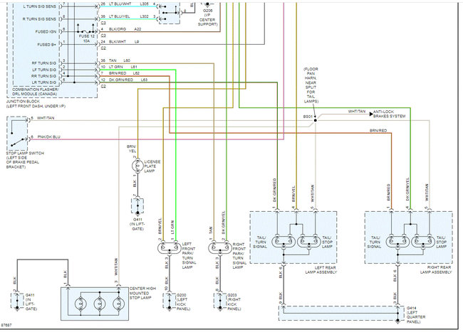
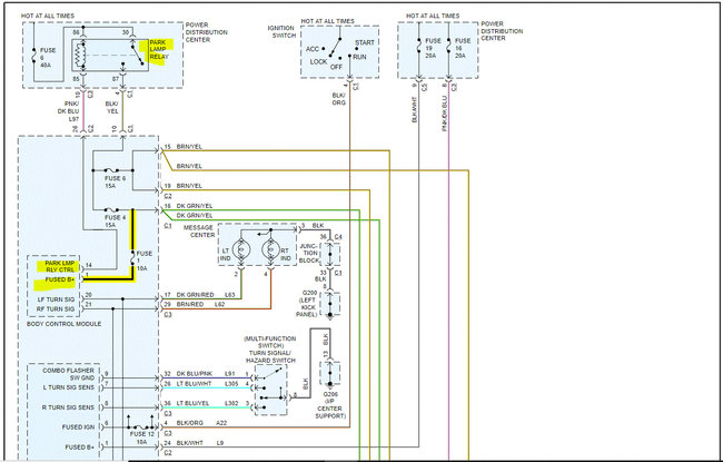
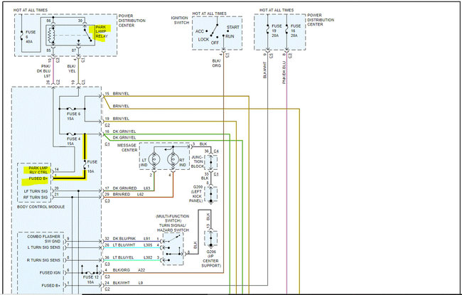
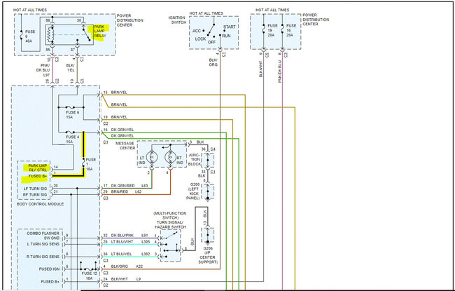
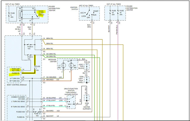
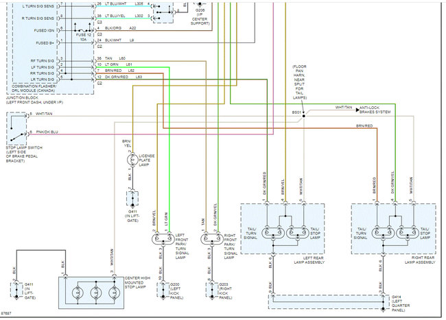
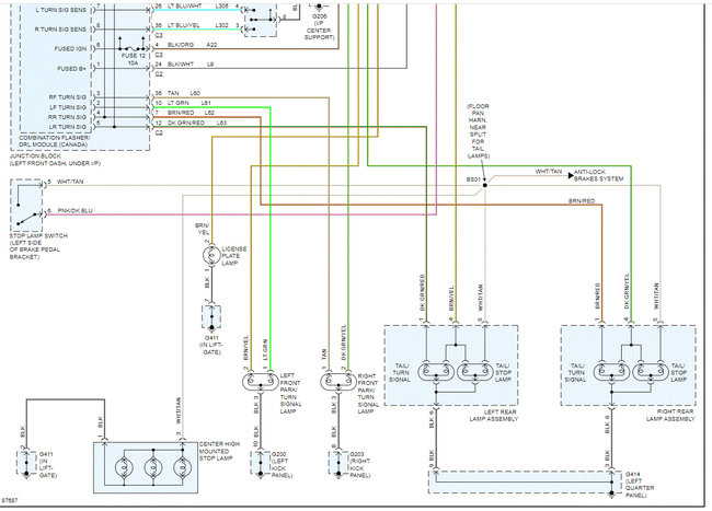
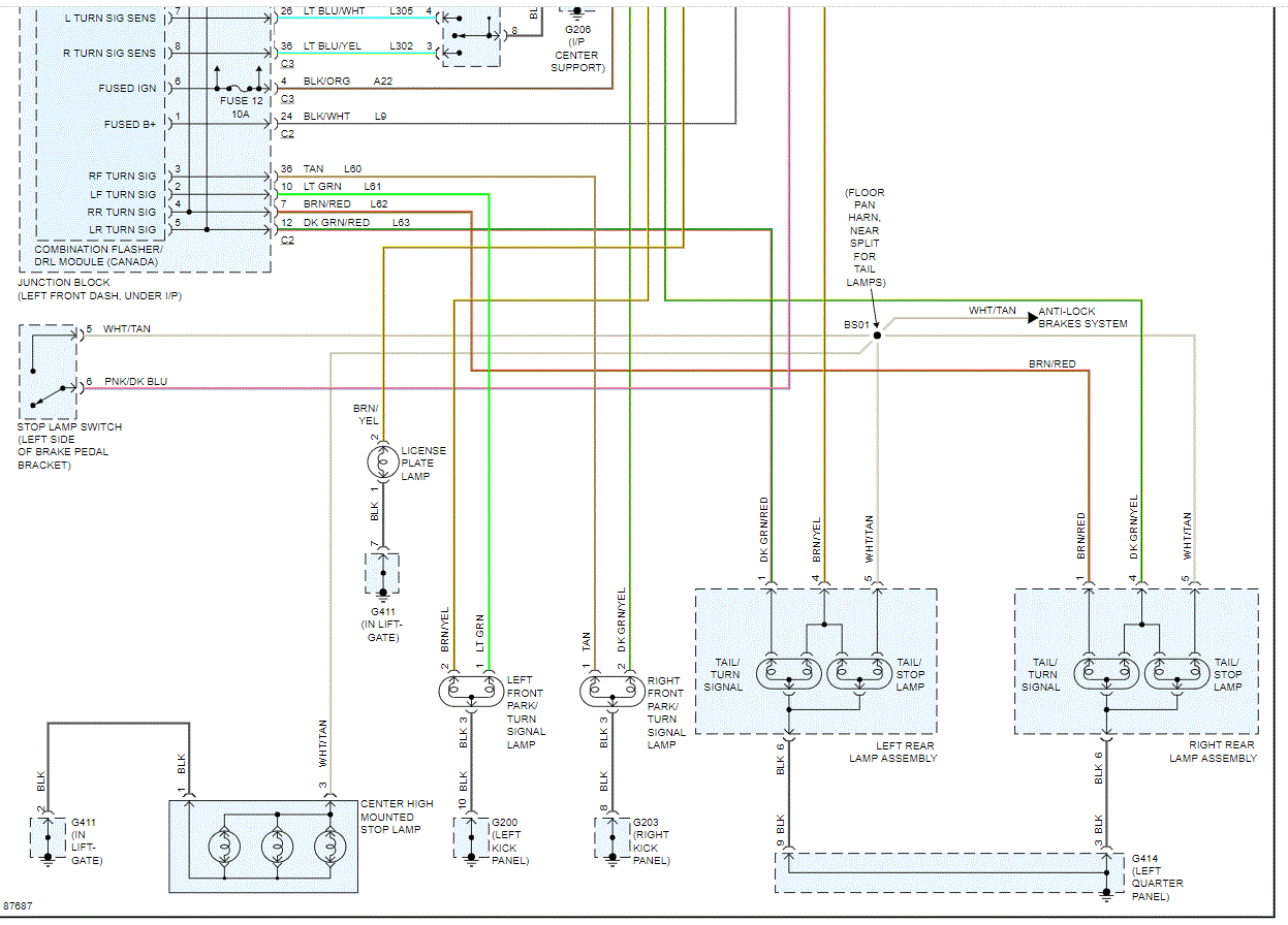
If you look below, I attached the wiring schematics for the exterior lighting. The first thing I'm questioning is the park lamp relay. If you look at the schematics, it shows the location to be in the power distribution box. What I need you to do is this. Remove that relay and confirm the lights went off. Next, if there is another relay with the same part number, switch them to see if it makes a difference. If there isn't one there, here is a link that explains how to test a relay:

https://www.2carpros.com/articles/how-to-check-an-electrical-relay-and-wiring-control-circuit

Let me know what you find or if you have other questions.

Take care,

Joe

See pics below. Pic 3 shows the relay location. (under-hood in the power distribution box)
Was this
answer
helpful?
Yes
No
+2
Tuesday, October 26th, 2021 AT 6:57 PM
Tiny
KENNELDG
  • MEMBER
  • 34 POSTS
I did hear a clicking sound when the park lights were going on and off. But couldn't tell which relay. I tried to remove the park lights relay but couldn't get it out, so I just made sure it is seated firmly. Now the park lights are working properly but since it is a random occurrence, I'll have to check over time if the issue is solved. If that is the case, then thanks so much.

Additional information:
The Park lights always have worked properly when the key is on, whether the sight switch is off, park lights on, or head lights on. It is just when the key is off that the park lights come on randomly with everything turned off.
Was this
answer
helpful?
Yes
No
Wednesday, October 27th, 2021 AT 10:31 AM
Tiny
JACOBANDNICKOLAS
  • MECHANIC
  • 110,194 POSTS
Hi,

Since the relay is too tight to be removed, I wonder if there is a build-up of corrosion. That could cause issues.

Regardless, let me know if things change or if there is anything I can do to help.

Take care and feel free to come back anytime in the future.

Joe
Was this
answer
helpful?
Yes
No
+2
Wednesday, October 27th, 2021 AT 5:24 PM
Tiny
KENNELDG
  • MEMBER
  • 34 POSTS
Okay, so I took out the relay and it is very clean and no corrosion. I thought the issue was fixed with just a firm seating but last night the parking lights came on again at random when no one was around the vehicle. So today I'll switch relays with one with the same number and see if problem is isolated. Anything else to check? Could it be the BCM or ignition switch?
Was this
answer
helpful?
Yes
No
Friday, October 29th, 2021 AT 8:05 AM
Tiny
KENNELDG
  • MEMBER
  • 34 POSTS
Note, that the only time there is an issue is when the key is turned in the off position. All other combinations of ignition switch and light switch work properly.
Was this
answer
helpful?
Yes
No
Friday, October 29th, 2021 AT 8:06 AM
Tiny
KENNELDG
  • MEMBER
  • 34 POSTS
Okay, I exchanged the park light relay with the blower relay that has the same number. The problem still exists which indicates it is not a faulty relay issue. I did notice that pushing in the key while in the off position can sometimes generate the issue with the park lights turning on. But if they are on, then nothing I do with the key while in the off position will turn the lights off. The warning dinger and the park lights are in sync.
Was this
answer
helpful?
Yes
No
Friday, October 29th, 2021 AT 9:17 AM
Tiny
JACOBANDNICKOLAS
  • MECHANIC
  • 110,194 POSTS
So, if you push in on the ignition switch, you can cause the lights to turn on? Do me a favor. Let me know the engine size so I can check the correct ignition switch. If it is happening by pushing in on the switch, it sounds like there is a short to power in the steering column when the key is off.

Let me know.

Joe
Was this
answer
helpful?
Yes
No
Friday, October 29th, 2021 AT 6:46 PM
Tiny
KENNELDG
  • MEMBER
  • 34 POSTS
It's 3.3. There is a pick n pull that might have the correct ignition switch. Is the engine size important for this switch?
Was this
answer
helpful?
Yes
No
Friday, October 29th, 2021 AT 8:37 PM
Tiny
KENNELDG
  • MEMBER
  • 34 POSTS
Sometimes I can cause the issue by pushing in on the key while in the off position. Most times it is a random occurrence.
Was this
answer
helpful?
Yes
No
Friday, October 29th, 2021 AT 8:38 PM
Tiny
JACOBANDNICKOLAS
  • MECHANIC
  • 110,194 POSTS
Hi,

I looked through schematics and the ignition switch itself doesn't have anything to do with the parking lights. Also, the switch is the same regardless of the engine.

Based on the info I was able to find, there must be a short at some point. When you said pushing in on the switch could sometimes cause it, I'm wondering if you are placing pressure on the harnesses inside the column.

If you look at the bottom of the steering column, there will be a wiring harness. Have a helper watch as you wiggle those wires around to see if they come on. If you want to gain better access to the wiring, the column cover can be removed. I attached the directions below for removing it. Since you are not actually replacing the cover, you should be able to simply remove the bolts behind the park brake release and not disconnect the cable. That will get it lowered but not removed.

If the lights come on or even flicker, that could be the issue. It could also be related to a failing switch. Hang in there. We'll figure it out together.

One last thing. I'm not sure if this model year will require reprogramming if the ignition switch is replaced. I don't believe it does, nothing is listed in the manual to indicate it, but anything is possible. Remember, the ignition switch is just that, a switch. It is not the key cylinder lock/tumbler.

Try this and let me know the results.

Take care,

Joe

See pics below: Note: The last pic shows three additional screws that can be removed to take the lower section off the column as well.
Was this
answer
helpful?
Yes
No
Saturday, October 30th, 2021 AT 7:38 PM
Tiny
KENNELDG
  • MEMBER
  • 34 POSTS
I've had this dash apart before for another issue that I'll discuss below that might be related.

Recently the parking lights are on all the time when the key is in the off position, whether I push on the key or not. It is not possible to have them turn off whether I mess with the wiring harness as you recommended or not. I've removed the attachments to the ignition switch and replaced them and worked with the entire wiring harness to see if a loose connection there but that doesn't solve the issue. I currently drive the car with the park light fuse removed unless driving at night. Even so when I turn the key off the dinger sounds unless the door is closed, so that sensor thinks the park lights are still on.

On the possibly related issue, some time ago I had an issue that you or one of your mechanics tried to help me solve. It involves the instrument panel lights not working properly. When the headlights are turned on at night the entire instrument panel including heating and radio come on but within 10 seconds, they fade out completely. We tried everything but eventually came to the conclusion that there may be a fault in the BCM. I am using a $1. Eternal lamp to see the instruments in the event night driving is needed. You may review that thread for more information.
Was this
answer
helpful?
Yes
No
Monday, November 1st, 2021 AT 11:39 AM
Tiny
KENNELDG
  • MEMBER
  • 34 POSTS
I also removed the ignition cylinder and cleaned it, but that didn't help. I was going to remove the ignition switch, clean and/or replace it, but I couldn't get the security screw out. Seems like my tt10 is a little too blunt to fit into the screw. I'll have to get another tt set.
Was this
answer
helpful?
Yes
No
Monday, November 1st, 2021 AT 2:30 PM
Tiny
JACOBANDNICKOLAS
  • MECHANIC
  • 110,194 POSTS
Hi,

I think I recall something related to the dash lights. Since the lights are now on at all times, it could be the switch itself shorted internally.

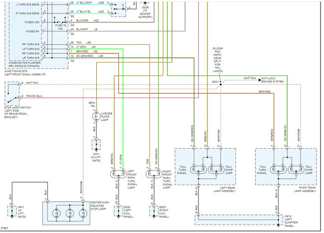
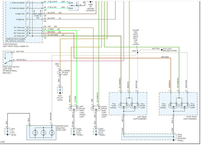
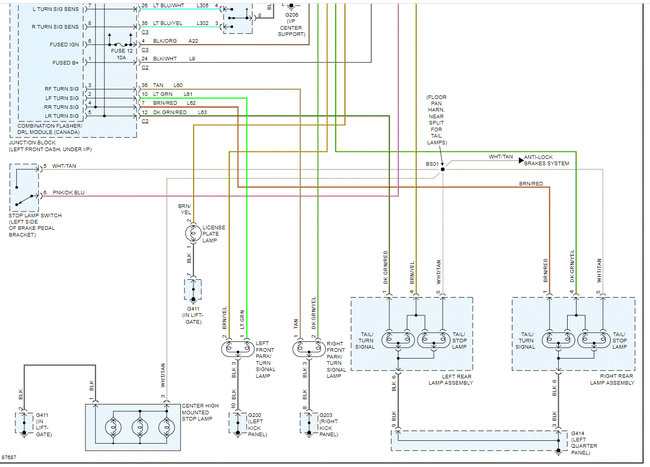
If you look at the pic below, I included the headlamp switch. Note there are two light green wires, one has a red tracer and the other has an orange tracer. With the lights in the off position, check to see if there is power on either of those wires. If there is, then most likely the switch is shorted internally.

Let me know what you find.

Joe
Was this
answer
helpful?
Yes
No
Monday, November 1st, 2021 AT 8:41 PM
Tiny
KENNELDG
  • MEMBER
  • 34 POSTS
There are two green wires to the light switch, one with red and one with white tracer. Both seem to have low voltage current as the dinger goes off when I touch either with a grounded tester. However, the tester light doesn't light so maybe my ground isn't the best. While messing with these wires the issue went away and I thought perhaps the issue is solved so I tried various positions and connections, and everything seemed to be working. So, I put the dash back together and seemed okay but coming out of a store half hour later the park lights were on again. Now it seems intermittent and not on all the time. Perhaps a left over Halloween ghost?
Was this
answer
helpful?
Yes
No
Tuesday, November 2nd, 2021 AT 11:36 AM
Tiny
JACOBANDNICKOLAS
  • MECHANIC
  • 110,194 POSTS
Hi,

If removing and testing the wiring at the switch caused it to become intermittent, that is where I would check for damaged pins in the connector. You mentioned the wiring has voltage to them with the light switch off. That shouldn't be. If I'm reading the schematic correctly, the wires should have power when the lights are on and not off.

Is it possible for you to get a switch and try it? If so, make sure to be careful with the packaging so it can be returned if that isn't the problem.

Let me know.

Joe
Was this
answer
helpful?
Yes
No
Tuesday, November 2nd, 2021 AT 5:17 PM
Tiny
KENNELDG
  • MEMBER
  • 34 POSTS
I already changed out with a used switch. Problem exists with both. It must be in the pin connection on the wiring. I'll see if I can work on that.
Was this
answer
helpful?
Yes
No
Tuesday, November 2nd, 2021 AT 9:22 PM
Tiny
JACOBANDNICKOLAS
  • MECHANIC
  • 110,194 POSTS
Hi,

That is what I would check next, something is powering things when it shouldn't be, so there has to be a short to power at some point.

Let me know what you find.

Joe
Was this
answer
helpful?
Yes
No
Wednesday, November 3rd, 2021 AT 5:03 PM
Tiny
KENNELDG
  • MEMBER
  • 34 POSTS
I had the dash open again today. I replaced the ignition switch with a used one - no change. I put a different light switch in - no change. I checked all the connections and couldn't find an issue.
Problem summary:
- With the power off (whether key in or out) both the park lights are on, and the warning dinger sounds (closing the door silences the dinger but park lights still on).
- Turning the key to the first on position turns off both the park lights and the dinger. All other light switch positions work correctly with the key on and motor running.
Was this
answer
helpful?
Yes
No
Wednesday, November 3rd, 2021 AT 5:55 PM
Tiny
JACOBANDNICKOLAS
  • MECHANIC
  • 110,194 POSTS
Hi,

I just went through the schematics again. I cannot find a light green wire with a white tracer. You indicated that is off the light switch, correct?

Now, since the dinger stops when you use a tester, I need you to try something. It sounds like the ground may be the issue. There should be a black wire from the switch. Simply splice into the black wire and run a jumper to a known good ground and see if that changes things.

Let me know.

Joe
Was this
answer
helpful?
Yes
No
Wednesday, November 3rd, 2021 AT 7:00 PM
Tiny
KENNELDG
  • MEMBER
  • 34 POSTS
Maybe I was confusing by what I said earlier. With the light switch disconnected from the switch, when I touched the tester to either green wire the dinger "sounds", but the 12 v test light does not illuminate. Not sure what voltage is on those wires. I may not get to test the ground wire tomorrow but will let you know when I do.
Was this
answer
helpful?
Yes
No
Wednesday, November 3rd, 2021 AT 7:18 PM

Please login or register to post a reply.