Code P2098, still overheating after replacing the coolant temperature sensor and thermostat?

Tiny
YOUNG348
  • MEMBER
  • 2010 DODGE JOURNEY
  • 2.7L
  • V6
  • AUTOMATIC
  • 156 MILES
Hi there, I am still having the overheating issue with my vehicle.
I have changed the coolant temperature sensor and the thermostat and cleaned out the condenser. Do you have any other suggestions on what it could be? We have also run a check and there is an error that comes up of p2098. Any help will be much appreciated.
Friday, November 18th, 2022 AT 12:06 AM

11 Replies

Tiny
KEN L
  • MASTER CERTIFIED MECHANIC
  • 55,535 POSTS
The p2098 code if for the exhaust system too lean so this is a separate problem you will need to make a new question for. When the engine is overheating does the radiator cooling fan come on? It is common for the fan motors to go out, with the ignition key out of the car try to spin the fan by hand to see if it rotates smoothly if not the fan motor is bad.

Here is a generic guide to help walk you the steps and instructions for your car in the images below:

https://www.2carpros.com/articles/replace-electric-fan-motor

This guide can help as well:

https://www.2carpros.com/articles/engine-overheating-or-running-hot

Check out the images (below). Please let us know what you find. We are interested to see what it is.
Was this
answer
helpful?
Yes
No
Friday, November 18th, 2022 AT 12:57 PM
Tiny
YOUNG348
  • MEMBER
  • 21 POSTS
Hi Ken,

I have just done what you suggested with the fan, and it does rotate smoothly without the keys in the ignition. Do you have any other suggestions on what it could possibly be? Also, I forgot to add that when I changed the coolant temperature sensor it fixed the problem for a couple of weeks before the overheating problem began again. Thank you.
Was this
answer
helpful?
Yes
No
Friday, November 18th, 2022 AT 1:40 PM
Tiny
YOUNG348
  • MEMBER
  • 21 POSTS
Also, my air-conditioning only blows hot air even after having it re-gased, if this may have any effect on the overheating problem.
Was this
answer
helpful?
Yes
No
Friday, November 18th, 2022 AT 1:44 PM
Tiny
KEN L
  • MASTER CERTIFIED MECHANIC
  • 55,535 POSTS
When you turn the air conditioner on do you hear the radiator fan turn on or when the engine is overheating?
Was this
answer
helpful?
Yes
No
Saturday, November 19th, 2022 AT 10:12 AM
Tiny
YOUNG348
  • MEMBER
  • 21 POSTS
Hi Ken, we have double checked the fan while the air conditioning is on, and the fan is not working. What would you suggest we do now? Thanks for your time.
Was this
answer
helpful?
Yes
No
Saturday, November 19th, 2022 AT 6:49 PM
Tiny
KEN L
  • MASTER CERTIFIED MECHANIC
  • 55,535 POSTS
I think you have found the problem. First let's check the fuse # 34 and fuse J19 in the under-hood fuse panel.

here is a guide that can help, check for power at the fuses as well:

https://www.2carpros.com/articles/how-to-check-a-car-fuse

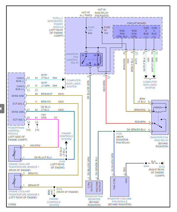
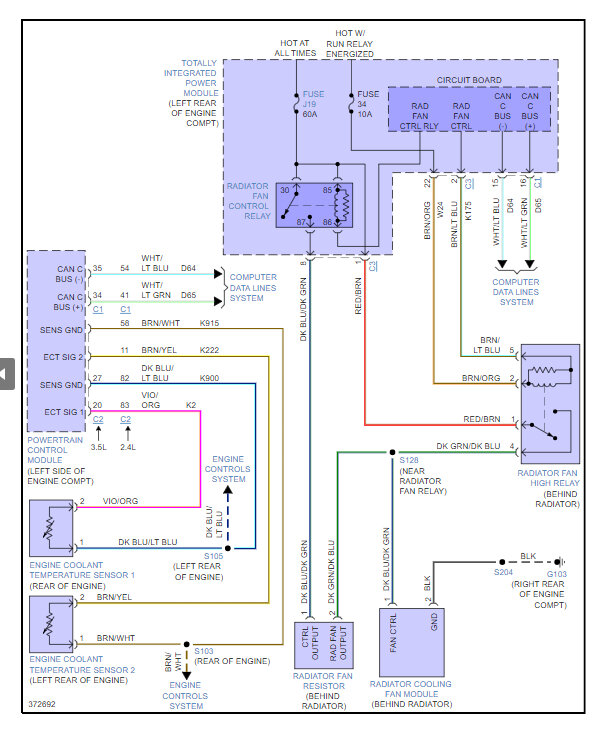
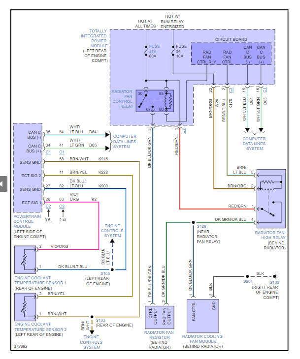
If the fuses are okay, there is a dark blue/dark green wire that goes to the cooling fan resistor behind the radiator that needs to be checked for power while the A/C is on.

https://www.2carpros.com/articles/how-to-use-a-test-light-circuit-tester

Here is the cooling fan wiring diagram so you can see how the system works. You can try to jump the cooling fan to power to test the fan motor as well. Check out the images (below). Please let us know what you find.
Was this
answer
helpful?
Yes
No
+1
Sunday, November 20th, 2022 AT 12:35 PM
Tiny
YOUNG348
  • MEMBER
  • 21 POSTS
Hi Ken, we checked the fuses, and everything is good. We also let the vehicle get up to temperature and the fan did start working. We also swapped the radiator relay with another one but then the temperature on dash stopped working. Also, I find it difficult to find information for the Dodge Journey 2.7l 2010 model. Is there another name we should be using when looking as they come up as a 2.4l or 3.5l which are completely different. Thank you
Was this
answer
helpful?
Yes
No
Monday, November 21st, 2022 AT 8:39 PM
Tiny
KEN L
  • MASTER CERTIFIED MECHANIC
  • 55,535 POSTS
Yep, the relay you swapped may be bad and is now affecting another circuit or this sounds like the famous TIPM is out which is common. Here is how to replace it which is easy because the TIPM self learns. Here is how you can change it out.
Was this
answer
helpful?
Yes
No
Tuesday, November 22nd, 2022 AT 10:15 AM
Tiny
YOUNG348
  • MEMBER
  • 21 POSTS
Hi again, now we are experiencing more problems than before since swapping relays. Most of the dash lights are coming on and staying on and also there is a blinking red light that we have not seen before, and battery light comes on and it is not starting at all. Also, we cannot move into any other gear except park. Do you have any suggestions about what this could be now? Thank you
Was this
answer
helpful?
Yes
No
Wednesday, November 23rd, 2022 AT 1:29 PM
Tiny
KEN L
  • MASTER CERTIFIED MECHANIC
  • 55,535 POSTS
That sounds like the TIPM is deteriorating quickly, I would try replacing the unit to see if that fixes the problem.
Was this
answer
helpful?
Yes
No
+1
Friday, November 25th, 2022 AT 9:15 AM
Tiny
YOUNG348
  • MEMBER
  • 21 POSTS
Thank you again for your reply. Have got a TIPM on the way now.
Was this
answer
helpful?
Yes
No
Friday, November 25th, 2022 AT 1:15 PM

Please login or register to post a reply.