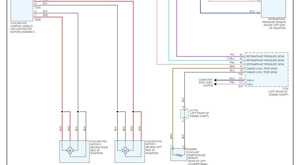
Sunday, April 5th, 2020 AT 11:07 AM
The fans are not working. I have replaced the fans and the relay as well as the temperature sensor. What else can it be? The fans work when I straight wire it.


