Saturday, April 14th, 2018 AT 10:34 AM
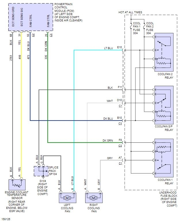
My brothers car had what appeared to be several oil leaks of possibly different types of fluids, so I got a couple of cans of gunk engine cleaner and warmed the vehicle up and then put it up on some jack stands to be able to spray both the top and the bottom thoroughly. After letting that sit for a bit I came back and rinsed it with a garden hose with a fireman style nozzle, but still with your basic 5/8 garden hose. After rinsing everything and trying not to directly spray wires with plugs I used compressed air to blow off standing water and around electrical. I fired the engine and it starts so I shut it off after only letting it run for a minute. The next day fired it up drive it down the road and the fans are not coming on and it is overheating. I checked the fuses and none of them are blown. Any suggestions would be great or how to go about checking the sensors.


