HOME
ASK A QUESTION
REPAIR GUIDES
BECOME A MEMBER
LOG IN
Login with Facebook
OR
Remember me
NOT A MEMBER?
FORGOT PASSWORD?
CONTACT US
PRIVACY POLICY
TERMS AND CONDITIONS
☰
Home
Ford
F-350
Drivetrain
Transmission
Symptoms
Slip
Overdrive flashes on and off?
STEPHSTEPH
MEMBER
1995 FORD F-350
AUTOMATIC
289,000 MILES
Overdrive flashes off. Transmission is slipping.
Monday, July 31st, 2023 AT 2:44 AM
1 Reply
KEN L
MASTER CERTIFIED MECHANIC
54,831 POSTS
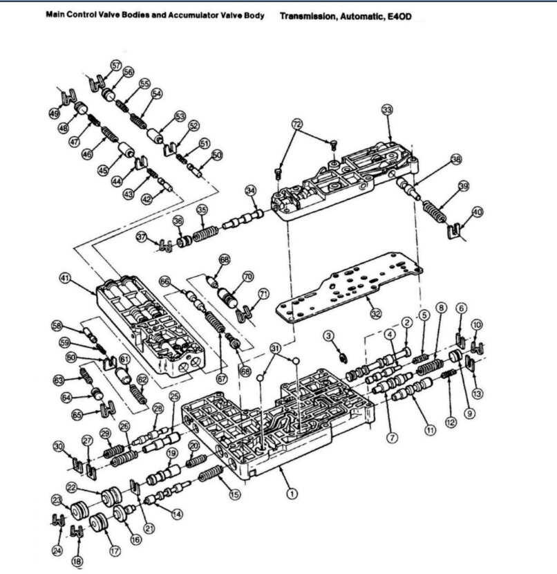
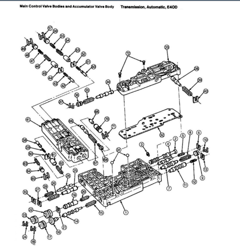
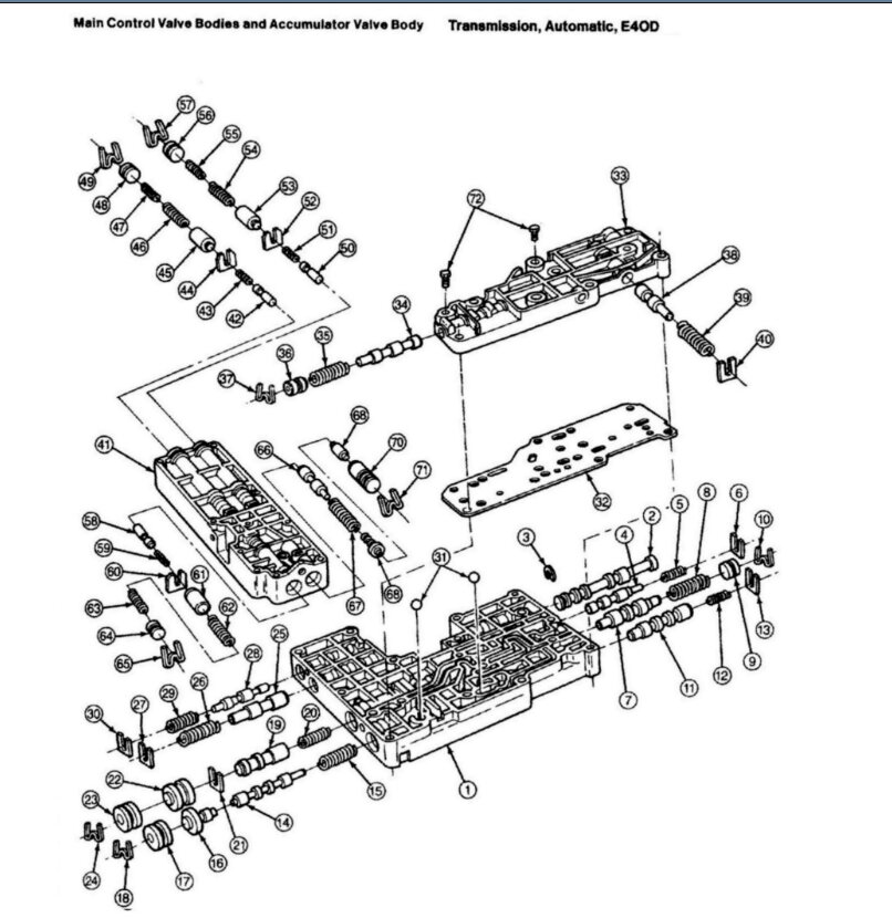
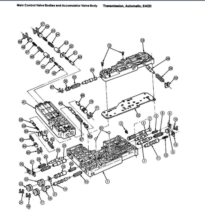
It sounds like it needs to be rebuilt. I would check the fluid level first and maybe service the transmission to see if that helps.
Here are a few guides to help us fix the problem:
https://www.2carpros.com/articles/how-to-check-and-add-transmission-fluid
and
https://www.2carpros.com/articles/how-to-service-an-automatic-transmission
Also, we should run the codes because you might have a pressure regulating solenoid that is not working.
https://www.2carpros.com/articles/checking-a-service-engine-soon-or-check-engine-light-on-or-flashing
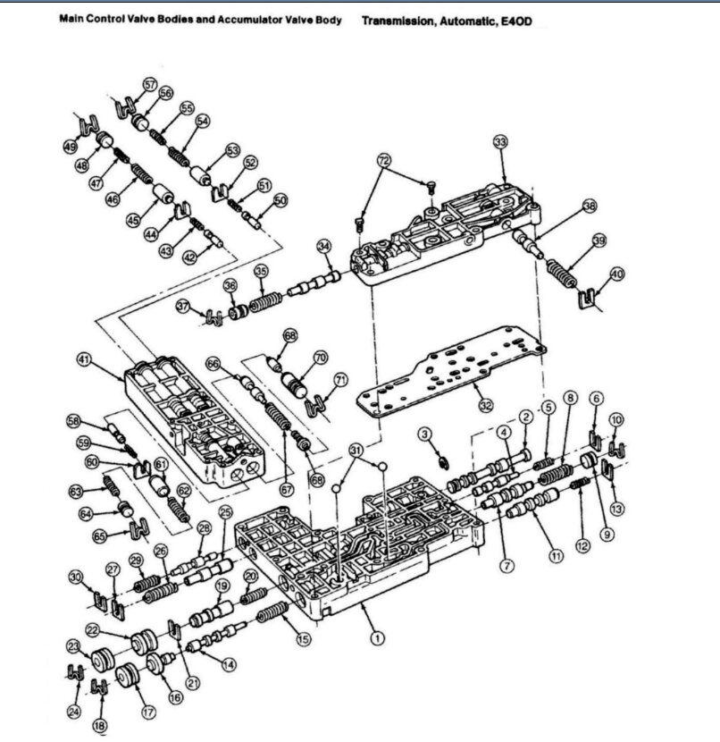
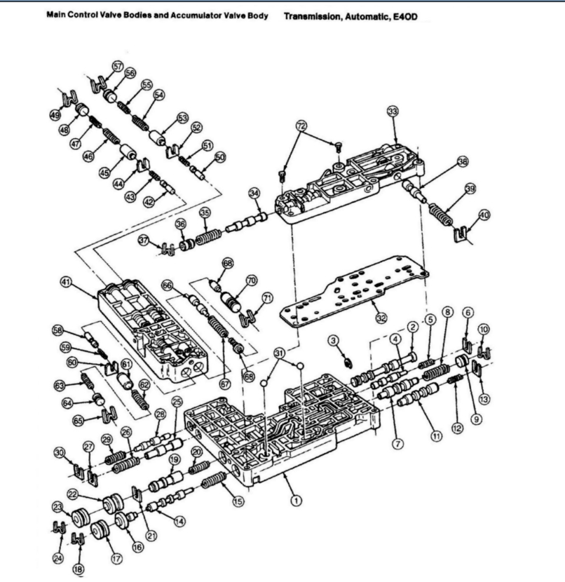
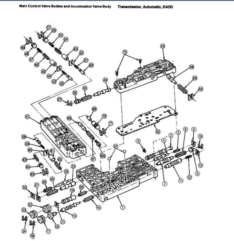
Check out the images (below). Please let us know how it goes
Images (Click to make bigger)
Was this
answer
helpful?
Yes
No
Monday, July 31st, 2023 AT 4:30 PM
Please
login
or
register
to post a reply.
Related Transmission Slip Content
Transmission Slipping
Everything Seems To Be Fine Except When I Get To Around 2000 Rpm And I Am In The Throttle Pretty Good The Rooms Will Jump Up About 500 And...
Asked by
krazy4x4s
·
3 ANSWERS
1999
FORD F-350
Transmission Not Shifting
Our Transmission Is Having Difficulty Shifting Into Gears. It Will Give A Hard Shift When Going Into First Gear. Second And Third Go In...
Asked by
Samoli
·
1 ANSWER
1995
FORD F-350
F-350 Auto Tranny Is Leaking Clean Fluid
Leaking Out Of The Front Inspection Cover And The Transfer Case Is Overflowing. Shifts Fine When There's The Proper Fluid Level. Filter Pan...
Asked by
95chiquita
·
3 ANSWERS
1995
FORD F-350
Not Going Into Gear?
I Have A F350 Super Duty That I Bought Wrecked And It Doesn't Pull In Any Gear. I Checked The Fluid And It Shows Full, I Pulled The...
Asked by
mick41
·
4 ANSWERS
6 IMAGES
2008
FORD F-350
Transmission Fluid Leaked Out
In 4 Wheel Drive, No Heavy Strain, Let Sit For 1 Hour, Filled And Is Not Leaking Now? We Were Out 4 Wheeling Going Up Hill, Smelled...
Asked by
crancky
·
1 ANSWER
2000
FORD F-350
VIEW MORE
Ask a Car Question. It's Free!
Transmission Mount Replacement - RWD Cars
Driveshaft Removal
Transmission Replacement - Manual RWD