Engine Overheating Problem?

Tiny
SUSAN WILLIAMS2
  • MEMBER
  • 2009 VOLKSWAGEN JETTA
  • 2.5L
  • 4 CYL
  • AUTOMATIC
  • 150,000 MILES
Car recently started overheating. Took it to repair shop and they replaced the radiator and thermostat. Car now runs very hot after I get off the freeway and stop at a light, just about in the red but a couple bars from it. Also, I have no heat. AC does not work but I know that is because it needs a new compressor and just cannot afford to fix right now. I only mention it to give you a complete picture. Any advice would be very appreciated.
Monday, November 26th, 2018 AT 11:00 AM

43 Replies

Tiny
JACOBANDNICKOLAS
  • MECHANIC
  • 110,194 POSTS
Hi Susan and thanks for using 2CarPros.

First, if you have no heat, check and confirm the coolant level is not low. Also, since they just replaced the radiator and thermostat, there is a chance there is an air blockage in the system. That should have been taken care of when the work was done.

Next, if the car only overheats when you drive slow or in stop and go traffic, it sounds like the cooling fan may not be working. Pay attention to see if you hear the fan come on when the temperature starts to go beyond normal toward hot. Since they replaced the radiator, they may have simply forgot to reconnect the fan. It would have been out of the car when the rad was replaced. Also, the coolant temperature sensor may have been left disconnected in the radiator.

Take a look through this link:

https://www.2carpros.com/articles/engine-overheating-or-running-hot

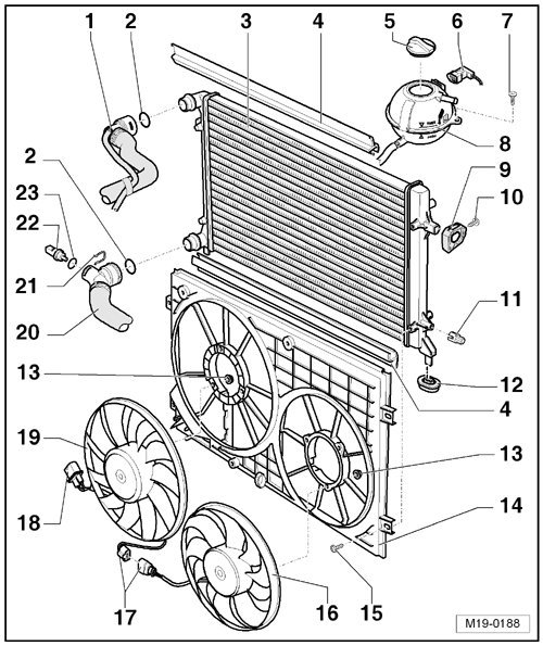
I attached a picture of the radiator and components around it. It should help you to identify where the fan connections and the sensor is located.

Let me know if this helps.

Take care,
Joe

PS: If the coolant level is full, I would go back to the shop that did the work and let them know it is overheating and you have no heat. They need to bleed the system so you have heat. Also, an air blockage can cause it to overheat.
Was this
answer
helpful?
Yes
No
Monday, November 26th, 2018 AT 12:39 PM
Tiny
SUSAN WILLIAMS2
  • MEMBER
  • 4 POSTS
Took it back and they checked everything and decided it must be the water pump. Have not got the car back yet but I hope they are right because that was an additional $500.00. I showed them your response and they said that they had bled the system and they checked the coolant temperature sensor.
Was this
answer
helpful?
Yes
No
Tuesday, November 27th, 2018 AT 2:41 PM
Tiny
JACOBANDNICKOLAS
  • MECHANIC
  • 110,194 POSTS
Hi Susan:

If it was only overheating when stopped, I question that it is the pump. It could be, but I feel there are other things more likely. Did the heater work prior to it overheating? Did you notice if the cooling fan was turning on when it started overheating?

Let me know.

Joe
Was this
answer
helpful?
Yes
No
-1
Tuesday, November 27th, 2018 AT 5:36 PM
Tiny
SUSAN WILLIAMS2
  • MEMBER
  • 4 POSTS
We do not really know if the heat was working prior to over heating problem. In Arizona the heat is seldom necessary. When I got off the freeway and stopped at a light the car would get hot and I pulled into a parking lot and checked and the fan was running. The car would cool down pretty fast after I started driving.
Was this
answer
helpful?
Yes
No
Tuesday, November 27th, 2018 AT 8:13 PM
Tiny
JACOBANDNICKOLAS
  • MECHANIC
  • 110,194 POSTS
Okay, if you heard the fan, then there is a better chance it is the water pump. I just do not want you to get taken.

Arizona. You have no idea how much I have always wanted to see the state. I am near Pittsburgh. Tonight, it is 23 degrees, snowing and blowing. Ugh! If heaters do not work here, we are in trouble. LOL I have always wanted to come there to find an old muscle car. Maybe someday. Until then, I will watch everything nice rust away here.

Anyway, I would like you to ask the tech one more thing. Take a look at this. It is basically the same as what you are dealing with. And the water pump was replaced, but the vehicle still overheated. They found a kinked hose was the problem. Read through this and consider asking the tech if the lower radiator hose gets hot and if he could check the specific hose mentioned. I attached a picture which shows hose number 2.

____________________________________

Replaced Thermostat and Water Pump Already, No Change.

When Run with Out Thermostat, Vehicle Does Not Overheat, and Engine Temperature Does Not Exceed 140 Degrees.

Cooling Fans cycle as Specified.

With thermostat installed the lower hose never gets hot.

Overheating

We found heater output was insufficient.

We flushed out the heater core and heater output improved, but not very much.

TECH-ASSIST
02/09/2017 | 09:56:37
1 Repair(s) Available
Verified Repairs(2)
TECH-ASSIST
02/09/2017 | 10:19:06
After multiple vacuum drain and fills, condition remains the same, doesn't seem to have an air pocket.

Vehicle doesn't boil over, just runs hot and warning light will flash. Fans come on.

We looked at the flow diagram found the #2 hose in the diagram hits squarely at the back of the Thermostat, because of the way of the outlet line back to Thermostat housing, it caused the overheat condition along with poor heater operation.

Replaced the Heater Core, over heat issue solved.

______________________________

Take care of yourself. Feel free to let me know if you have any other questions. Also, I wish you and your family a nice holiday season.

Joe
Was this
answer
helpful?
Yes
No
Tuesday, November 27th, 2018 AT 8:48 PM
Tiny
SUSAN WILLIAMS2
  • MEMBER
  • 4 POSTS
Thank you so much for all your help. The mechanic just called and said the car was ready and fixed. He said that it was the water pump and that he changed out the thermostat too just to be safe. He also said (this is interesting) that the car still will not have heat. I asked why and the said because it also needs a heater core. I suspect that is what it needed all along and now they have circumvented the heating system because they knew I would blow up if they told me that the water pump did not fix the problem. I will pick up the car tomorrow and pay the $550.00 but I am not going back there. In fact this car has seen the last of my money it maybe time for a new one. Again, thank you. I wish I had reached out before I took it to them. Live and learn.
Was this
answer
helpful?
Yes
No
Friday, November 30th, 2018 AT 5:00 PM
Tiny
JACOBANDNICKOLAS
  • MECHANIC
  • 110,194 POSTS
Susan:

I wish I could have helped more. It is possible that the blocked heater core was the problem, but the pump may have been bad too. When you get the car, ask why the heater core needs replaced. Is it blocked, leaking. Also, and just for the heck of it, check that hose I attached a picture of to see if it was bypassed.

Take care and I wish you and your family a great holiday season.

Joe
Was this
answer
helpful?
Yes
No
Friday, November 30th, 2018 AT 8:23 PM
Tiny
ROVITO78
  • MEMBER
  • 2 POSTS
  • 2005 VOLKSWAGEN JETTA
  • 120,500 MILES
I have two questions:

1. I have a 2005 VW Jetta Gli 1.8 turbo, it is overheating but not all the time. No sure what the concern is or where to start to see what the concern is?
2. Also we have replaced the battery in the vehicle twice within three months. The first one we bought found to have a dead cell. Well the replacement battery is not holding a charge either. The vehicle is ran/driven only about 1-3 times a week. But with a new battery should not have a concern. Tested the alternator and had standard voltage. What else could pull such a large draw to kill the battery? Or what could be the issue of why not holding a charge?

Thanks
Was this
answer
helpful?
Yes
No
Monday, July 27th, 2020 AT 1:52 PM (Merged)
Tiny
JACOBANDNICKOLAS
  • MECHANIC
  • 110,194 POSTS
As far as the overheating, check the thermostat, make sure coolant level is full, and make sure the radiator isn't corroded inside.

As for the alt / att, check to see if there is a draw on the battery. There are directions on our homepage under the DIY section. If there is a draw, remove one fuse at a time to locate which circuit is causing the draw and check it.
Was this
answer
helpful?
Yes
No
Monday, July 27th, 2020 AT 1:52 PM (Merged)
Tiny
JERRY1211
  • MEMBER
  • 1 POST
  • 2003 VOLKSWAGEN JETTA
  • 4 CYL
  • 2WD
  • MANUAL
  • 65,800 MILES
My daughter just bought a 2003 Jetta. Two weeks later and now it over heats. She took it to the local Saab/ Volkswagon Dealer. The first trip in they said they could find nothing. She picked it up and it overheated half way home. It went back in today and they want to change the water pump.
My question. Should I change the thermostat first, and if it still overheats then change the waterpump? My concern is they didn't really give me a good answer when I asked them why the water pump and not the thermostat as the problem. They kind of refered to this as a common problem with Jettas. What do you think?
Was this
answer
helpful?
Yes
No
Monday, July 27th, 2020 AT 1:52 PM (Merged)
Tiny
LEGITIMATE007
  • MECHANIC
  • 5,121 POSTS
Well yes it could definitely be the thermostat sticking, this is why I never deal with dealers and one of the reasons why I went to school for this. It could also be your engine coolant temp sensor and or possibly a clogged radiator, I dont see how the water pump is the problem if the water pump is not leaking nor is it making any kind of foul noise. But if it is under warranty still and is gonna be Free and make sure of that, then go ahead, Ill take a free waterpump with installlation. And whatever else they are gonna change for free, I know that is not the issue, but yes, you are absolutely correct
Was this
answer
helpful?
Yes
No
Monday, July 27th, 2020 AT 1:52 PM (Merged)
Tiny
WISVIKING94
  • MEMBER
  • 1 POST
  • 2003 VOLKSWAGEN JETTA
Engine Cooling problem
2003 Volkswagen Jetta 4 cyl Front Wheel Drive Manual

my jetta is overheating while I at 60 miles an hour. When I stop the temp goes back down to 180. Is it the water pump or could it be sensor related?
Was this
answer
helpful?
Yes
No
Monday, July 27th, 2020 AT 1:52 PM (Merged)
Tiny
BLUELIGHTNIN6
  • MECHANIC
  • 16,542 POSTS
Are your cooling fans coming on? May be insufficient flow of coolant caused by dirty radiator. Is the water pump leaking or making any unusual noise? They normally do this if they are failing.
Was this
answer
helpful?
Yes
No
Monday, July 27th, 2020 AT 1:52 PM (Merged)
Tiny
VAUGHNJM1
  • MEMBER
  • 1 POST
  • 2003 VOLKSWAGEN JETTA
  • 4 CYL
  • 2WD
  • AUTOMATIC
  • 80,000 MILES
The car overheat when driven faster than 65 mph or when climbing up a grade greater than 3%
Was this
answer
helpful?
Yes
No
Monday, July 27th, 2020 AT 1:52 PM (Merged)
Tiny
BURNSR4
  • MEMBER
  • 2 POSTS
Most likely a water pump. The water pump has plastic impellers and they start to break, actually break in half. You can tell if it is the water pump by taking out the thermostat and reaching in and feeling with your fingers. The water pump is located to the left, feel for anything that is not secure, it will usually be the broken impeller of the water pump. They typically go around 80 to 100 thousand miles. The only thing is that you should change the timing belt as well, as the pump is run by the timing belt. Kind of a big job, but I did it a few weeks ago and it actually was not that bad. Good luck.
Was this
answer
helpful?
Yes
No
Monday, July 27th, 2020 AT 1:52 PM (Merged)
Tiny
BASHANT07
  • MEMBER
  • 2 POSTS
  • 2002 VOLKSWAGEN JETTA
  • 4 CYL
  • AWD
  • AUTOMATIC
  • 59,105 MILES
I decided I was gonna show off my car one night and I go on it real hard. It started to overheat to I pulled over and turned it off for about 5 minutes. I started it and waited to see if it got hot again and it didn't so I started to drive it home. Then it started to get hot again so I pulled over again and decided to call my mom and just leave it there. What do you think the problem could be. There is no leaking fluid, so I don't think that it could be the water pump. And there was no smoke. My only guess is the tremostat. Whats your ideas?
Was this
answer
helpful?
Yes
No
Monday, July 27th, 2020 AT 1:52 PM (Merged)
Tiny
JUSTIN FREED
  • MEMBER
  • 87 POSTS
Do easiest things first. Check coolant level and ensure it is correct. Make an extra effort to look for coolant leaks. If nothing shows up, then try the thermostat. You should also flush your system at the same time.
Was this
answer
helpful?
Yes
No
Monday, July 27th, 2020 AT 1:52 PM (Merged)
Tiny
STUCKEYWILL
  • MEMBER
  • 1 POST
  • 2002 VOLKSWAGEN JETTA
  • 4 CYL
  • 2WD
  • MANUAL
  • 150,000 MILES
My 2002 Volkswagen Jetta had a cracked water distribution pipe and I replaced the part. Fixed the leak, but then the car started running hot because the water will not circulate through the engine. Checked for trapped air, and replaced the thermostat and I still cannot get coolant circulation. What is my problem?
Was this
answer
helpful?
Yes
No
Monday, July 27th, 2020 AT 1:52 PM (Merged)
Tiny
VWTECH83
  • MEMBER
  • 39 POSTS
At the coolant reservoir there is a small hose that is connected to the top of it. Remove this hose and take cap off of reservoir. Have a second person start car and rev the engine to 2000-3000 RPM. If no coolant or water comes out of this hose then your water pump is faulty and will need to be replaced. Also if you replace water pump make sure you replace timing belt and tensioner since water pump is timing belt driven. Let me know if any other questions
Was this
answer
helpful?
Yes
No
Monday, July 27th, 2020 AT 1:52 PM (Merged)
Tiny
SERIGHT28
  • MEMBER
  • 1 POST
  • 2002 VOLKSWAGEN JETTA
  • 2.8L
  • FWD
  • AUTOMATIC
  • 148,000 MILES
My car over heats but I have plenty of coolant and oil. I haven't heard the electric cooling fans kick on and there is also a leak from the big hose that goes from the engine into the bottom of the radiator at the joint connecting it to the radiator. It's just a few drops every so often. In not sure where to start. What would you do?
Was this
answer
helpful?
Yes
No
Monday, July 27th, 2020 AT 1:52 PM (Merged)

Please login or register to post a reply.