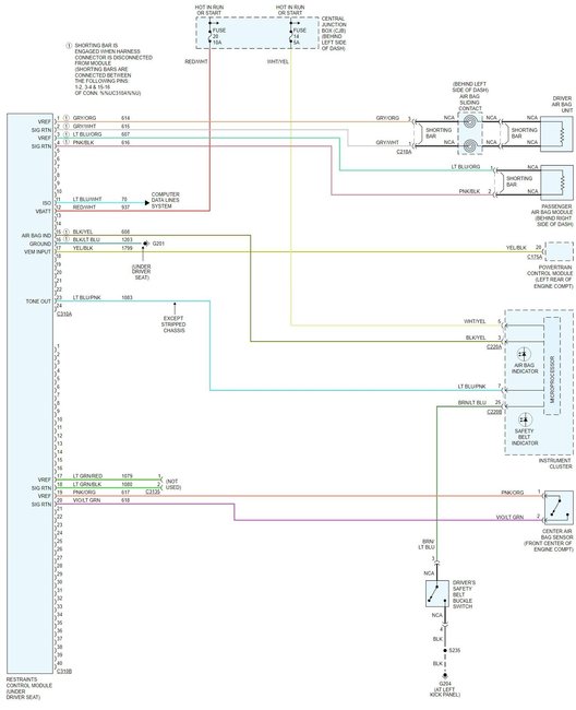
You need the ignition switch turned on, and the circuit with the problem turned on. Both test points on a fuse should have 12 volts. If you find a fuse with 0 volts on both sides, that circuit isn't turned on and a blown fuse would be irrelevant to the story. What you're looking for is a fuse that has 12 volts on one test point and 0 volts on the other.
Fuses often blow from the current surge when connecting the battery. All that's needed is to replace those. If a fuse blows again, either immediately, or intermittently, I have a trick for working with that.
Was this helpful?
Yes
No
+1
Tuesday, July 28th, 2020 AT 10:32 AM
(Merged)





