Only left front turn signal not working

Tiny
MRBINGO39
  • MEMBER
  • 2005 PONTIAC GRAND PRIX
  • 3.5L
  • 6 CYL
  • 2WD
  • AUTOMATIC
  • 120,090 MILES
Can't get front left turn signal to work. Changed bulb. Can't get power to light but fog light fine and all other lights fine.
Thursday, September 24th, 2020 AT 8:41 PM

1 Reply

Tiny
DANNY L
  • MECHANIC
  • 5,648 POSTS
Hello, I'm Danny.

It sounds like you are having a wiring issue. You will need to check for a bad, loose, corroded , melted, or otherwise defective connection. I would also check to see if you are having a good ground connection. Here is a tutorial showing how to check wiring:

https://www.2carpros.com/articles/how-to-check-wiring

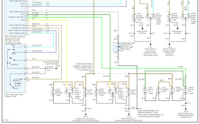
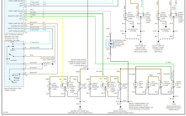
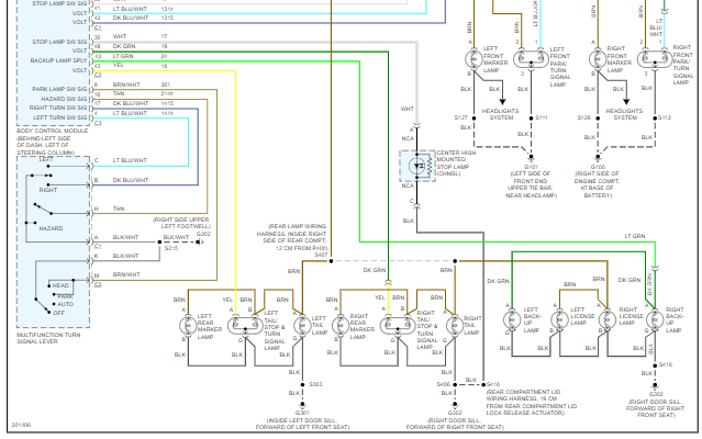
I've attached a exterior lighting wiring diagram for your vehicle below. I've cut the picture into 2 pieces so you can view larger. Hope this helps and let me know if you have any further questions on this issue. Thanks for using 2CarPros.
Was this
answer
helpful?
Yes
No
Friday, September 25th, 2020 AT 3:50 PM

Please login or register to post a reply.