Tuesday, March 31st, 2009 AT 11:57 AM
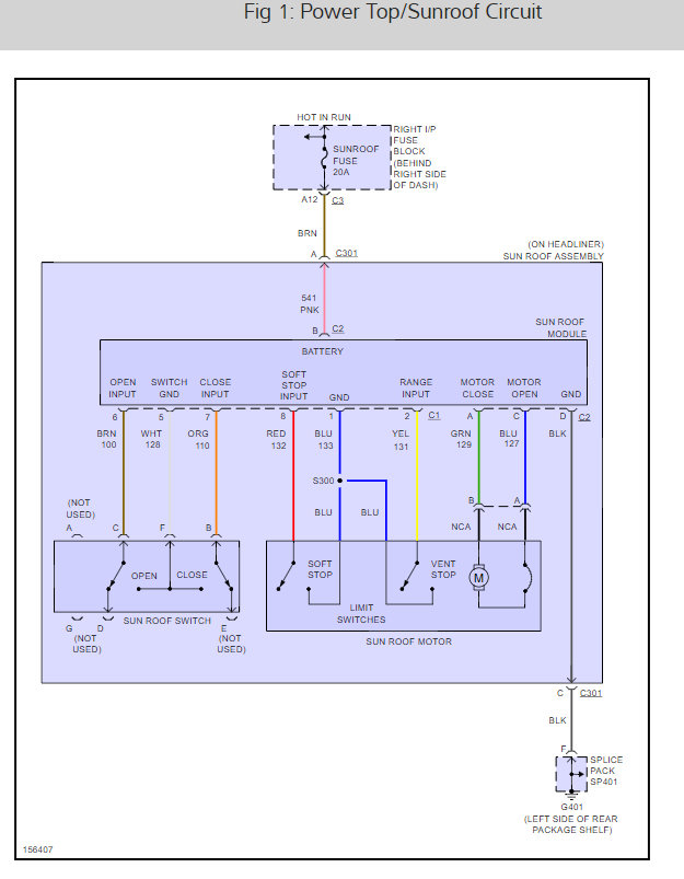
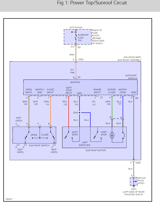
My sunroof is stuck in the vent open position and will not close. The sunroof continues to open and close regularly, but the vent stays open. I assume this is an electrical problem and replaced the fuse for the sunroof, but it did nothing. Can you let me know if you have seen this before and what I can do to fix it.

