Impact Bar Replacement - Front Bumper
Removal Procedure

Remove the front bumper fascia.
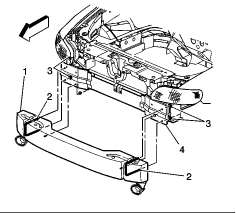
Remove the energy absorber (1).
Disconnect the electrical connector to the fog lamps, if equipped.
Remove the fog lamps from the impact bar, if equipped.

Remove the electrical harness connectors (2).
Remove the nuts (3) from the impact bar.
Remove the push-in retainers from the air dam to the impact bar and reposition the air deflector.
Remove the impact bar (1) from the vehicle.
Installation Procedure
Install the fog lamps on the impact bar.
Install the push-in retainers from the air dam to the impact bar and reposition the air deflector.

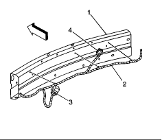
Position the impact bar (1) to the vehicle. Notice: Refer to Fastener Notice in Service Precautions.
Install the front impact bar nuts (3). Tighten the front impact bar nuts to 27 N.m (20 lb ft).

Install the electrical harness connectors (2).
Install the energy absorber.
Reposition the air deflector to the impact bar.
Install the push-in retainer to the lower air deflector.
Install the front bumper fascia.
https://www.2carpros.com/kpages/auto_repair_manuals_alldata.htm
Wednesday, August 11th, 2010 AT 2:32 AM