Oil pan gasket replacement

Tiny
ASEMASTER6371
  • MECHANIC
  • 52,796 POSTS
Good morning,

Did you remove the cross bar from the frame?

Jacking up the motor and removing the cross frame is what I do. I had one where I had to unbolt the pick up tube and remove it to get the pan out as well.

Can you upload some pictures of what you see?

Roy
Was this
answer
helpful?
Yes
No
Saturday, December 12th, 2020 AT 9:15 AM (Merged)
Tiny
ERIC67
  • MEMBER
  • 2 POSTS
Hi Roy,

Thank you for your response, but as it turns out, I could've swore that I got both nuts out where the black plugs are, I even looked in both holes two to three times as I was making sure I dis-connected everything. There was one of the nuts not quite unscrewed all the way, I am feeling pretty embarrassed today! Thank you again and I apologize for wasting your time, Eric67
Was this
answer
helpful?
Yes
No
Saturday, December 12th, 2020 AT 9:15 AM (Merged)
Tiny
ASEMASTER6371
  • MECHANIC
  • 52,796 POSTS
You are welcome.

Not wasting time at all.

Always glad to help.

Roy
Was this
answer
helpful?
Yes
No
Saturday, December 12th, 2020 AT 9:15 AM (Merged)
Tiny
SHADE TREE
  • MEMBER
  • 1 POST
  • 2002 CHEVROLET SILVERADO
  • V8
  • 4WD
  • 260,000 MILES
Do I have to jack motor up to get oil pan off of 02 chevy 2500 4x4.
I need to replace oring on oil suction tube
Was this
answer
helpful?
Yes
No
Saturday, December 12th, 2020 AT 9:15 AM (Merged)
Tiny
MERLIN2021
  • MECHANIC
  • 17,250 POSTS
Removal Procedure

Fig. 175: View Of Inner Axle Housing Nuts
1. If equipped with four wheel drive (4WD), remove the inner axle housing nuts and washers
from the bracket.
2. Support the front drive axle with a suitable jack.
Fig. 176: View Of Differential Carrier Lower Mounting Bolt
3. If equipped with 4WD, remove the differential carrier lower mounting bolt and nut.
Fig. 177: View Of Differential Carrier Upper Mounting Bolt
4. If equipped with 4WD, remove the differential carrier upper mounting bolt and nut.
5. Lower the front drive axle.
Fig. 178: View Of Transmission Cover Bolt
6. Remove the transmission cover bolts.
Fig. 179: Identifying Oil Pan Skid Plate
7. If equipped, remove the oil pan skid plate bolts.
8. Remove the oil pan skid plate.
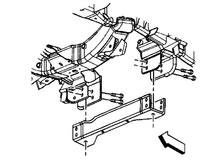
Fig. 180: View Of Crossbar Bolts & Bar (2WD)
9. Remove the crossbar bolts.
10. Remove the crossbar.
Fig. 181: View Of Left Closeout Cover & Bolt
11. Remove the transmission cover bolt and cover.
12. Drain the engine oil and remove the engine oil filter.
13. Re-install the drain plug and oil filter until snug.
Fig. 182: Identifying Stud & Bolt Securing Transmission To Engine (Right Side)
14. If equipped with the 4L60-E automatic transmission, remove the transmission bolt and stud on
the right side.
Fig. 183: Identifying Six Studs & One Bolt Securing Transmission To Engine
15. Remove the bottom bolt on the left side.
Fig. 184: View Of Transmission Converter Cover Bolt (4L80-E)
16. If equipped with the 4L80-E automatic transmission, remove the transmission converter cover
bolts.
Fig. 185: Stud And Bolt Securing The Transmission To The Engine
17. If equipped with a manual transmission, remove the two bottom bellhousing bolts.
Fig. 186: Identifying Electrical Connector (Right Side Of Engine)
18. Disconnect the oil level sensor electrical connector (6).
Fig. 187: View Of Positive Battery Cable, Channel & Bolt
19. Remove the battery cable channel bolt.
20. Slide the channel pin out of the oil pan tab.
Fig. 188: View Of Positive Battery Cable Clip & Bolt
21. Remove the positive battery cable clip bolt and clip.
Fig. 189: Oil Pan & Bolts
22. Remove the oil pan bolts.
23. Remove the oil pan.
Fig. 190: Oil Pan Gasket Retaining Rivets
24. Drill (3) out the oil pan gasket retaining rivets (2), if required.
25. Remove the gasket (1) from the pan.
IMPORTANT: DO NOT allow foreign material to enter the oil passages of the oil
pan, cap or cover the openings as required.
26. Discard the gasket and rivets.
27. Clean and inspect the engine oil pan.

Installation Procedure

Fig. 191: View Of Sealant Applied To Front Oil Pan-To-Engine Block Junction
1. Apply a 5 mm (0.20 in) bead of sealant GM P/N United States 12378190, or equivalent 20 mm
(0.80 in) long to the engine block. Apply the sealant directly onto the tabs of the front cover
gasket that protrudes into the oil pan surface.
Fig. 192: View Of Sealant Applied To Rear Oil Pan-To-Engine Block Junction
2. Apply a 5 mm (0.20 in) bead of sealant GM P/N United States 12378190, or equivalent 20 mm
(0.8 in) long to the engine block. Apply the sealant directly onto the tabs of the rear cover
gasket that protrudes into the oil pan surface.
Fig. 193: Oil Pan & Bolts
3. Pre-assemble the oil pan gasket to the pan.
? Install the gasket onto the pan.
? Install the oil pan bolts to the pan and through the gasket.
4. Install the oil pan, gasket and bolts to the engine block.
5. Tighten the oil pan bolts until snug. Do not overtighten.
Fig. 194: Manual Transmission Bellhousing Bolts
6. Install the two bottom bellhousing bolts until snug, if equipped with a manual transmission.
IMPORTANT:
? The alignment of the structural oil pan is critical. The rear bolt
hole locations of the oil pan provide mounting points for the
transmission bellhousing. To ensure the rigidity of the
powertrain and correct transmission alignment, it is important
that the rear of the block and the rear of the oil pan must NEVER
protrude beyond the engine block and transmission bellhousing
plane.
? Do not reuse the oil pan gasket.
? It is not necessary to rivet the NEW gasket to the oil pan.
IMPORTANT: Be sure to align the oil gallery passages in the oil pan and engine
block properly with the oil pan gasket.

Fig. 195: View Of Transmission Converter Cover Bolt (4L80-E)
7. Install the transmission converter cover bolts until snug, if equipped with the 4L80-E automatic
transmission.
Fig. 196: Identifying Stud & Bolt Securing Transmission To Engine (Right Side)
8. Install the transmission bolt and stud on the right side until snug, If equipped with the 4L60-E
automatic transmission.
Fig. 197: Identifying Six Studs & One Bolt Securing Transmission To Engine
9. Install the bottom bolt on the left side until snug.
Tighten:
1. Tighten the oil pan, and oil pan-to-front cover bolts to 25 N.M (18 lb ft).
2. Tighten the oil pan-to-rear cover bolts to 12 N.M (106 lb in).
3. Tighten the bellhousing, converter cover, and transmission bolts/stud to 50 N.M (37 lb
ft).
Fig. 198: View Of Positive Battery Cable Clip & Bolt
10. Install the positive battery cable clip and bolt to the oil pan.
Tighten: Tighten the positive battery cable clip bolt to 9 N.M (80 lb in).
Fig. 199: View Of Positive Battery Cable, Channel & Bolt
11. Slide the channel pin in to the oil pan tab.
12. Install the battery cable channel bolt.
Tighten: Tighten the battery cable channel bolt to 12 N.M (106 lb in).
Fig. 200: Identifying Electrical Connector (Right Side Of Engine)
13. Connect the oil level sensor electrical connector (6).
Fig. 201: View Of Left Closeout Cover & Bolt
14. Install the transmission cover and bolt.
NOTE:
Refer to Fastener Notice in Cautions and Notices.

Tighten: Tighten the transmission cover bolt to 12 N.M (106 lb in).
Fig. 202: View Of Crossbar Bolts & Bar (2WD)
15. Install the crossbar.
16. Install the crossbar bolts.
Tighten: Tighten the crossbar bolts to 100 N.M (74 lb ft).
Fig. 203: Identifying Oil Pan Skid Plate
17. If equipped, install the oil pan skid plate.
18. Install the oil pan skid plate bolts.
Tighten: Tighten the oil pan skid plate bolts to 20 N.M (15 lb ft).
Fig. 204: View Of Transmission Cover Bolt
19. Install the transmission cover bolts.
Tighten: Tighten the transmission cover bolt to 12 N.M (106 lb in).
Fig. 205: View Of Differential Carrier Upper Mounting Bolt
20. Raise the front drive axle into position.
21. If equipped with 4WD, install the differential carrier upper mounting bolt and nut until snug.
Do not tighten at this time.
Fig. 206: View Of Differential Carrier Lower Mounting Bolt
22. If equipped with 4WD, install the differential carrier lower mounting bolt and nut.
Tighten: Tighten the bolts to 100 N.M (75 lb ft).
Fig. 207: View Of Inner Axle Housing Nuts
23. If equipped with 4WD, install the inner axle housing nuts and washers to the bracket.
Tighten: Tighten the nuts to 100 N.M (75 lb ft).
24. Remove the jack from the front drive axle.
25. Install new engine oil and a new oil filter. Refer to Engine Oil and Oil Filter Replacement. Courtesy of GENERAL MOTORS CORP.
Was this
answer
helpful?
Yes
No
Saturday, December 12th, 2020 AT 9:15 AM (Merged)
Tiny
LOCKNUOUT
  • MEMBER
  • 4 POSTS
  • 2000 CHEVROLET SILVERADO
  • 215,000 MILES
Left side motor near oil filter, there is a boss on the pan but not drilled for bolt. Cleaned motor when not running doesn't leak. Engine running see air bubbles pushing oil out around that boss where no bolt is at. Cant find PCV vavle. Any suggestions?
Was this
answer
helpful?
Yes
No
Saturday, December 12th, 2020 AT 9:16 AM (Merged)
Tiny
TY ANDERSON
  • MECHANIC
  • 719 POSTS
Just to clarify. There is a cap that is bolted (only 2 bolts) to the engine block just above the engine oil filter. If so this is capped off and is designed for an auxiliary engine oil cooler (if equipped). I've seen a lot of these leak (and engine oil pan gaskets) make sure you order the gasket without the engine oil cooler gasket because the gaskets are different between the two.
The reason it leaks with the engine running is because this cap is just after engine oil pump. Hope this is what your talking about.
Was this
answer
helpful?
Yes
No
+1
Saturday, December 12th, 2020 AT 9:16 AM (Merged)
Tiny
LOCKNUOUT
  • MEMBER
  • 4 POSTS
Yes that was first thing I checked. Leak is just forward of oil filter at pan rail. And it looks like its being pushed out by excessive crank pressure. Can see little air bubbles at pan rail and motor only when running. Weird leak
Was this
answer
helpful?
Yes
No
Saturday, December 12th, 2020 AT 9:16 AM (Merged)
Tiny
TY ANDERSON
  • MECHANIC
  • 719 POSTS
Is there any way you post a picture of the area or is it where the engine oil pan gasket is? A higher mileage engine will have more blow-by gases creating greater positive pressure inside the crankcase for the ventilation system to handle. Did you check the PCV valve on the valve cover?
Was this
answer
helpful?
Yes
No
Saturday, December 12th, 2020 AT 9:16 AM (Merged)
Tiny
LOCKNUOUT
  • MEMBER
  • 4 POSTS
I will get a pic to u tomorrow. Probably evening time. Thanks. And I've looked for Pcv valve Havnt found one yet and have heard some of these 5.3 don't have?
Was this
answer
helpful?
Yes
No
Saturday, December 12th, 2020 AT 9:16 AM (Merged)
Tiny
TY ANDERSON
  • MECHANIC
  • 719 POSTS
The positive crankcase ventilation system is on every internal combustion engine. Whether it is a valve or a fixed orifice there is some sort of ventilation to handle the blow-by gases. These pipe fitting have been known to coke up and restrict flow of theses gases going back into the intake. So, if there is no place for these gases to go the pressure inside the crankcase builds until the weakest components start to leak; such as: the crankshaft seals, valve cover gaskets, engine oil pan gaskets. Make sure all of the pipe fittings of the PCV system are free of coking. Hope this helps. I would explain why the oil is bubbling at the gasket.
Was this
answer
helpful?
Yes
No
Saturday, December 12th, 2020 AT 9:16 AM (Merged)
Tiny
BDOSS01
  • MEMBER
  • 1 POST
  • 2000 CHEVROLET SILVERADO
Engine Performance problem
2000 Chevy Silverado V8 Four Wheel Drive Automatic

hubby went to change his oil and the plug was stripped. Bought another plug and got the vice grips and well it wont come loose. Any suggestions, so far he has even tried cooling the truck. It is his baby. He is stressing over not being able to change the oil at 3000 km.
Was this
answer
helpful?
Yes
No
Saturday, December 12th, 2020 AT 9:16 AM (Merged)
Tiny
MHPAUTOS
  • MECHANIC
  • 31,937 POSTS
HI there,

Go get a nut welded on to the old plug, they can weld the nut on the inside and you will be able to use a spanner or socket to undo the old plug.

Mark (mhpautos)
Was this
answer
helpful?
Yes
No
Saturday, December 12th, 2020 AT 9:16 AM (Merged)
Tiny
LOCKNUOUT
  • MEMBER
  • 4 POSTS
Yes I found Pcv valve. Not clogged nor is hose. Orfice also open. Can't get a picture of pan where leak is at. Bad weather and in carport. As soon as I can I will post it. Thanks
Was this
answer
helpful?
Yes
No
Saturday, December 12th, 2020 AT 9:16 AM (Merged)

Please login or register to post a reply.