Oil pan removal

Tiny
MILOVANJ73
  • MEMBER
  • 1999 CHEVROLET SILVERADO
  • 100,000 MILES
Instructions for remove bolts oil pan chevrolet silverado 4.3 1500 pick up 1999. I have 12 bolts out but can't drop down oil pan. Please help
Saturday, March 2nd, 2013 AT 4:33 PM

16 Replies

Tiny
ASEMASTER6371
  • MECHANIC
  • 52,796 POSTS
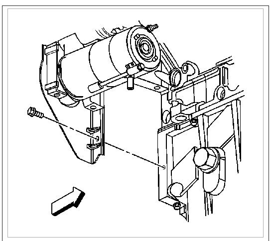
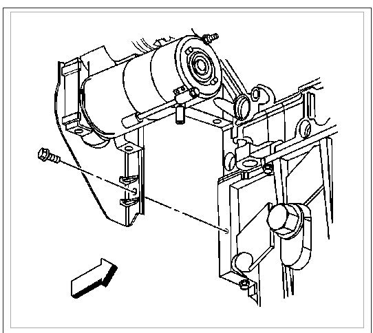
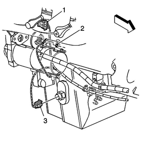
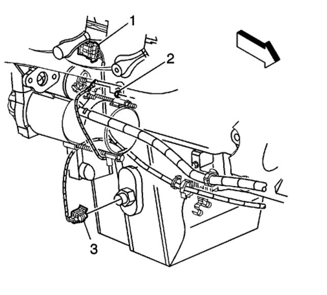
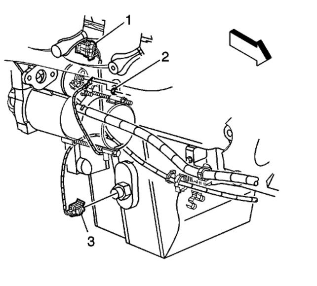
You may need to remove the engine mounts and jack the engine up to gain clearance use wood blocks to hold the engine up.

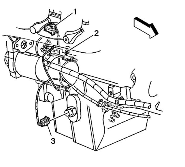
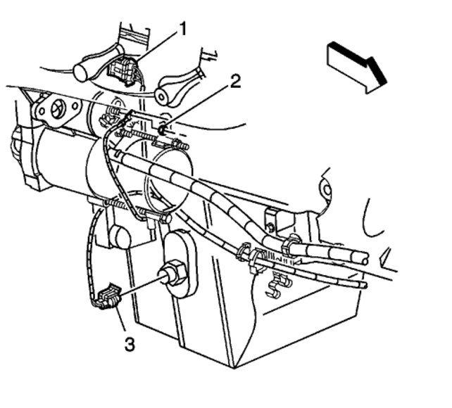
1. Disconnect the battery negative cable. Refer to Battery Cable Replacement (Positive/Negative) in Starting and Charging.
2. Raise the vehicle. Refer to Vehicle Lifting.
3. Remove the oil pan drain plug and drain the engine oil into a suitable container.
4. Remove the oil filter.
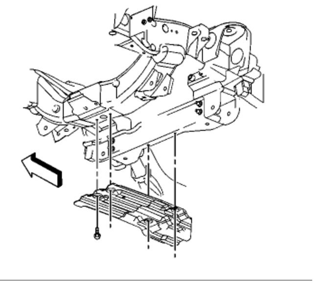
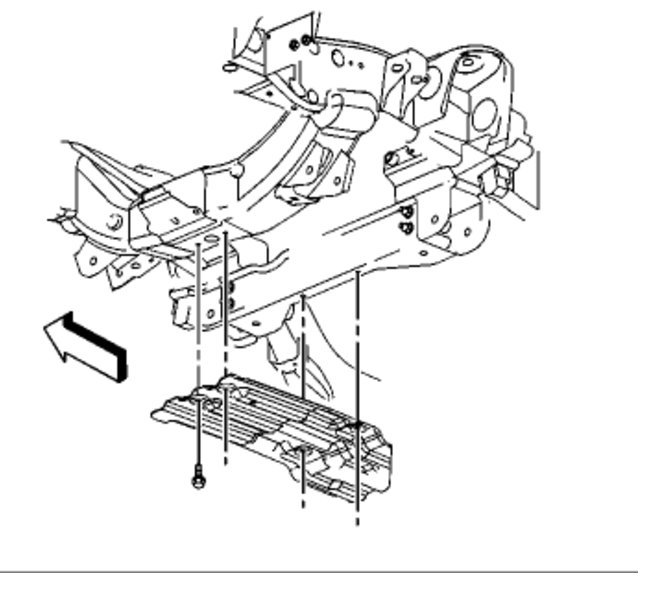
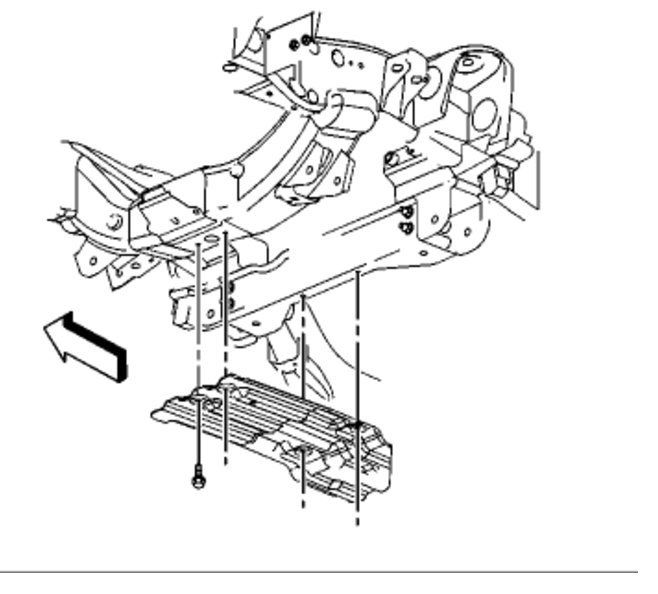
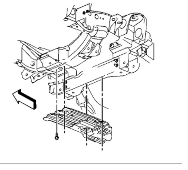
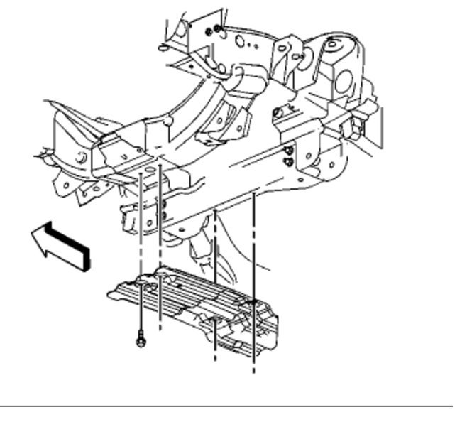
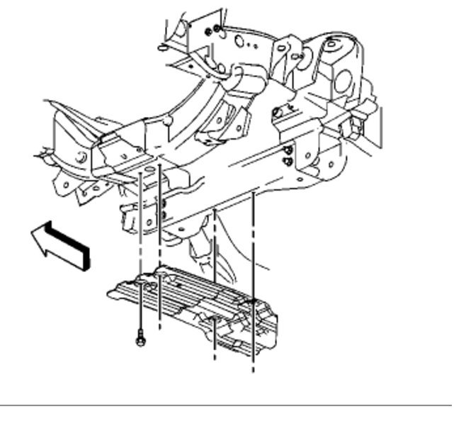
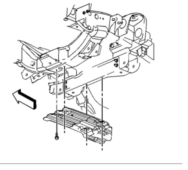
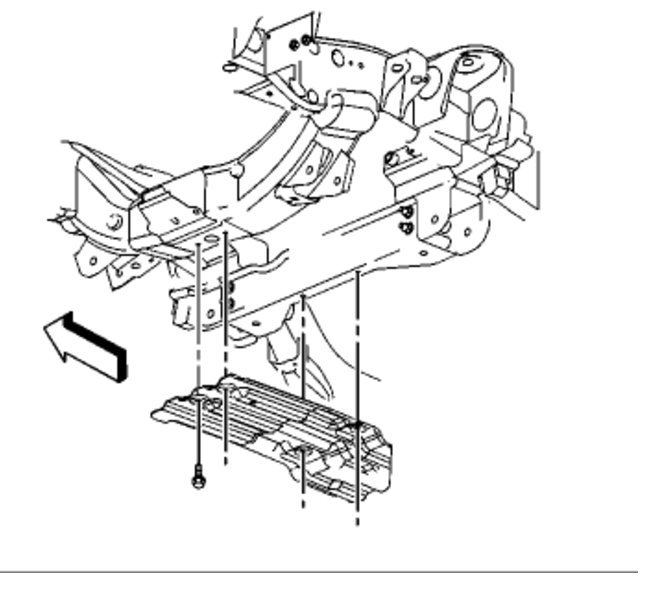
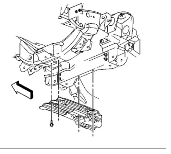
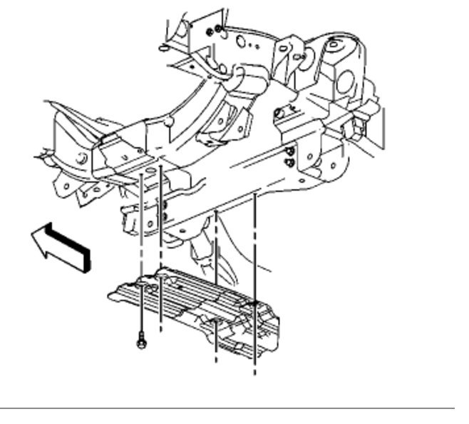
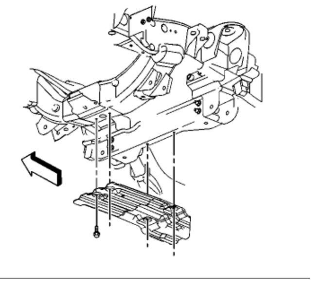
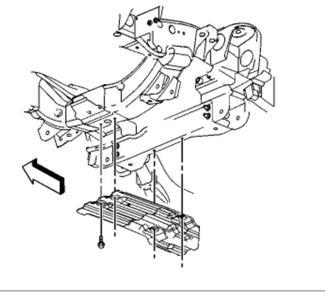
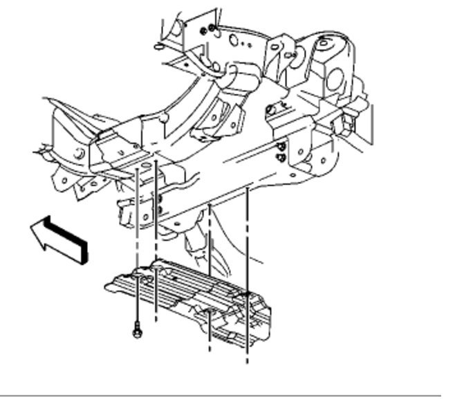
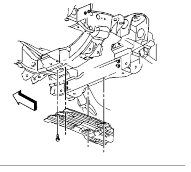
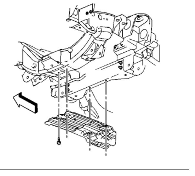
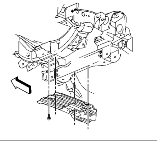
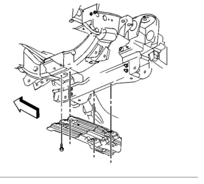
5. Remove the oil pan skid plate.
6. Remove the crossbar.
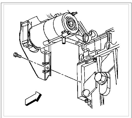
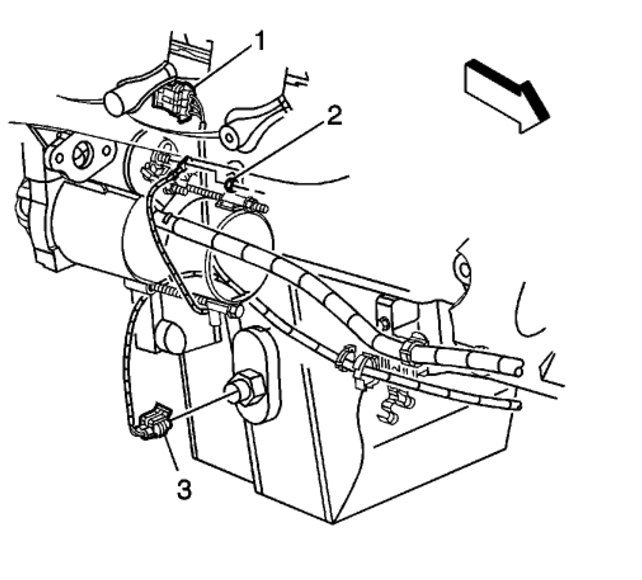
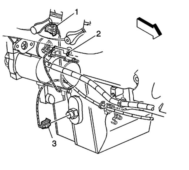
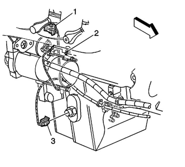
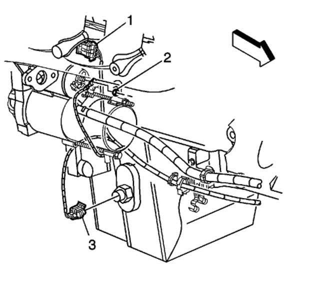
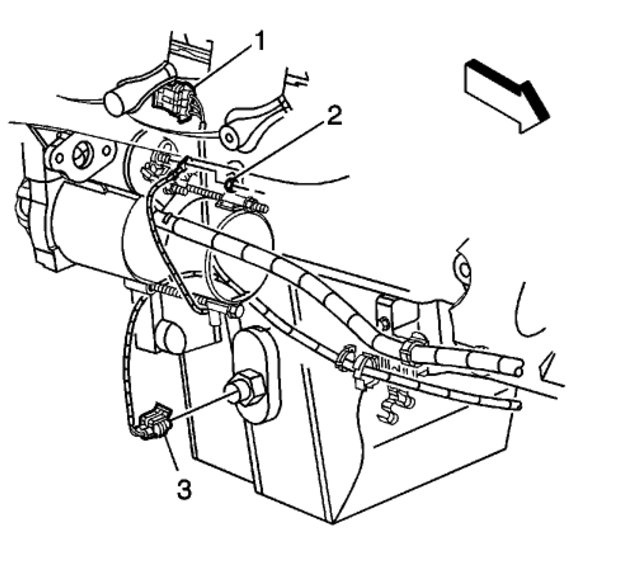
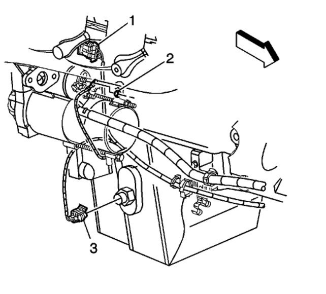
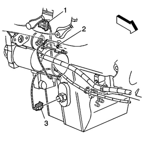
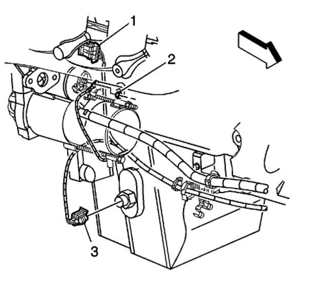
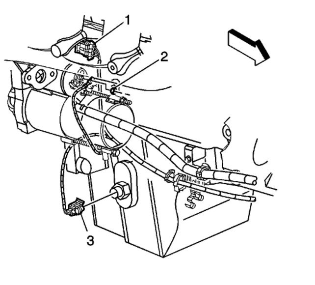
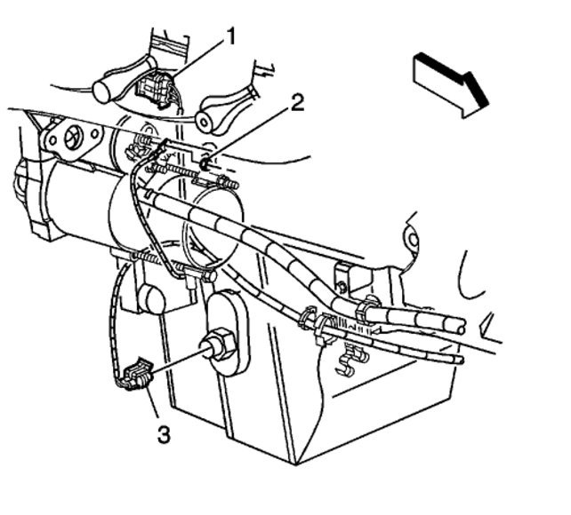
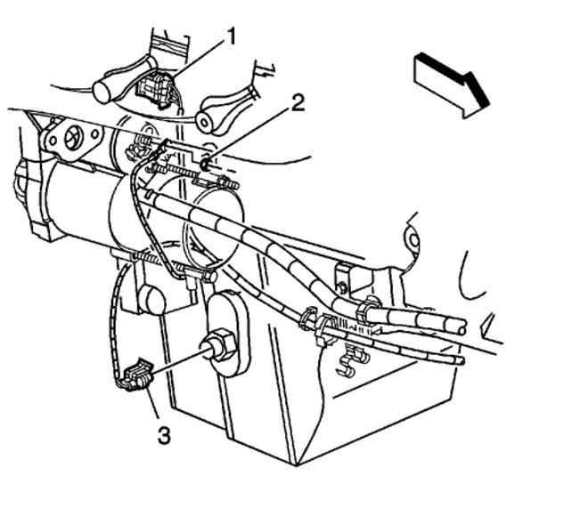
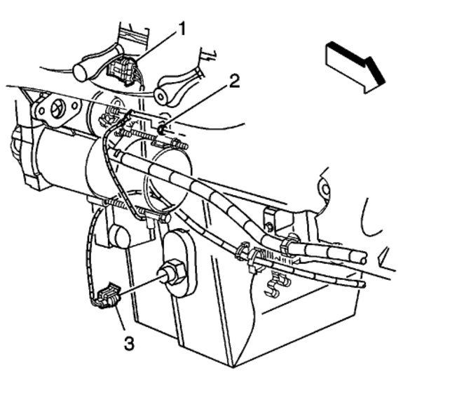
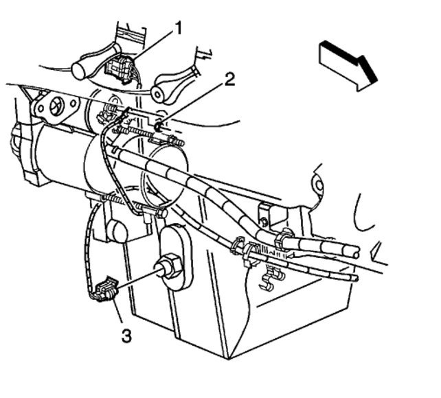
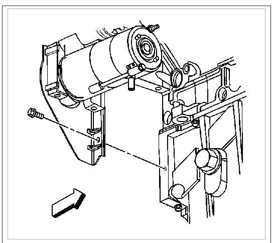
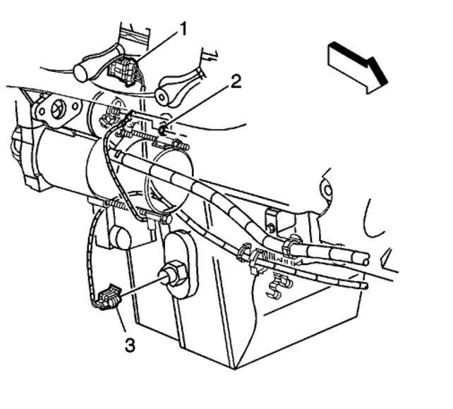
7. Remove the bolts holding the battery cable brackets to the oil pan.
8. Remove the starter and move aside. Refer to Starter Motor Replacement in Starting and Charging.
9. Remove the transmission cover.
10. Remove the bracket for the starter positive cable and the transmission cooler lines form the side of the oil pan.
11. Disconnect the low oil level sensor electrical connector.
12. Remove the access plugs for the oil pan rear nuts.

13. Remove the following oil pan fasteners:
13.1. Remove the oil pan bolts.
13.2. Remove the two nuts at the crankshaft rear oil seal housing.
13.3. Remove the transmission to oil pan bolts.

14. Remove the oil pan and the gasket. Refer to Oil Pan Removal.

IMPORTANT: The low oil level sensor is not reusable. Use a NEW low oil sensor.

15. Remove the low oil level sensor, if required.
16. Clean all sealing surfaces on the engine and the oil pan. Refer to Oil Pan Clean and Inspect.
INSTALLATION PROCEDURE

NOTICE: Refer to Fastener Notice in Service Precautions.

IMPORTANT: The low oil level sensor is not reusable. Use a NEW low oil sensor.

1. Install a NEW low oil level sensor, if removed.
Tighten the sensor to 20 Nm (15 ft. Lbs).
NOTICE: Any time the transmission and the engine oil pan are off of the engine at the same time, install the transmission before the oil pan. This is to allow for the proper measurement of the oil pan tolerance. Failure to achieve the correct clearance can result in premature transmission failure.
2. Install the oil pan. Refer to Oil Pan Installation.
3. Install the transmission to oil pan bolts and nuts.
Tighten the bolts to 47 Nm (35 ft. Lbs.).
4. Install the access plugs for the oil pan rear nuts,
5. Install the bracket for the starter positive cable and the transmission cooler lines to the side of the oil pan.
Tighten the bolts to 12 Nm (106 inch lbs).
6. Connect the low oil level sensor electrical connector.
7. Install the transmission cover.
Tighten the bolts to 12 Nm (106 inch lbs).
8. Install the starter. Refer to Starter Motor Replacement in Starting and Charging.
9. Install the bolts holding the battery cable brackets to the oil pan.
Tighten the bolts to 12 Nm (106 inch lbs).
10. Install the crossbar.
Tighten the bolts to 100 Nm (74 ft. Lbs.).
11. Install the oil pan skid plate.
Tighten the bolts to 20 Nm (15 ft. Lbs).
12. Install the oil filter and the oil pan drain plug. Refer to Engine Oil and Oil Filter Replacement
13. Lower the vehicle.
14. Fill the engine with oil. Refer to Engine Oil and Oil Filter Replacement
15. Connect the battery negative cable. Refer to Battery Cable Replacement (Positive/Negative) in Starting and Charging.

Check out the diagrams (Below)

Please let us know what you find.

Cheers
Was this
answer
helpful?
Yes
No
+23
Saturday, March 2nd, 2013 AT 4:53 PM
Tiny
MARKGARCIA510
  • MEMBER
  • 1 POST
  • 1999 CHEVROLET SILVERADO
  • 4.3L
  • V6
  • 2WD
  • AUTOMATIC
  • 120,000 MILES
I am trying to remove oil pan off of my truck and got stuck on the two bolts that are under the rubber plugs what size are those?
Thanks an advance.
Was this
answer
helpful?
Yes
No
+1
Tuesday, April 16th, 2019 AT 1:18 PM (Merged)
Tiny
KEN L
  • MASTER CERTIFIED MECHANIC
  • 55,488 POSTS
Hello,

Those are 13mm.

Here is some diagrams to help you do the job.

Please let us know what happens.

Cheers, Ken
Was this
answer
helpful?
Yes
No
+1
Tuesday, April 16th, 2019 AT 1:18 PM (Merged)
Tiny
JERRY ANDREWS
  • MEMBER
  • 1 POST
  • 1999 CHEVROLET SILVERADO
  • 6 CYL
  • 2WD
  • AUTOMATIC
  • 16,700 MILES
Oil pan bolts are all out and the pan is somewhat loose but seems to be binding on the drivers side at transmission. What could be holding it?
Was this
answer
helpful?
Yes
No
+1
Tuesday, April 16th, 2019 AT 1:18 PM (Merged)
Tiny
M74CRAN
  • MEMBER
  • 8 POSTS
I just did mine, check out "1997 Chevy SILVERADO K1500 oil pan removal" could be a good start, or try "SEARCH" up above
Was this
answer
helpful?
Yes
No
Tuesday, April 16th, 2019 AT 1:18 PM (Merged)
Tiny
MILOVANJ73
  • MEMBER
  • 2 POSTS
  • 1999 CHEVROLET SILVERADO
  • 90,000 MILES
Remove sylverado 1999 4.3 6 cyl oil pan

I stop the remotion after remove all bolts, because I see two

pieces of rubber pipe leaving from inside the oil pan and a book
read that's cover the nuts inside.I don't know if those nuts hold the oil pan inside. Thank's
Was this
answer
helpful?
Yes
No
+2
Tuesday, April 16th, 2019 AT 1:18 PM (Merged)
Tiny
HMAC300
  • MECHANIC
  • 48,601 POSTS
No need to r&r enginge. Remove rubber plugs on rear of oil pan to gain access to two nuts on rear of oil pan. Slips right out.
Disconnect the negative battery cable. Raise and support vehicle. Drain crankcase and remove the oil filter. Disconnect oil cooler lines from pan and oil filter adapter. Remove oil filter adapter. Remove starter and
flywheel shield. Disconnect transmission cooler lines. Remove front axle tube mount nuts and lower left drive axle bushing bolt (AWD). Remove rubber bellhousing plugs and remove oil pan bolts. Remove oil pan from
Was this
answer
helpful?
Yes
No
+2
Tuesday, April 16th, 2019 AT 1:18 PM (Merged)
Tiny
M74CRAN
  • MEMBER
  • 8 POSTS
  • 1997 CHEVROLET SILVERADO
Engine Mechanical problem
1997 Chevy Silverado V8 Four Wheel Drive Automatic

how do I move the front axel to get the oil pan off, and any thing else I have to remove
Was this
answer
helpful?
Yes
No
+1
Tuesday, April 16th, 2019 AT 1:18 PM (Merged)
Tiny
JACOBANDNICKOLAS
  • MECHANIC
  • 110,194 POSTS
Hi:
You don't remove the axle. You will need to unbolt the engine from the motor mounts and lift it to get the needed clearance. Keep an eye not to over lift the engine causing other problems.
Was this
answer
helpful?
Yes
No
+6
Tuesday, April 16th, 2019 AT 1:18 PM (Merged)
Tiny
M74CRAN
  • MEMBER
  • 8 POSTS
Do you remember name that tune.I can do it in 3, after you remove the oil filter adapter (to acess to oil pan bolts), remove the right rod that go from the engine to the torque converter cover, then lossen the bolt on the left at the torque converter cover and push the rod out of your way, then lossen the 6 bolts on the torque conveter (to acess oil pan bolts), now here's the 3 bolts, on the front axel right side, there are two bolts with nuts on the back side about 6 inches apart from each other that hold the axel to the frame take them out, then on the pumpkin take the top bolt and nut out (access from front). The whole axel will rotate down and to the front, then turn wheels to the left because the pumpkin rests on the bar for steering, turning it to the left gives it just a little bit more room to drop, this gave me enough room to take the pan out and then the torque converter cover comes out to clean old gasket off, now the oil dip stick was in my way I couldn't get it off, so I put the new gasket on around that first then put it on the pan that worked good, but when tightening the oil pan bolts to 17 ft. Lbs. The first one snaped, so today I goto hardware store to get hardend bolts and try to get the broke one out without taking the pan off because of the rtv, any ideas?
Was this
answer
helpful?
Yes
No
+3
Tuesday, April 16th, 2019 AT 1:18 PM (Merged)
Tiny
JACOBANDNICKOLAS
  • MECHANIC
  • 110,194 POSTS
Hi:
The only thing I can say is to get an easy-out. You eill need to drill a hole into the broken bolt, place the easyout in it and try to remove it. If it doesn't work (it should) I've always drilled the old bolt and retapped the hole.

I hope this helps.

Joe
Was this
answer
helpful?
Yes
No
+2
Tuesday, April 16th, 2019 AT 1:18 PM (Merged)
Tiny
KPATTERSON7
  • MEMBER
  • 1 POST
  • 1997 CHEVROLET SILVERADO
  • 5.7L
  • V8
  • 2WD
  • AUTOMATIC
  • 135,000 MILES
I need to drop oil pan in this truck listed above. Will I have to pull motor or can I jack motor up after removing motor mounts?
Was this
answer
helpful?
Yes
No
Saturday, December 12th, 2020 AT 9:16 AM (Merged)
Tiny
JACOBANDNICKOLAS
  • MECHANIC
  • 110,194 POSTS
Hi and thanks for using 2CarPros. Com.

Since the vehicle is 2wd, you should not have too many issues. Chances are you should be able to remove it with just lifting the engine (not removal).

Here are the directions for doing the job from Alldata. All attached pictures correlate with these directions.

__________________________________

Oil Pan Replacement

Removal Procedure

A one-piece type oil pan gasket is used.

1. Disconnect the battery negative cable assembly from the battery negative terminal.
2. Remove the oil level indicator.
3. Raise the vehicle.
4. Support the vehicle with safety stands.
5. Drain the crankcase. Refer to Engine Oil and Engine Oil Filter Change See: Engine Oil > Removal and Replacement.
6. Remove the exhaust crossover pipe. Refer to Exhaust Pipe Replacement See: Exhaust System > Procedures.
7. Remove the flywheel/torque converter inspection cover. Refer to Transmission See: Flywheel > Procedures.
8. Remove the transmission oil cooler line retainer from the bracket, (automatic transmission only).
9. Remove the oil filter.
10. Remove the oil filter adapter from the lines. Tie the oil cooler lines out of the way. Refer to Oil Filter Adapter and Bypass Valve Replacement See: Oil Filter Adapter > Removal and Replacement.
11. Remove the oil pan bolts, nuts, and strut rods (if equipped).
12. Remove the oil pan and gasket.
13. Clean the gasket surfaces on the engine and oil pan.
14. Inspect the oil pan gasket for damage. Replace if necessary.

Installation Procedure
1. Apply sealant GM P/N 12346004 or the equivalent to the front cover to block joint. Apply the sealant for about 25 mm (1 in) in both directions from each of the four corners.

2. Apply sealant GM P/N 12346004 or the equivalent to the rear crankshaft seal to block joint. Apply the sealant for about 25 mm (1 in) in both directions from each of the four corners.
3. Install the oil pan gasket to the oil pan.
4. Install the oil pan to the engine.
5. Install the oil pan bolts, nuts, and strut rods (if equipped).

Tighten
Tighten the oil pan bolts and nuts to 25 Nm (18 lb ft).

Notice: Use the correct fastener in the correct location. Replacement fasteners must be the correct part number for that application. Fasteners requiring replacement or fasteners requiring the use of thread locking compound or sealant are identified in the service procedure. Do not use paints, lubricants, or corrosion inhibitors on fasteners or fastener joint surfaces unless specified. These coatings affect fastener torque and joint clamping force and may damage the fastener. Use the correct tightening sequence and specifications when installing fasteners in order to avoid damage to parts and systems.

6. Install the oil filter adapter. Refer to Oil Filter Adapter and Bypass Valve Replacement See: Oil Filter Adapter > Removal and Replacement.
7. Install the oil filter.
8. Install the transmission oil cooler line retainer to the bracket (automatic transmission only).
9. Install the flywheel/torque converter inspection cover. Refer to Transmission See: Flywheel > Procedures.
10. Install the exhaust crossover pipe. Refer to Exhaust Pipe Replacement See: Exhaust System > Procedures.
11. Remove the safety stands.
12. Lower the vehicle.
13. Install the oil level indicator.
14. Connect the battery negative cable assembly to the battery negative terminal.

Tighten
Tighten the bolt to 15 Nm (11 lb ft).

12. Fill the engine crankcase with the proper quantity and grade of engine oil. Refer to Engine Oil and Engine Oil Filter Change See: Engine Oil > Removal and Replacement.

I hope this helps. Let me know if you have other questions.

Take care,
Joe
Was this
answer
helpful?
Yes
No
Saturday, December 12th, 2020 AT 9:16 AM (Merged)
Tiny
COWHOG
  • MEMBER
  • 1 POST
  • 1989 CHEVROLET SILVERADO
  • V8
  • 4WD
  • AUTOMATIC
  • 115,000 MILES
The oil pan on my truck is rusted through how do I replace it and is it a hard job. Can I do it without lifting engine. Do all needed gakets come in a set. Would you have a idea of what a pan and gasket set costs. Thanks for any info.
Was this
answer
helpful?
Yes
No
Saturday, December 12th, 2020 AT 9:16 AM (Merged)
Tiny
BLACKOP555
  • MECHANIC
  • 10,386 POSTS
You can loosen the motor mounts and jack up front of engien to get it out. Just order a oil pan gasket. Pretty simple.

Maybe 20 bucks for gasket and around 150-200 for oil pan.
Was this
answer
helpful?
Yes
No
Saturday, December 12th, 2020 AT 9:16 AM (Merged)
Tiny
BLACKOP555
  • MECHANIC
  • 10,386 POSTS
Also dont forget to remove teh fan clutch. Or loosen up the fan shroud.
Was this
answer
helpful?
Yes
No
Saturday, December 12th, 2020 AT 9:16 AM (Merged)

Please login or register to post a reply.