obd2 connector not getting power?

2003 JEEP LIBERTY
119,000 MILES • 3.7L • V6 • 4WD • MANUAL
Avatar
DINESH GOSAIN
  • MEMBER
  • 75 POSTS
obd2 connector not getting power?
Dec 4, 2023 at 11:44 AM
Advertisement
Avatar
STRAILER
  • CAR REPAIR CONTRIBUTOR
  • 54,274 POSTS
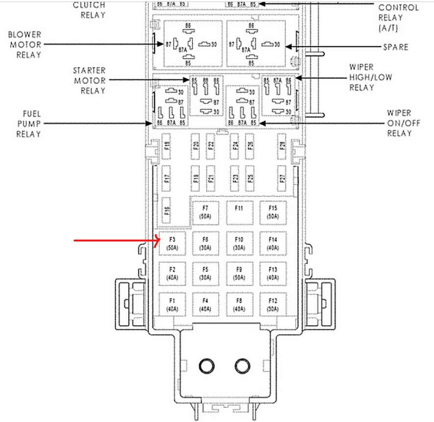
First, make sure the scanner works on another car, then we need to check the fuse # 33 10 amp in the fuse panel below the left side of the dash.

https://www.2carpros.com/articles/how-to-check-a-car-fuse


Here is the fuse location, Check out the images (below). Please let us know what happens.
Dec 4, 2023 at 2:59 PM
Advertisement
Avatar
DINESH GOSAIN
  • MEMBER
  • 75 POSTS
I will check all of the fuses in the cabin. I’ll pull each fuse out and visually check it. I can tell you that all the fuses are good.
I should advise you that the Sentry Key Immobilizer System light came on and my car would not start. I had the keys reprogrammed. “So, the OBD 2 connection was working.” I tried to start the car after the keys were programmed and the SKIM light came back on. The locksmith checked to see if the PCM had the vin number in it. The PCM did not register on his diagnostic tablet. I bought a PCM that was programmed to my car with the Immobilizer and that did not work. So, I returned it.
Would you happen to have a grounds diagram for all of the grounds on the Jeep? I saw a video on YouTube and the mechanic had one and he was going to test all the grounds. I checked the grounds visually in the engine compartment that are attached to body of the engine bay. I have a pdf 2003JeepKJServiceManual.pdf that I use. I only have the one diagram that is attached, and I guess I’ll check those grounds if I can find them. I have been using this pdf for assistance. 8W is the chapter where I'm working from. I have watched Ryan's video a few times on testing the OBD 2 and his was a blown fuse. I should be so lucky…
I have worked with you guys before. If you can find those correspondence, you may want to look over them and you should be caught up.
Dec 5, 2023 at 7:54 AM
Avatar
DINESH GOSAIN
  • MEMBER
  • 75 POSTS
First, I attached my OBD 2 connecter to its port and I got nothing on the screen. Then I checked all the fuses again and none were blown. I even changed a few fuses with my spares. Ok. So, fuses that did not light up are 4,5,9,23,26,27,30, and 33. Then I checked the OBD 2 port to see if pin 16 worked or not to 12v. It didn’t work. Then I pushed the wire harness in, so all pins were visible. I checked the ohms on pin 4,5,6 with pin 16 and the voltmeter was showing 4.?? Ohms.
Dec 5, 2023 at 9:09 AM
Avatar
STRAILER
  • CAR REPAIR CONTRIBUTOR
  • 54,274 POSTS
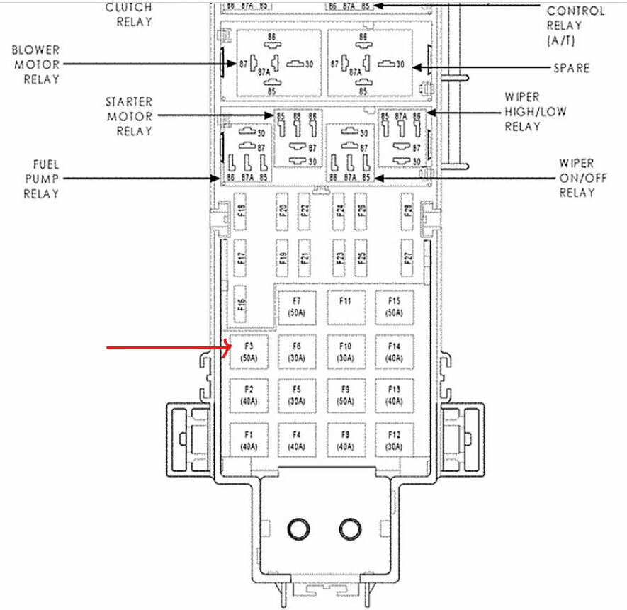
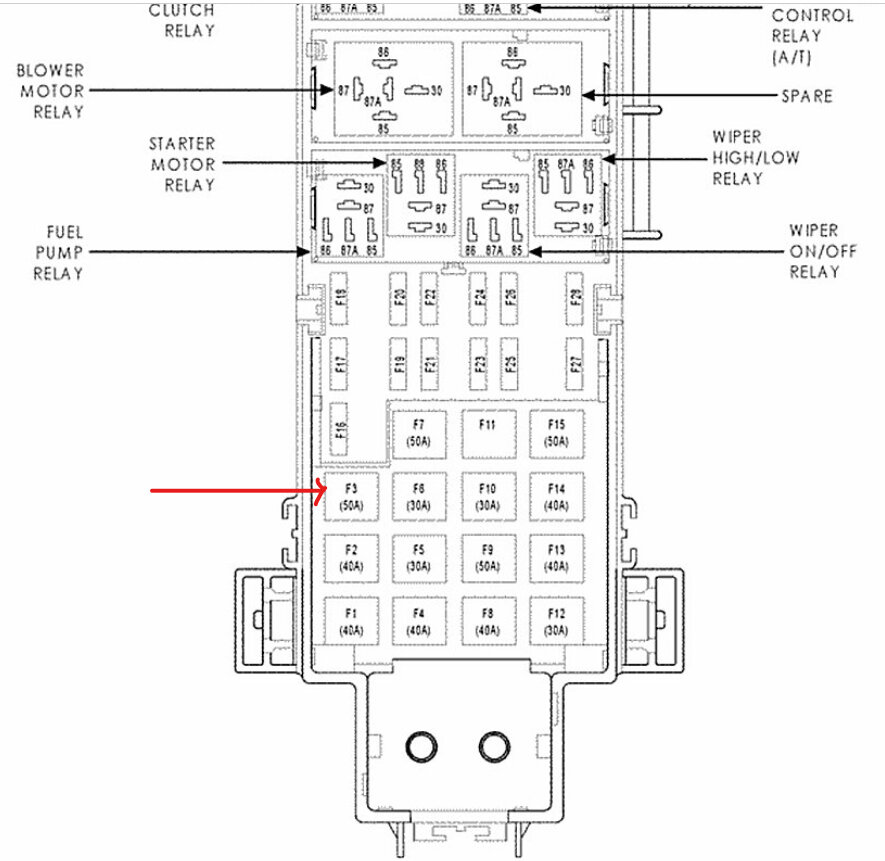
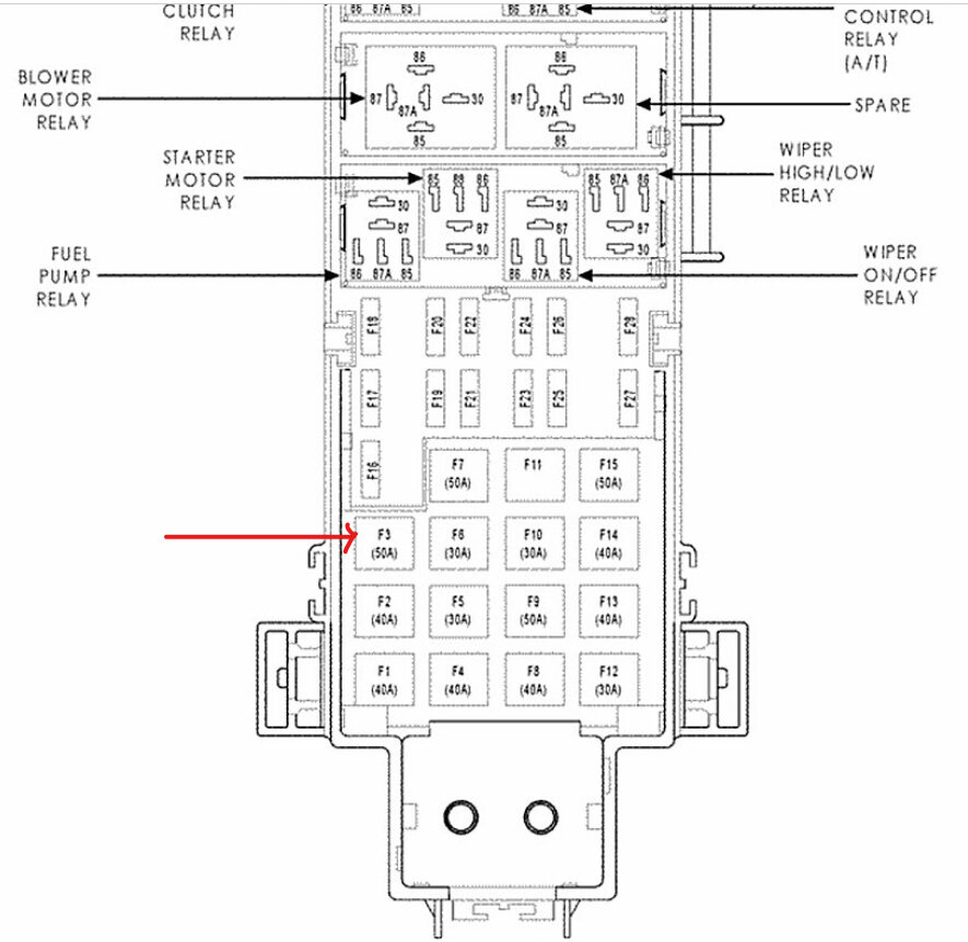
Yep, fuse #33 powers the OBD2 connector so we are getting closer. Fuse #33 also powers the immobilizer. Fuse #33 gets it power from fuse #3 in the main fuse panel under the hood, it is a 50-amp fuse. Can you please check it? Let me know.
Dec 8, 2023 at 8:24 AM
Avatar
DINESH GOSAIN
  • MEMBER
  • 75 POSTS
All of the fuses are good. Perhaps you can see them in the photos. I actually swapped it with the one diagonal to it. Do you have a diagram of the grounds?
Dec 8, 2023 at 9:47 AM
Avatar
STRAILER
  • CAR REPAIR CONTRIBUTOR
  • 54,274 POSTS
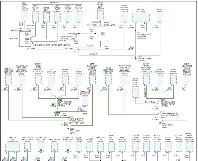
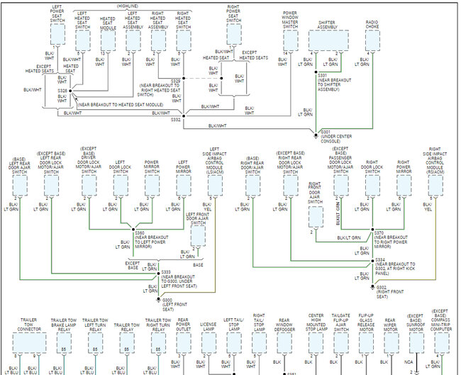
If Fuse #33 is not getting power it is not the ground, but here are the ground diagrams for you. You may have a bad PDC. Check out the images (below). Let us know how it goes.
Dec 8, 2023 at 10:21 AM
Avatar
DINESH GOSAIN
  • MEMBER
  • 75 POSTS
What is a PDC? Is it a Power Distribution Center? That means the entire fuse box under the hood, next to my battery even though the small fuses do work. These are all the grounds for my jeep. Is there a way to be certain about the PCD? Sorry, which image below are you referring to? Not the ground diagrams. I wouldn't even know how to get going on those diagrams yet.
Dec 8, 2023 at 11:03 AM
Avatar
DINESH GOSAIN
  • MEMBER
  • 75 POSTS
Do you think we could speak on the phone?
Dec 8, 2023 at 11:10 AM
Avatar
STRAILER
  • CAR REPAIR CONTRIBUTOR
  • 54,274 POSTS
We like to keep the conversation on the web so others can benefit from it, sorry. We should check to see if fuse #3 is getting power at both terminals. Yes, the PDC is the Power Distribution Center.

https://www.2carpros.com/articles/how-to-use-a-test-light-circuit-tester

Check out the images (below). Let us know how it goes.
Dec 8, 2023 at 12:05 PM
Avatar
DINESH GOSAIN
  • MEMBER
  • 75 POSTS
I checked for power with the Cen-Tec multimeter and there was no voltage. Then I put the dial to 200A~ just to see if I got a reading on the amps and no reading. Oh, I had the key in the on position as well. I'll go out and try it with the screwdriver light with the key in the on position.
Dec 8, 2023 at 12:46 PM
Avatar
DINESH GOSAIN
  • MEMBER
  • 75 POSTS
I like the last photo here, it lights up. The bottom pin came on and the top pin did not.
So, would that make the PDC okay? I sure hope so...
Dec 8, 2023 at 12:54 PM
Avatar
DINESH GOSAIN
  • MEMBER
  • 75 POSTS
Oh, by the way I don't know how to use the wire testers. I wouldn't know if I was using it correctly or not. No confidence.
Dec 8, 2023 at 1:01 PM
Avatar
STRAILER
  • CAR REPAIR CONTRIBUTOR
  • 54,274 POSTS
No problem, it looks like the fuse panel has power so if the fuse is good, then it looks like the wire is broken between the two or you have a bad fuse panel. Here are two guides that will teach you how to you a voltameter and how to test the wiring. Please go over them both, it is not difficult.

https://www.2carpros.com/articles/how-to-use-a-voltmeter

and

https://www.2carpros.com/articles/how-to-check-wiring

It is fun to learn, if you have any questions let me know. :)
Dec 9, 2023 at 8:47 AM
Avatar
DINESH GOSAIN
  • MEMBER
  • 75 POSTS
Ken,

If the fuses indicate that they are good, then the panel would be good also. Where should I start checking the wires? The wires are my downfall. I did go over the two links you sent, and I haven't been able to check the wires yet. It's been cold and raining here. I plan on checking something under the hood today. If you could advise as to what or where I should start checking that would be great.
Ah, do you by any chance know where I can drain the fuel from the engine bay? I would like to get rid of some of the fuel because it’s getting old. I can't do it from the gas cap area because it's blocked. The only thing I found on YouTube was replace fuel filter.
Dec 18, 2023 at 6:32 AM
Avatar
DINESH GOSAIN
  • MEMBER
  • 75 POSTS
I'm sorry to ask you this again, is there a way to get the full diagrams that you sent me earlier? I can’t seem to see the bottom and top of them. Thanks very much.
Dec 18, 2023 at 9:25 AM
Avatar
DINESH GOSAIN
  • MEMBER
  • 75 POSTS
I checked the OBD2 pins 4,5, and 16. 4 and 5 are ground and 16 is power 12V. I got a reading of 4.21 from pin 16+ and I check it with pin 4,5-. So, what does that mean? I have a little bit of power coming to pin 16. I also took the 2 screws out that hold the OBD2 and checked the wires in the back of it. I didn't see any broken wires there. In fact, they look new.
Dec 18, 2023 at 2:14 PM
Avatar
STRAILER
  • CAR REPAIR CONTRIBUTOR
  • 54,274 POSTS
We can only upload the diagrams in half because they will be unreadable. Does the scanner work on other cars? If so, check all of the fuses to make sure that they are good, can you upload a short video of the problem so I can see?
Dec 19, 2023 at 12:32 PM
Avatar
DINESH GOSAIN
  • MEMBER
  • 75 POSTS
Hello Ken,

I have this in a PDF KJ Services Manual. I was wondering if you could tell me which diagrams you sent to me. If they are in this Manual. I can't seem to attach the pdf file for the manual. If I knew what pages of the diagrams you sent me, it might make things easier for me. This is the manual I'm looking at and you can download it as well. http://www.colorado4wheel.com/manuals/Jeep/KJ/. The battery is a little above 12.5 volts. I also charge it now and then, so it remains good.
thank you.
Dec 20, 2023 at 9:28 AM
Avatar
STRAILER
  • CAR REPAIR CONTRIBUTOR
  • 54,274 POSTS
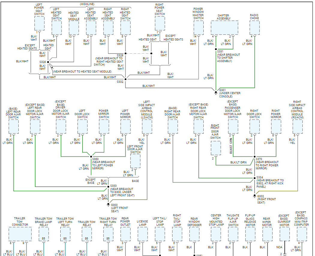
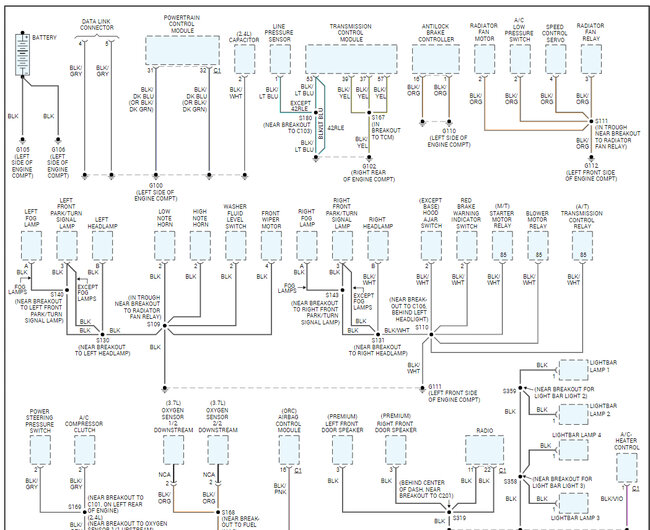
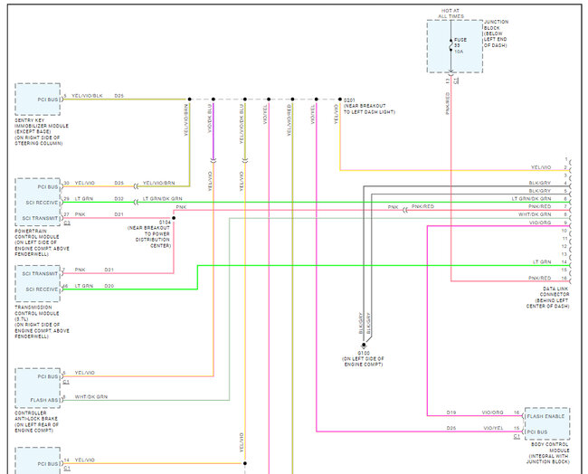
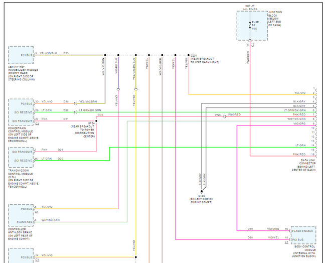
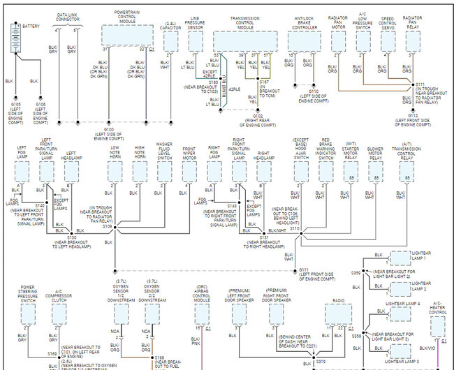
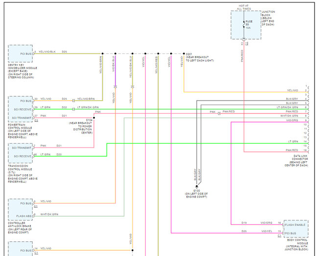
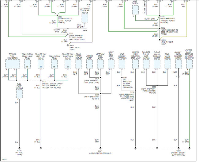
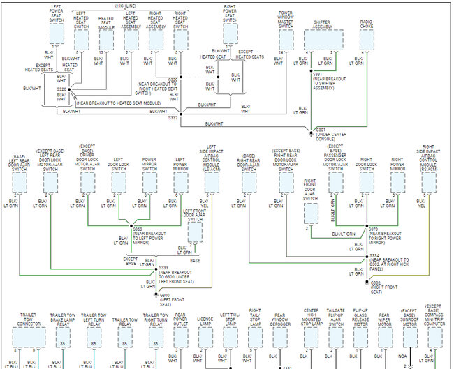
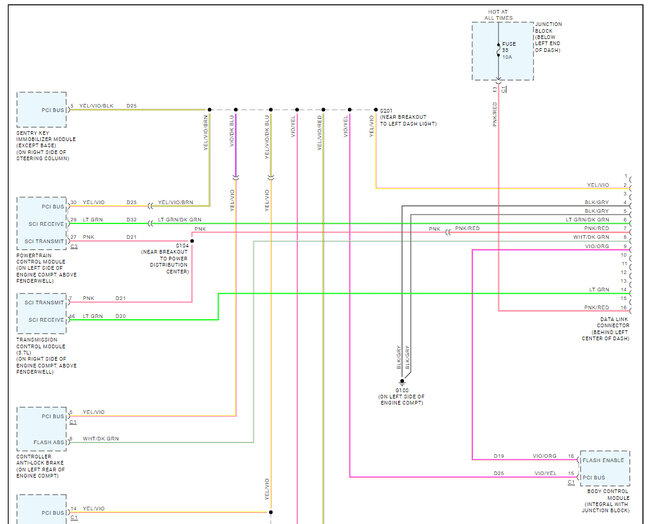
I sent ground wiring locations/diagrams as requested. We get our information from ALLData and Mitchell 1, Here are the wiring diagrams for the diagnostic connector.

This guide will help you with the wiring testing:

https://www.2carpros.com/articles/how-to-check-wiring


Check out the images (below). Let us know how it goes.
Dec 21, 2023 at 1:20 PM
Avatar
DINESH GOSAIN
  • MEMBER
  • 75 POSTS
Hello Ken,

Thank you for sending these two diagrams. You had previously mentioned that you have to send the diagrams divided due to their size. How should I put them together, meaning does page two go under page 1 or the side as you sent them. Also, if you could advise the same for the previous diagrams you sent that would be great.
Thanks again Ken.
Dec 22, 2023 at 7:50 AM
Avatar
STRAILER
  • CAR REPAIR CONTRIBUTOR
  • 54,274 POSTS
Yes, the top one over the bottom diagrams is how they go together. One goes over the other.
Dec 23, 2023 at 9:55 AM
Avatar
DINESH GOSAIN
  • MEMBER
  • 75 POSTS
Okay, thank you. I tested my OBD2 reader and it works on other cars. Would you by any chance know where I might be able to get a PCM. I've tried eBay, car computers and they did not work. I have to get this Jeep started. I hope we can do that. Thanks.
Jan 3, 2024 at 6:33 AM
Avatar
STRAILER
  • CAR REPAIR CONTRIBUTOR
  • 54,274 POSTS
Sure, here is a line of them in the search, just pick one that has good reviews.

https://www.google.com/search?q=2003+jeep+liberty+pcm&oq=2003+JEEP+LIBERTY+pcm&gs_lcrp=EgZjaHJvbWUqBwgAEAAYgAQyBwgAEAAYgAQyBwgBEAAYgAQyBwgCEAAYgAQyBwgDEAAYgAQyCAgEEAAYFhgeMggIBRAAGBYYHjINCAYQABiGAxiABBiKBdIBCDE5ODFqMGo3qAIAsAIA&sourceid=chrome&ie=UTF-8

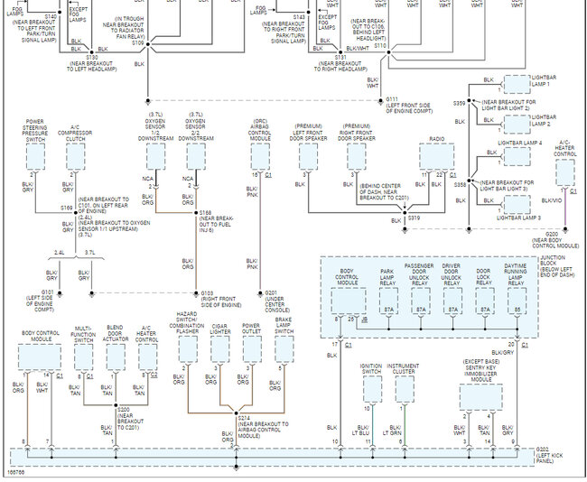
Here is the location and how to change the PCM out. Check out the images (below). Please let us know what happens.
Jan 3, 2024 at 9:51 AM
Avatar
DINESH GOSAIN
  • MEMBER
  • 75 POSTS
Hi Ken,

I know to change the computer. I have used All Computers, car computers, and one from eBay. I don't know why none of them worked.
dg
Jan 3, 2024 at 2:31 PM
Avatar
STRAILER
  • CAR REPAIR CONTRIBUTOR
  • 54,274 POSTS
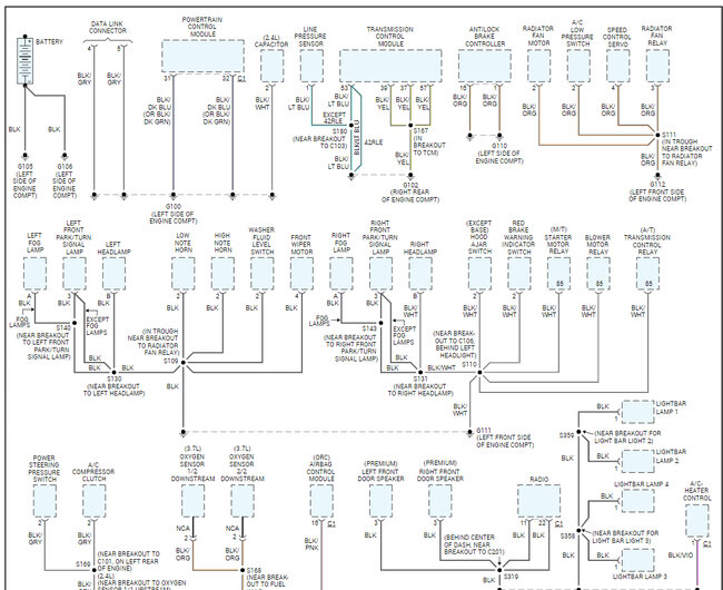
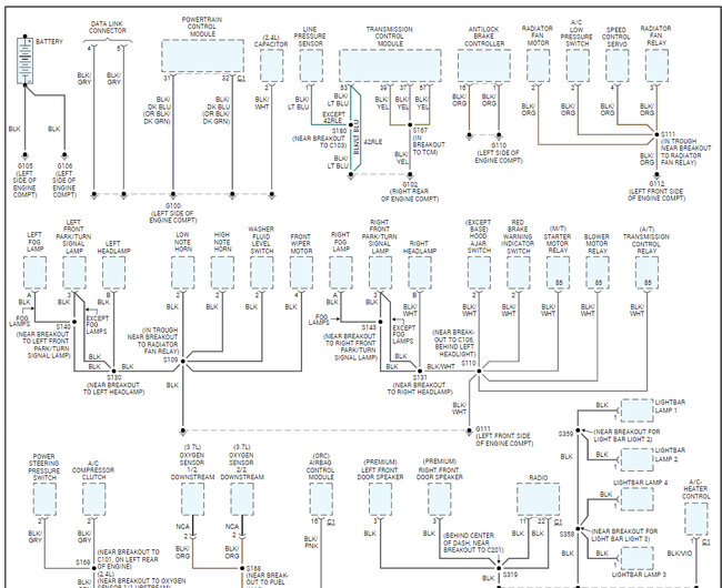
Let's check the main power to the PCM. Here is what powers the PCM so you can check it out, I would try swapping out ASD relay as well. Check out the images (below). Let us know how it goes.
Jan 4, 2024 at 7:48 AM
Avatar
DINESH GOSAIN
  • MEMBER
  • 75 POSTS
Hello Ken,

Sorry about not getting back to you. It’s been cold here with snow, wind, etc... I have a challenge for you. On Jan 26, 2024, it was warm, and I stepped outside and decided to see if the Jeep would start, it started. I couldn't believe it. Man, I was so very, very happy!!! I let it run for about 15 or 20 minutes and it ran. My buddy said I should go for a drive and I was very hesitant to do that. After a few minutes I decided to take it just down the street and back.
Well, I drove the Jeep 1.1 mile and it went dead. It lost all power, and it would not start. I’m stuck in the middle of the road. AAA did not even show up… So, the officer called a tow truck for me, and he got there in 5 minutes. So, I had the Jeep towed back to my house. Now I'm back to the drawing board.

dg


Feb 11, 2024 at 7:19 AM
Avatar
DINESH GOSAIN
  • MEMBER
  • 75 POSTS
Oh yeah, this whole ordeal started at 2:30PM and didn't end until 6PM. I was quite stressed and upset over this. I'll wait to hear from you.
Feb 11, 2024 at 7:22 AM
Avatar
STRAILER
  • CAR REPAIR CONTRIBUTOR
  • 54,274 POSTS
So does the OBD port have power, does the scanner work?
Feb 11, 2024 at 11:21 AM
Avatar
DINESH GOSAIN
  • MEMBER
  • 75 POSTS
You know I didn't even think to check the obd port. I'll try to check it today and let you know.
Feb 13, 2024 at 10:06 AM
Avatar
DINESH GOSAIN
  • MEMBER
  • 75 POSTS
I checked the OBDII port/connector and it didn't register anything on my Jeep. I used the same OBDII connector on a 2010 Honda accord and it worked fine.
Mar 1, 2024 at 6:47 AM
Avatar
STRAILER
  • CAR REPAIR CONTRIBUTOR
  • 54,274 POSTS
Do you have power to the pink and red wire on the OBD2 connector?
Mar 4, 2024 at 9:19 AM
Avatar
DINESH GOSAIN
  • MEMBER
  • 75 POSTS
Ken, I bought another OBD II Diagnostic tool (more expensive) and it doesn’t work on my jeep also. I checked it on another car 2010 Honda Accord and it worked fine. I had checked the pins in the past and they seem to be in good condition. I recall mentioning that I had taken the pins out and fixed them so they would not be lost. I can't seem to find the OBD II results I sent you. I'm going to keep looking...

Mar 5, 2024 at 1:06 PM
Avatar
DINESH GOSAIN
  • MEMBER
  • 75 POSTS
I found this...
If this doesn't help let me know and I'll go out and check the wires you want me to check.

I checked the OBD2 pins 4, 5, and 16. 4 and 5 are ground and 16 is power 12V. I got a reading of 4.21 from pin 16+ and I check it with pin 4, 5-. So, what does that mean? I have a little bit of power coming to pin 16. I also took the 2 screws out that hold the OBD2 and checked the wires in the back of it. I didn't see any broken wires there. In fact, they look new.
Mar 5, 2024 at 1:17 PM
Avatar
STRAILER
  • CAR REPAIR CONTRIBUTOR
  • 54,274 POSTS
It seems like the port has power and ground this just leaves the PCM that is not reporting to the scanner. I would try removing the PCM and send it in for testing, you can find a place that does this by searching google or Ebay.
Mar 6, 2024 at 8:31 AM
Avatar
DINESH GOSAIN
  • MEMBER
  • 75 POSTS
Ken,

Okay, you remember that I replaced the PCM twice and it didn’t work. In the past I checked the OBD2 pins 4, 5, and 16. Pins 4 and 5 are ground and 16 is power 12V. I got a reading of 4.21 from pin 16+ and I checked it with pin 4, 5 which are ground.
How would you explain the jeep starting the other day and running for as long as it did. If the PCM was bad or had issues, it wouldn't start or run. I have no idea what triggered the start. I've been learning a little about electronics for beginners hoping to find an electrical short or something. It’s not easy at my age to learn electronics. I could take the PCM off the jeep and open it up to see if there's something burned out. That’s probably the only diagnosis I could do. My challenge is that I don’t know how or what to check anything on the board with the voltmeter. I also don't know what the reading are supposed to be on the component. Do I set the voltmeter to check the ohms, voltage, continuity, diodes, etc., you know I cannot read the schematics. Oh, I also bought a new voltmeter so I can be assured that my other two meters are working properly.
thanks,
dg
Mar 6, 2024 at 9:15 AM
Avatar
STRAILER
  • CAR REPAIR CONTRIBUTOR
  • 54,274 POSTS
Okay, do you have power and ground at the data port connector?

This guide can help:

https://www.2carpros.com/articles/how-to-use-a-test-light-circuit-tester

Check out the images (below). Please let us know what happens.
Mar 6, 2024 at 10:41 AM
Repair Safety Notice: This information is for general instructional purposes only. Vehicle repair can be dangerous. Verify all information, follow manufacturer service procedures, use proper tools and safety equipment, and consult a qualified repair shop when needed.