OBD codes 0731 and 0876

Tiny
MARTYMAR
  • MEMBER
  • 2005 DODGE RAM
  • 5.7L
  • V8
  • 4WD
  • AUTOMATIC
  • 214,566 MILES
Truck will not move. Starts up fine but won't move.
Friday, June 10th, 2022 AT 4:40 AM

1 Reply

Tiny
SQM
  • MECHANIC
  • 6,383 POSTS
Hello,

The codes
P0731 Gear Ratio Error in 1st
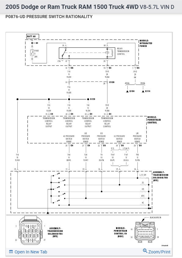
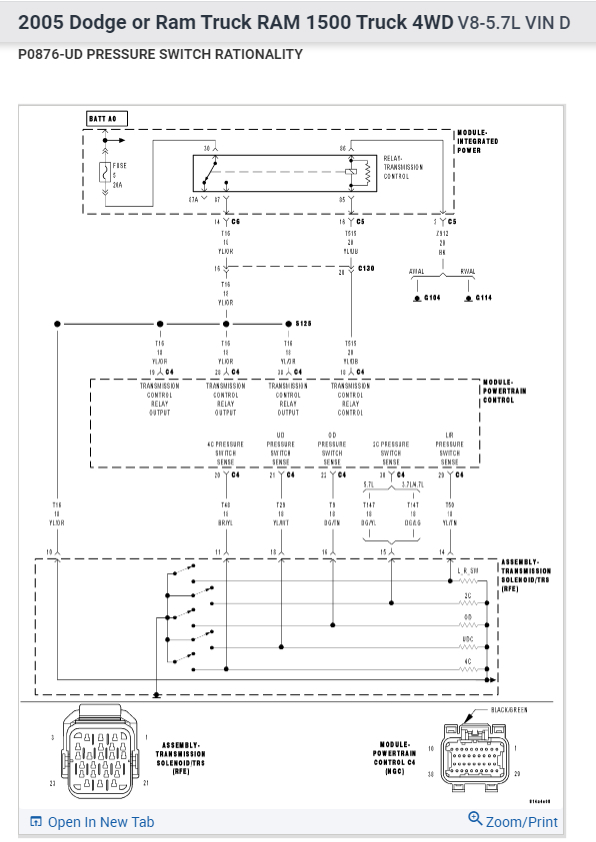
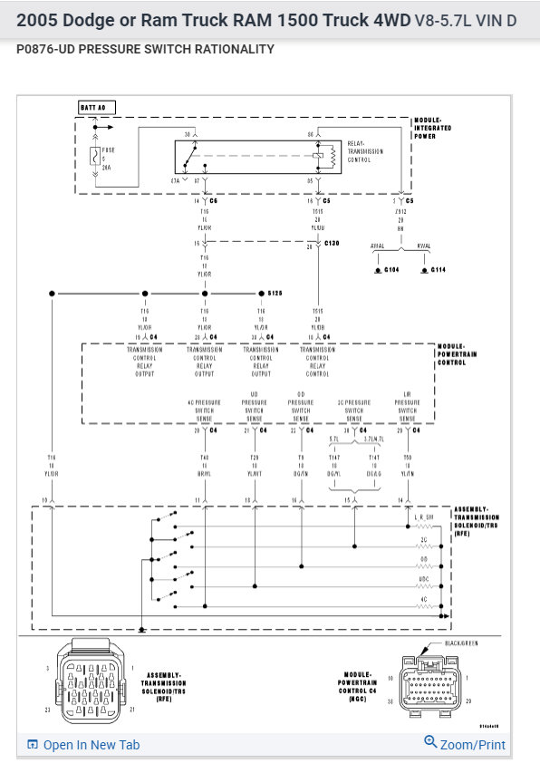
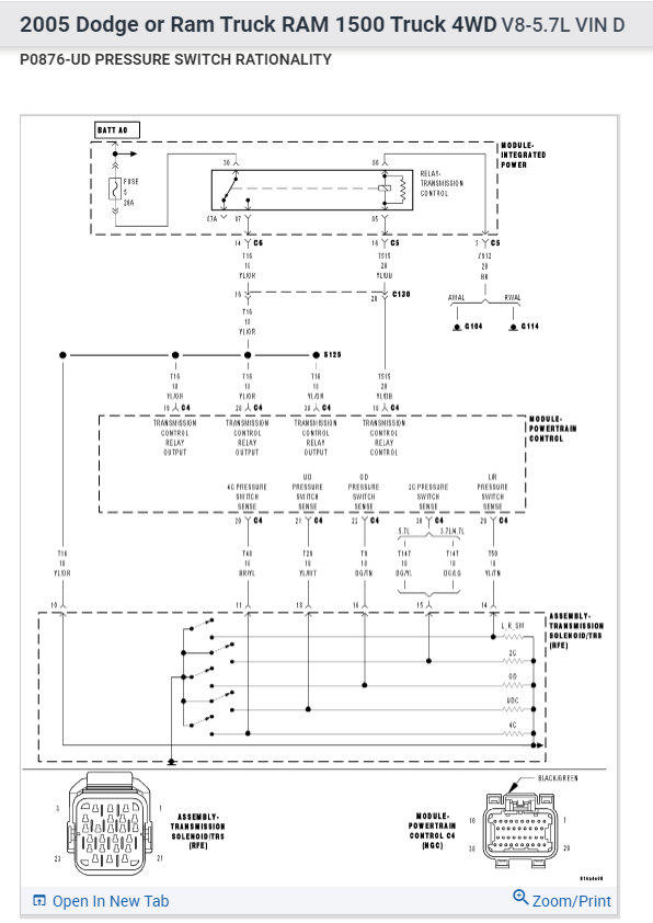
P0876 Pressure switch Rationality

These can get triggered due to a number of reasons.
It could be due to low fluid level, stuck main regulator valve, failed clutch, having low line pressure, faulty wiring for input sensor, cracked seal for the oil sump. It can also happen due to fault in the PCM.

I have attached the trouble shooting steps for these codes below.
Follow those steps as it can help you determine the issue.

Let me know what you find or if you have any questions.
Thank you.

https://www.2carpros.com/articles/automatic-transmission-problems
Was this
answer
helpful?
Yes
No
Friday, June 10th, 2022 AT 9:03 AM

Please login or register to post a reply.