Not starting, just hearing a clicking

Tiny
RACHELLE JENKINS
  • MEMBER
  • 1991 FORD ESCORT
  • 1.9L
  • 4 CYL
  • 2WD
  • AUTOMATIC
  • 300,000 MILES
I'm having the exact issue that lowrider was having. My car won't start and all that I get is a clicking from the passenger side fire wall in a relay there. I was wondering if lowrider was able to resolve the issue and could tell me what the problem was.
Saturday, May 21st, 2022 AT 5:54 PM

1 Reply

Tiny
JACOBANDNICKOLAS
  • MECHANIC
  • 110,194 POSTS
Hi,

I'm not familiar with that post. However, I will try my best to help.

If you are getting a click from the starter relay, there is a chance the starter itself has failed. Was there anything that led to this or did it happen all at once?

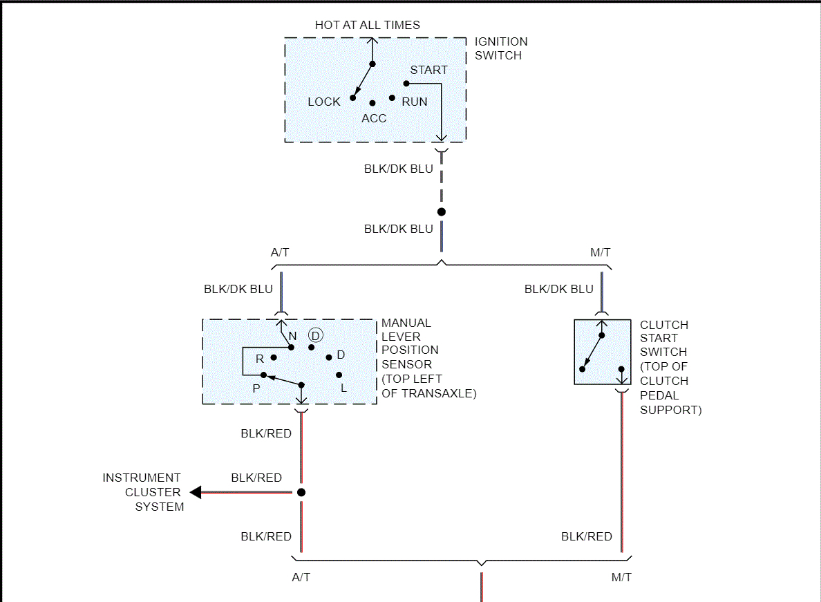
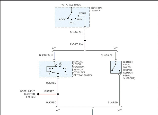
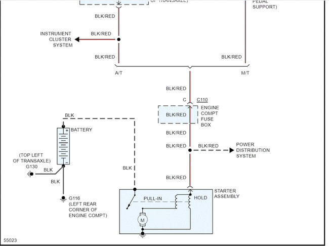
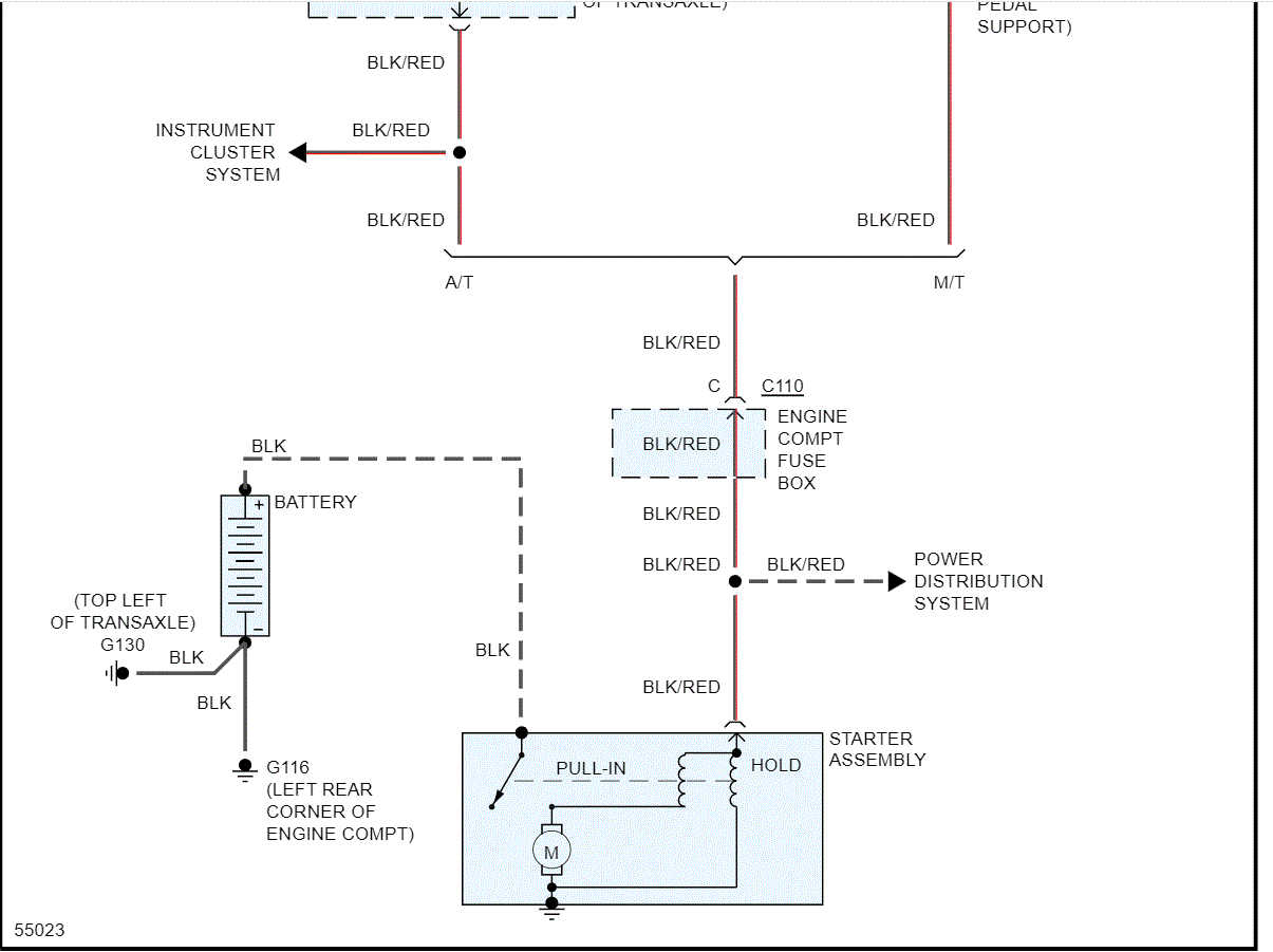
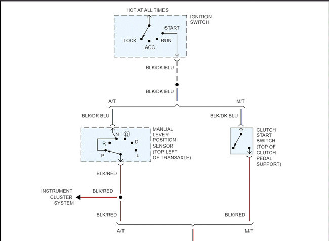
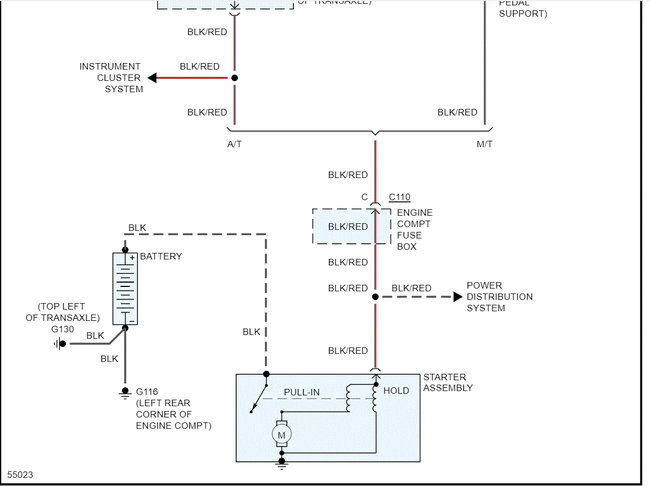
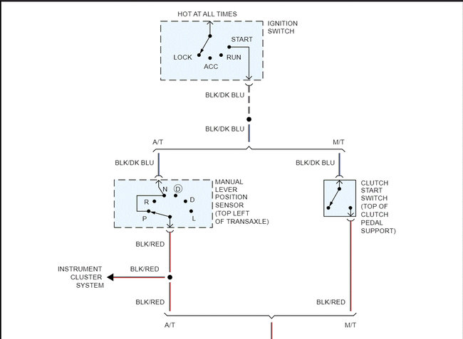
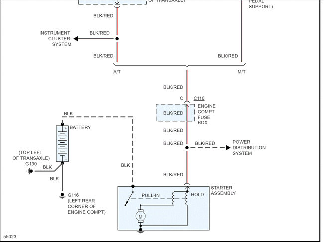
If you look at the pics below, I included the wiring schematic for the starter motor. If the battery is fully charged, I need you to try something.

At the starter motor, there will be a heavy gauge black wire. It should have 12v at all times directly from the battery. In addition, there will be a lighter gauge wire that is black with a red tracer. This wire only receives 12v when the ignition key is in the start position. Have a helper turn the key to start while you check the black/red wire for power.

If it has power and the solid black wire always has power, chances are the starter has failed. Here is a link that explains in detail how to check for a starter issue:

https://www.2carpros.com/articles/starter-not-working-repair

Try this and let me know what you find.

Take care,

Joe

See pics below.
Was this
answer
helpful?
Yes
No
Saturday, May 21st, 2022 AT 11:02 PM

Please login or register to post a reply.