Intermittent not starting

Tiny
GEORGE2020
  • MEMBER
  • 2005 HONDA ACCORD
  • 2.4L
  • 4 CYL
  • 2WD
  • AUTOMATIC
  • 100,000 MILES
Cranks slow then starts some times. Other times it starts normally. I just replaced the battery and still does the same thing. Can the starter be going bad.
Tuesday, October 27th, 2020 AT 4:55 PM

1 Reply

Tiny
KASEKENNY
  • MECHANIC
  • 18,907 POSTS
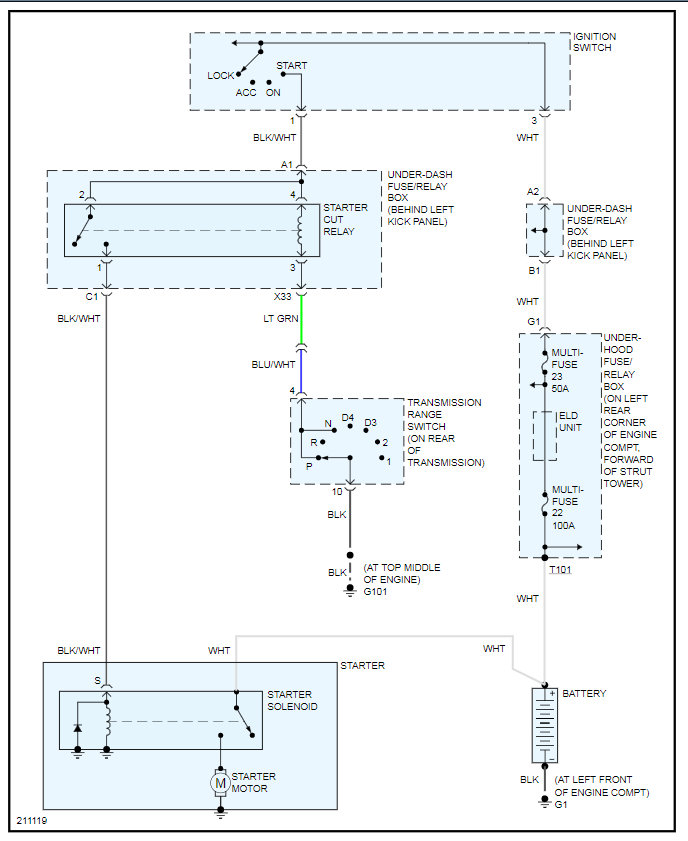
Normally the starter either operates or it doesn't. However, if the voltage is correct at the starter while it is cranking slow then it would be the starter. That means we need to start with operating the vehicle and when it acts up we need to check the voltage at both wires at the starter.

I suspect we will have low voltage at the starter which means we have a wiring issue or battery issue. It is unlikely that you have an intermittent wiring issue so I would think the battery or starter is the issue. With the fact that you just replaced the battery, I would think it is a starter but again, it normally does cause a slow crank. That points to a voltage issue.

https://www.2carpros.com/articles/how-to-use-a-voltmeter

https://www.2carpros.com/articles/starter-not-working-repair

Let's start with this and go from there.
Was this
answer
helpful?
Yes
No
Tuesday, October 27th, 2020 AT 8:41 PM

Please login or register to post a reply.