Friday, April 5th, 2019 AT 6:34 AM
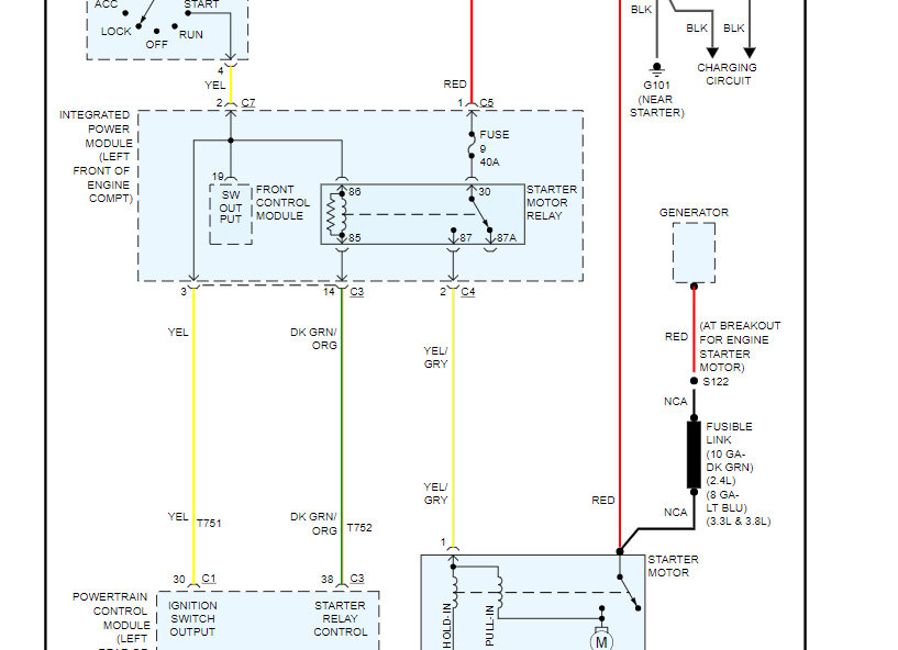
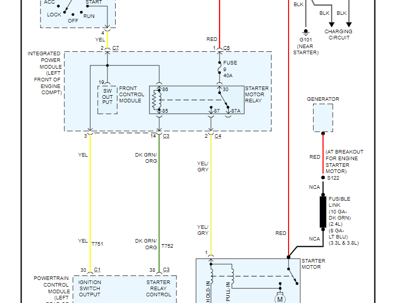
Van won't fire up the engine, all the electrical components are on. But engine intermittently refuses to turn over. I replaced the starter relay and it ran good for a week now it won't start



