Sunday, October 17th, 2010 AT 10:00 AM
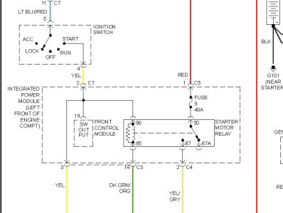
3.3 V6 will not start after sitting sounds like starter solinoid clicking but will not start unless jumped. Have had battery and alternater checked and both check out ok. Acts like something battery? What could be causing it.


