Friday, December 4th, 2015 AT 1:25 PM
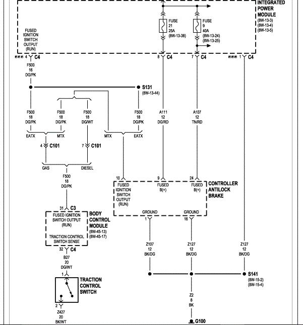
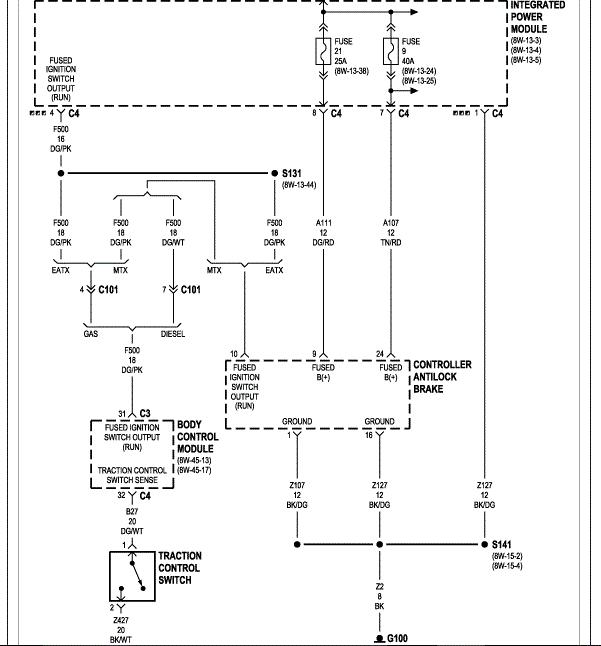
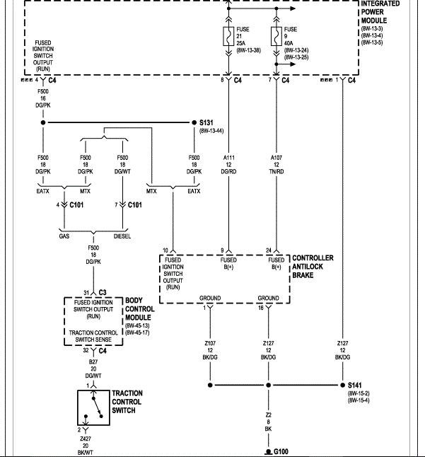
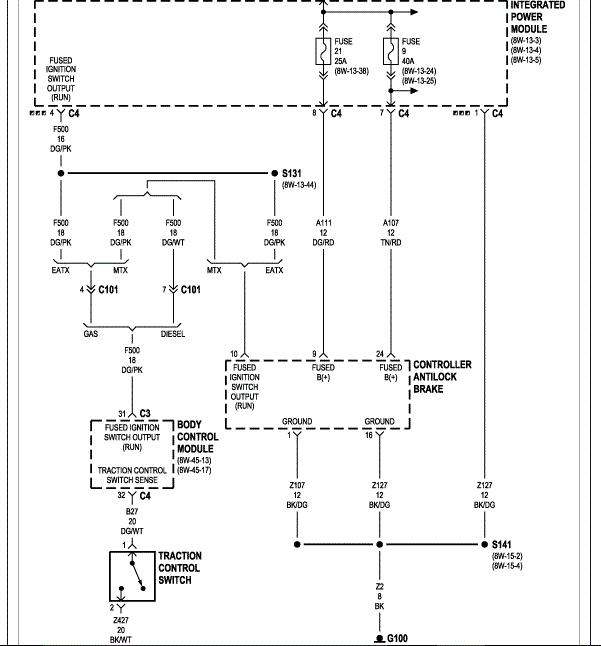
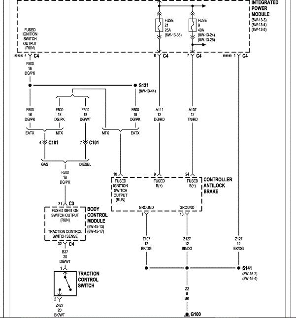
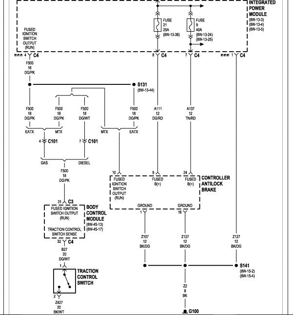
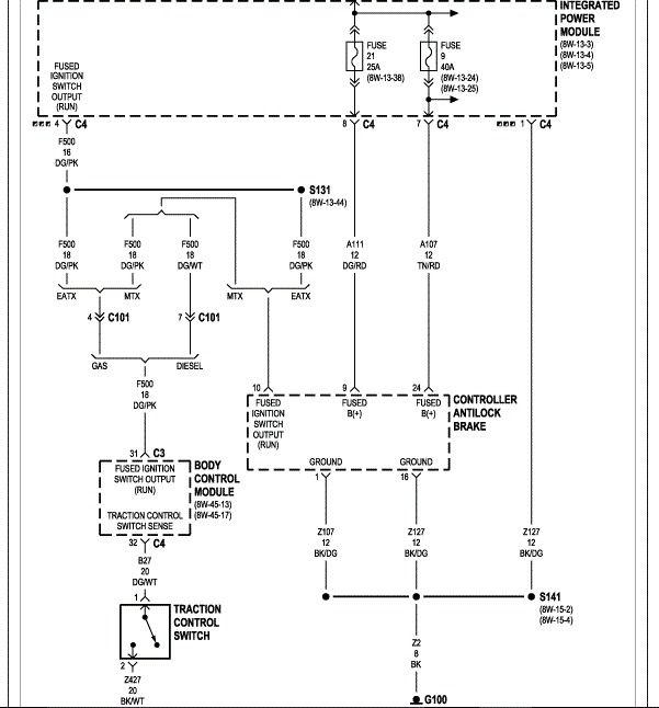
I pulled the abs fuse and put it back, now van won't start. Engine cranks but won't fire. The fuse was not blown I was looking for the fuse for the heater fan I put everything back the way I found it, I pulled out a couple of fuses but I put everything back the way it was.


