A/C not blowing cold air

Tiny
KHALIDDVD
  • MEMBER
  • 2013 TOYOTA COROLLA
  • 1.6L
  • 4 CYL
  • 4WD
  • AUTOMATIC
  • 108,500 MILES
I feel not sufficient cooling from A/C system at hot weather, sometimes no any cooling affect until stop the A/C for some time and run again. I went to car workshop repair to diagnosing, the high pressure read about 220 psi and the low pressure read 58 psi. The technician said the 134a content was 370g. And he evacuated the system and vacuumed (really I saw it only for 5 minutes vacuuming) then recharge with 500g.I felt the cooling become very good and got happy!But after a short drive (may be 5 minutes) same bad things com back again!

I need your advice.
Monday, September 23rd, 2019 AT 5:17 AM

26 Replies

Tiny
KEN L
  • MASTER CERTIFIED MECHANIC
  • 55,350 POSTS
Hello,

When the air conditioner is not working correctly can you lift the hood and feel the larger refrigerant line coming from the firewall to see if it is cold? Also when you turn the system on can you hear the cooling fan running?

Here is a guide to help us:

https://www.2carpros.com/articles/car-air-conditioner-not-working-or-is-weak

Please run down this guide and report back.
Was this
answer
helpful?
Yes
No
Tuesday, September 24th, 2019 AT 11:40 AM
Tiny
MAMOON RASHID
  • MEMBER
  • 1 POST
  • 2013 TOYOTA COROLLA
  • 1.8L
  • FWD
  • AUTOMATIC
  • 36,000 MILES
I have car made in Canada. I had replaced the AC compressor as mechanic told me compressor is not working. Once replaced it was working for two months and then one day coming back from work it suddenly stop cooling. It is blowing the air but not cold.
I visited the mechanic again and he told me same thing that AC compressor not working again. I replaced the compressor and it works for two days and same problem happen it stop making cold air while on the way. My AC compressor has no mechanical clutch. Could you advise me what is the possible problem in my car AC system and how possibly I can fix it? Please
Was this
answer
helpful?
Yes
No
+1
Monday, October 19th, 2020 AT 5:58 PM (Merged)
Tiny
KEN L
  • MASTER CERTIFIED MECHANIC
  • 55,350 POSTS
Hello,

It sounds like you have a leak in the system. Please follow this guide to confirm

https://www.2carpros.com/articles/air-conditioner-leak-detection

Please run this test and get back to us we are interested to see what it is.

Cheers, Ken
Was this
answer
helpful?
Yes
No
Monday, October 19th, 2020 AT 5:58 PM (Merged)
Tiny
ARIF KHAN
  • MEMBER
  • 2 POSTS
  • 2011 TOYOTA COROLLA
  • 4.0L
  • 4 CYL
  • 2WD
  • MANUAL
  • 75,000 MILES
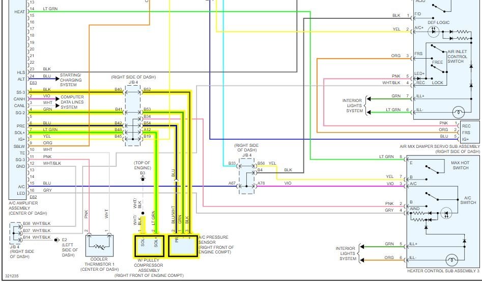
My car's air conditioner compressor turn on and off while driving. Where is the relay of air condition is in the image? It is the image of my car fuse box?
Was this
answer
helpful?
Yes
No
Monday, October 19th, 2020 AT 5:58 PM (Merged)
Tiny
HMAC300
  • MECHANIC
  • 48,601 POSTS
The system you have the compressor is supposed to work like that so it does not freeze the evaporator that is quite normal.
Was this
answer
helpful?
Yes
No
Monday, October 19th, 2020 AT 5:58 PM (Merged)
Tiny
ARIF KHAN
  • MEMBER
  • 2 POSTS
  • 2011 TOYOTA COROLLA
  • 4 CYL
  • 2WD
  • MANUAL
  • 77,000 MILES
Dear Concern,

when I start AC it works find but AC stops working when the car speed increase from 60kmph, it start cooling again when the speed return to 60 or less then 60. Please guide me about this issue. What should I do to resolve this?

Thanks and Regards

Arif Khan
Was this
answer
helpful?
Yes
No
Monday, October 19th, 2020 AT 5:59 PM (Merged)
Tiny
KEN L
  • MASTER CERTIFIED MECHANIC
  • 55,350 POSTS
Hello,

Is sounds like the system is low on charge, here is a guide that will help you see if that is the problem.

https://www.2carpros.com/articles/air-conditioner-how-to-add-freon

Please run this test and get back to us so we can continue helping you.

Best, Ken

Was this
answer
helpful?
Yes
No
Monday, October 19th, 2020 AT 5:59 PM (Merged)
Tiny
EEDRIS03
  • MEMBER
  • 1 POST
  • 2010 TOYOTA COROLLA
  • 1.8L
  • 4 CYL
  • MANUAL
  • 150,000 MILES
Dear Sir,

Please what can be the cause of my car ac not cooling well during hot sun. And what are things I can do to get it cool well in hot weather?

Thank you.
Was this
answer
helpful?
Yes
No
Monday, October 19th, 2020 AT 5:59 PM (Merged)
Tiny
ASEMASTER6371
  • MECHANIC
  • 52,796 POSTS
Good morning,

I need to see the pressure readings on the high and low side of the system to see if the system is working correctly.

https://www.2carpros.com/articles/car-air-conditioner-not-working-or-is-weak

It may be low in Freon but if that is true, it would have to be evacuated and recharged with the exact amount of Freon to work correctly.

https://www.2carpros.com/articles/re-charge-an-air-conditioner-system

Can you give me those readings? If not, you can get a cheap set of gauges at Harbor Freight.

Roy
Was this
answer
helpful?
Yes
No
Monday, October 19th, 2020 AT 5:59 PM (Merged)
Tiny
NACYR
  • MEMBER
  • 4 POSTS
  • 2008 TOYOTA COROLLA
  • 4 CYL
  • 4WD
  • AUTOMATIC
  • 40,000 MILES
Hi, helper

good morning,

my question is, when driving my car AC is working fine but when I am stuck in traffic or stop at signal. Cooling is going down, & than after 5 minutes it not cooling also.
Was this
answer
helpful?
Yes
No
+1
Monday, October 19th, 2020 AT 5:59 PM (Merged)
Tiny
MHPAUTOS
  • MECHANIC
  • 31,937 POSTS
Hi there,

The A/C fan may not be working and the system is shutting down as it gets over heated, when air flow when driving cools the system it may be cutting on again, have the cooling fans check out first, start here.

Mark (mhpautos)
Was this
answer
helpful?
Yes
No
Monday, October 19th, 2020 AT 5:59 PM (Merged)
Tiny
NACYR
  • MEMBER
  • 4 POSTS
Thank you for the reply, but my friend. Fan is working, I have checked, when I start the car fan & AC is working, but when I stop the car for a long time like 10 min or more, the cooling goes down, dont its a compressor is week or something else
Was this
answer
helpful?
Yes
No
Monday, October 19th, 2020 AT 5:59 PM (Merged)
Tiny
MHPAUTOS
  • MECHANIC
  • 31,937 POSTS
I would get the A/C system pressures tested next,

Mark (mhpautos)
Was this
answer
helpful?
Yes
No
Monday, October 19th, 2020 AT 5:59 PM (Merged)
Tiny
NACYR
  • MEMBER
  • 4 POSTS
  • 2008 TOYOTA COROLLA
  • 4 CYL
  • 2WD
  • AUTOMATIC
  • 40,000 MILES
Hi,

My car's AC only works when is running, if I stuck in traffic or stop at signal, cooling goes down & after 4-5minutes its not cooling also, can anybody tell, where & what is the problem? Thanx
Was this
answer
helpful?
Yes
No
Monday, October 19th, 2020 AT 5:59 PM (Merged)
Tiny
MMPRINCE4000
  • MECHANIC
  • 8,548 POSTS
Make sure the cooling fan is working.
Was this
answer
helpful?
Yes
No
Monday, October 19th, 2020 AT 5:59 PM (Merged)
Tiny
NACYR
  • MEMBER
  • 4 POSTS
Cooling fan is working, but when I stop the car for a long time or put gear in nutual, cooling gone down, air will come but it wont be cold
Was this
answer
helpful?
Yes
No
Monday, October 19th, 2020 AT 5:59 PM (Merged)
Tiny
MMPRINCE4000
  • MECHANIC
  • 8,548 POSTS
When cooling diminishes, stop and pull over, check to see if cooling fan is moving air (it may only be half speed).

Cooling fan should come on when AC is commanded.
If not, AC will not cool.
Was this
answer
helpful?
Yes
No
Monday, October 19th, 2020 AT 6:00 PM (Merged)
Tiny
BOBF1000
  • MEMBER
  • 2 POSTS
  • 2007 TOYOTA COROLLA
2007 Toyota Corolla 4 cyl Two Wheel Drive Automatic 51000. Miles

Why would the A/C pressure be between 140-145 psi? Also the A/C is not working. But the comp. Is turning.
Was this
answer
helpful?
Yes
No
Monday, October 19th, 2020 AT 6:00 PM (Merged)
Tiny
KHLOW2008
  • MECHANIC
  • 41,814 POSTS
Hi bobf1000,

The reading is taken from low or high side?
What do you mean by AC is not working? Blower not working?
Was this
answer
helpful?
Yes
No
Monday, October 19th, 2020 AT 6:00 PM (Merged)
Tiny
BOBF1000
  • MEMBER
  • 2 POSTS
I have a standard A/C psi guage and it fits on the smaller fitting I think its low side and the fan works but I think it's compressor related. Thanks Bob
Was this
answer
helpful?
Yes
No
Monday, October 19th, 2020 AT 6:00 PM (Merged)

Please login or register to post a reply.