Turn signals, brake lights and hazard stopped working

Tiny
FRED ROGERS
  • MEMBER
  • 1995 FORD TAURUS
  • 3.8L
  • 6 CYL
  • 2WD
  • AUTOMATIC
  • 69,000 MILES
Fuses are all good, and blinker box is good. Any help will be greatly appreciated.
Monday, August 30th, 2021 AT 5:11 PM

6 Replies

Tiny
JACOBANDNICKOLAS
  • MECHANIC
  • 110,194 POSTS
Hi,

My primary concern is fuse 1 in the cabin fuse box. If you already checked that fuse, I need you to also check for power to it. The fuse could be good, but not getting power.

Here is a link you may find helpful:

https://www.2carpros.com/articles/how-to-check-a-car-fuse

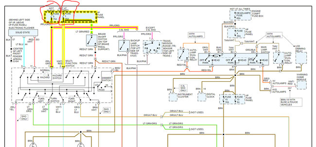
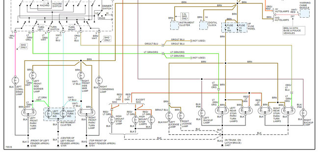
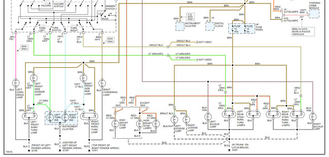
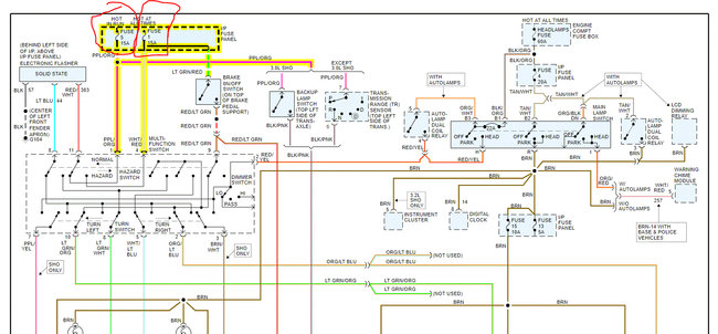
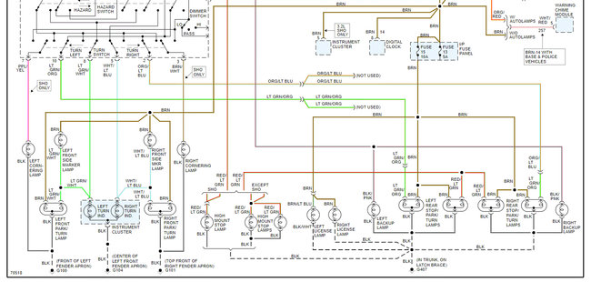
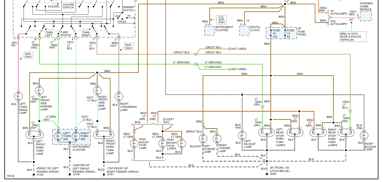
I attached the wiring schematic below for the circuit. I had to cut the pic in half to make it readable for you. I highlighted the areas of concern.

Pic 3 shows the fuses to check. Make sure there is power to and from there. If there is, then we need to check the wiring to the multi-function switch and brake light switch.

Let me know.

Joe

See pics below.
Was this
answer
helpful?
Yes
No
Tuesday, August 31st, 2021 AT 7:37 PM
Tiny
FRED ROGERS
  • MEMBER
  • 4 POSTS
Sorry for the late reply. I will check the voltage this weekend, and let you know.
Was this
answer
helpful?
Yes
No
Thursday, September 2nd, 2021 AT 8:57 PM
Tiny
FRED ROGERS
  • MEMBER
  • 4 POSTS
There is voltage on 1.
Was this
answer
helpful?
Yes
No
Friday, September 3rd, 2021 AT 3:07 PM
Tiny
JACOBANDNICKOLAS
  • MECHANIC
  • 110,194 POSTS
Hi,

By chance, did you also check fuse 5? It should have power with the key in the run position.

Let me know.

Joe
Was this
answer
helpful?
Yes
No
Friday, September 3rd, 2021 AT 9:06 PM
Tiny
FRED ROGERS
  • MEMBER
  • 4 POSTS
Yes, sorry, I did check #5, and it has voltage too. Thanks for reminding me.
Was this
answer
helpful?
Yes
No
Friday, September 3rd, 2021 AT 9:27 PM
Tiny
JACOBANDNICKOLAS
  • MECHANIC
  • 110,194 POSTS
Hi,

If the fuses are good and have power to and from, then we need to check for power at the brake light switch and multi-function switch. At the switches, locate the purple with an orange tracer and the white with a red tracer wires, and check for power.

If you refer to the schematic above, you'll see which ones I'm referring to.

Here is a link you may find helpful:

https://www.2carpros.com/articles/how-to-check-wiring

Take care and let me know what you find. Note, we are tracing the wiring at this point to see where power is lost.

Joe
Was this
answer
helpful?
Yes
No
Friday, September 3rd, 2021 AT 10:13 PM

Please login or register to post a reply.