Turn signals not working?

Tiny
GEORGE V
  • MEMBER
  • 1995 JEEP CHEROKEE
  • 4.0L
  • V6
  • 4WD
  • MANUAL
  • 238,879 MILES
Brake lights and rear taillights work. Has anyone solved this problem with this vehicle?
Friday, December 2nd, 2022 AT 8:07 AM

1 Reply

Tiny
AL514
  • MECHANIC
  • 5,596 POSTS
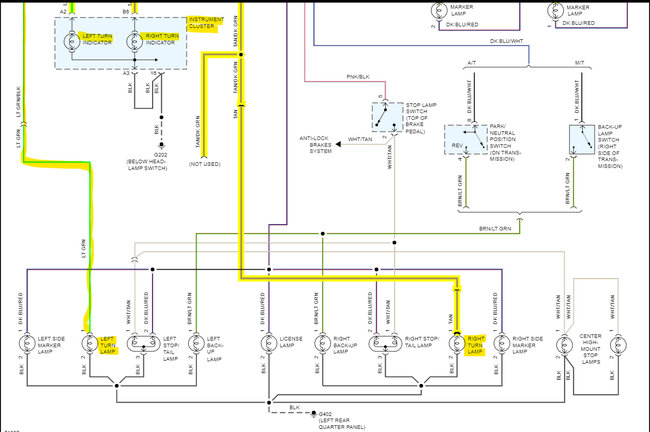
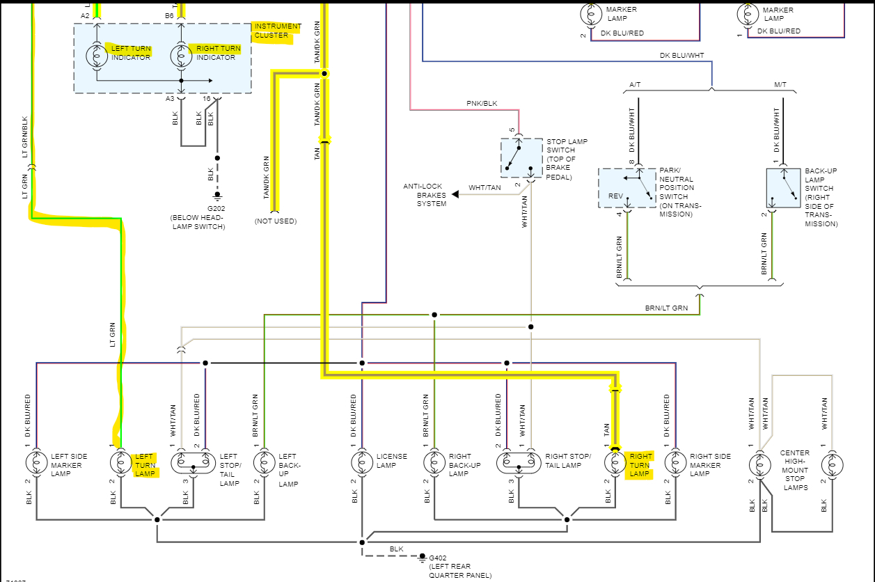
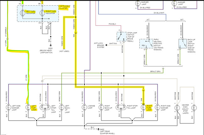
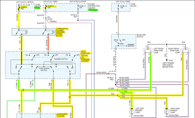
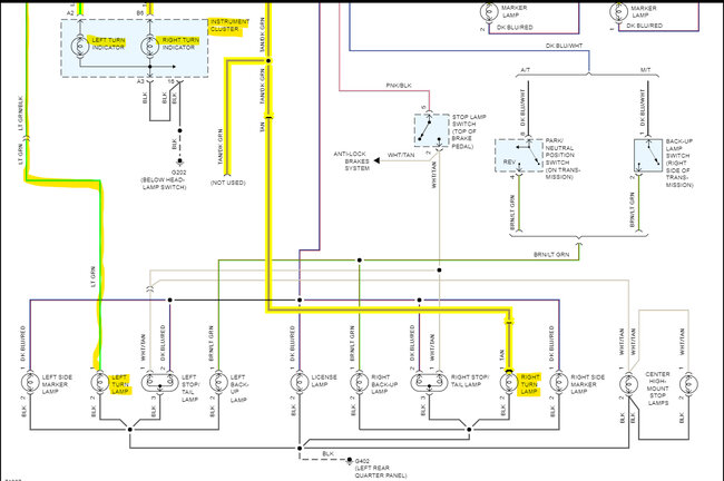
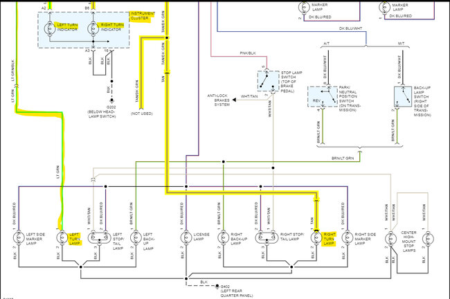
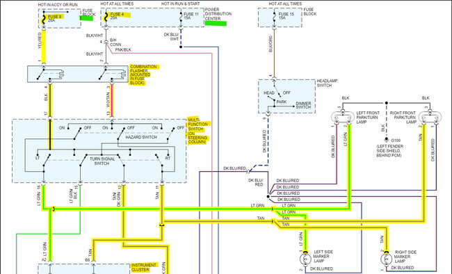
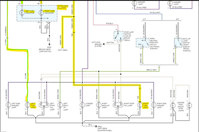
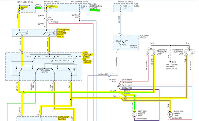
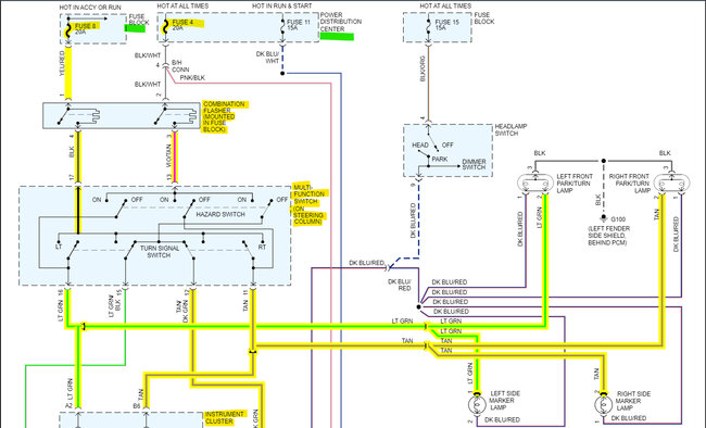
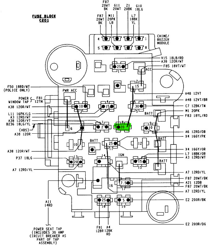
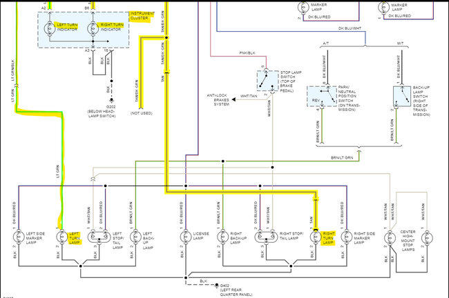
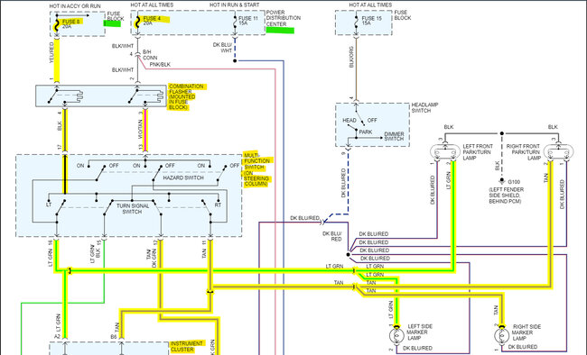
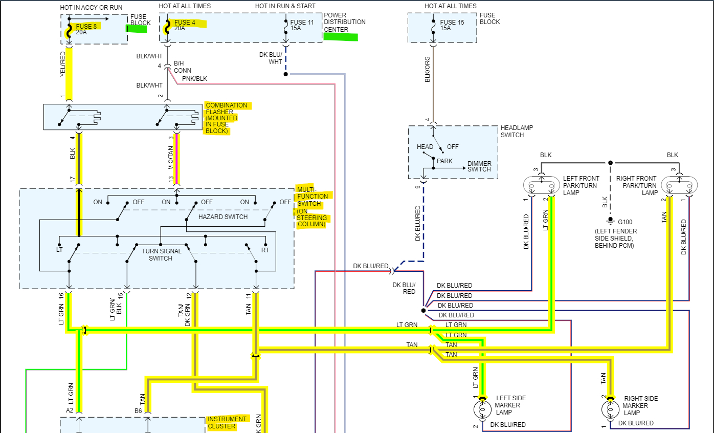
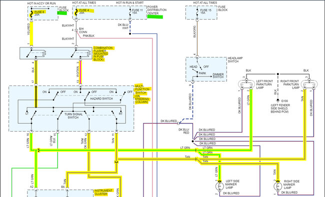
Hello, do your turn signal indicators work on the Instrument Cluster? If they work in the Instrument Cluster but not at the bulbs, then there is an issue with the turn signal bulb circuit itself, if they do not work on the Instrument Cluster then it can be the turn signal switch (multifunction switch) or the Combination Flasher which is mounted in the fuse block. Ill post the wiring diagrams to show what can be happening.
Also do the Hazards work?

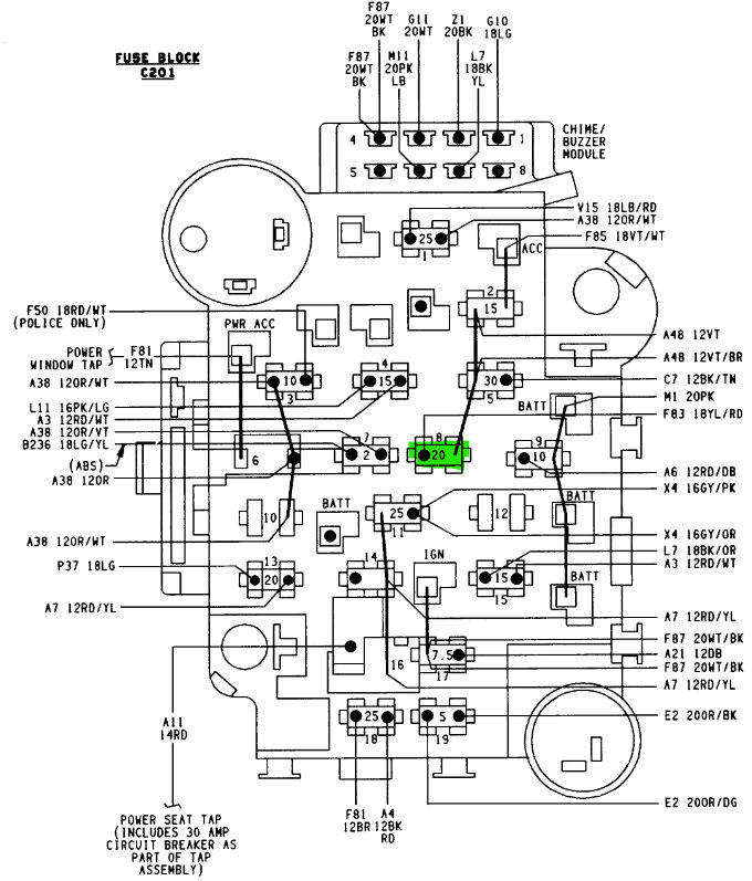
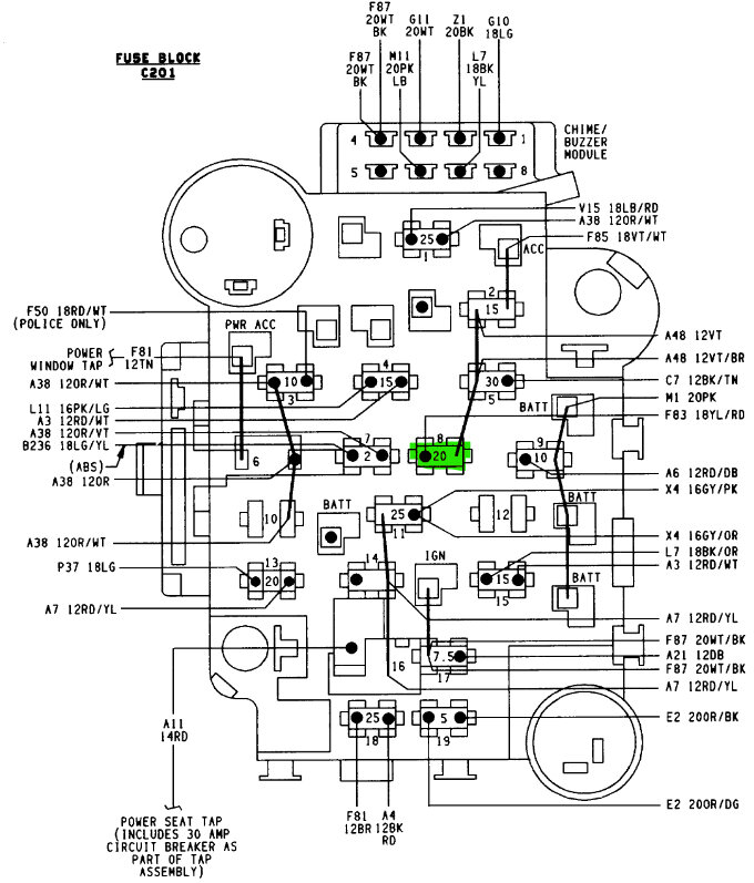
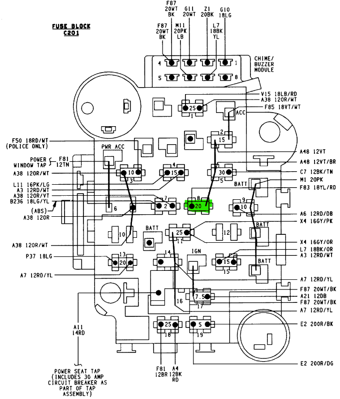
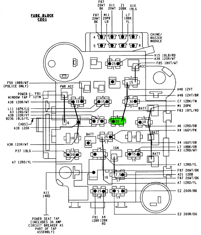
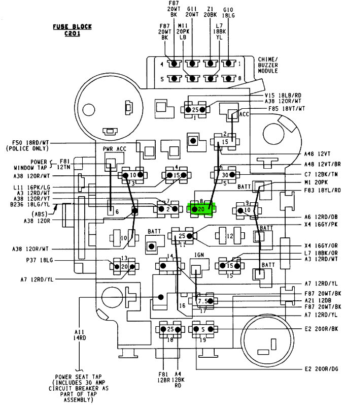
You can see in the diagrams, if the Turn indicators work on the Instrument Cluster then the problem is further down the circuit, but if it doesnt, it can be the Turn Signal switch, or the Combination Flasher. The 3rd diagram shows the fuses that feed those circuits, Fuse 4 feeds the Brake lights as well, so that fuse must be ok, it also feeds the Hazards. Fuse 8 feeds the Turn Signals through the Flasher, to the Switch, then out to the Turn Signal bulbs. I will try to find a diagram showing where the flasher unit is located.

https://www.2carpros.com/articles/turn-signals-not-working-blinker
Was this
answer
helpful?
Yes
No
Friday, December 2nd, 2022 AT 9:37 AM

Please login or register to post a reply.