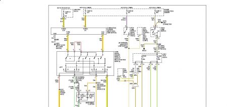
1997 Jeep Cherokee 6 cyl Four Wheel Drive Automatic
I replaced a 10 amp fuse in the fuse panel on the passenger side. I did nothing. Is there another fuse related to the turn signals under the steering wheel? Which is it? How do I know if my relay is the problem?
Tuesday, January 26th, 2010 AT 12:27 AM



