Taillights not working

Tiny
DODGETRUCKS02
  • MEMBER
  • 2002 DODGE RAM
  • 4.7L
  • V8
  • 4WD
  • 250,000 MILES
Wondering if drericg ever got his fixed, how he solved it because I have the same issue.
Thursday, October 22nd, 2020 AT 7:25 AM

3 Replies

Tiny
STEVE W.
  • MECHANIC
  • 15,694 POSTS
It looks like they never returned to say if it was repaired or what was done. You have the same issue where you have no driving or marker lights and no plate lamps but all the rest work including the brake and back-up lights? They get power from the park lamp relay through the fuses and from there to the front and rear parking lamps. If the front parking lights both work the relay and both fuses are okay
When you step on the brakes or turn on the hazard lights do the plate or front marker lights glow even a tiny amount? A quick way to test if the rear light ground is an issue would be to pull one of the tail or plate lamps out, the Black wire is the ground for all of them. If you take a jumper wire from the black wire to a known good ground and the lights work, the ground is bad.
Was this
answer
helpful?
Yes
No
Monday, March 1st, 2021 AT 12:31 PM
Tiny
DODGETRUCKS02
  • MEMBER
  • 5 POSTS
We have temp fix by putting a wire into the relay circuit in fuse box, put relay back in, put alligator clip on other end clip that to bolt on truck. But lights stay on then so I have to unclip it when I stop driving. But my question remains, is there a ground wire that could be broken causing that relay to not work? It does click when you wire it like this.
Is there a ground wire in the harness under the fuse box that could be my problem, if so which wire, what color is it? Thanks a lot for your advice. I cant afford a shop to fix it.
Was this
answer
helpful?
Yes
No
Monday, March 1st, 2021 AT 12:31 PM
Tiny
STEVE W.
  • MECHANIC
  • 15,694 POSTS
Okay, if jumping the relay on makes them work then the issue is either in the forward control module (Body Control Module to everyone but Chrysler) or the integrated power module (fuse box) Those ate connected using the internal traces in the fuse box and the connector to the FCM that is bolted to the box using pin 15. No external wiring. Testing which is the issue would be to remove the FCM from the side of the fuse box and then simply grounding pin 15, if the relay triggers the FCM is the problem, if it doesn't then the traces or connector for the relay is the issue.
Unfortunately they use that FCM to control most of the lighting so simply adding a relay that the headlight switch would turn on or off isn't very easy as they don't use a simple power switch but a computer signal from the switch to the FCM.

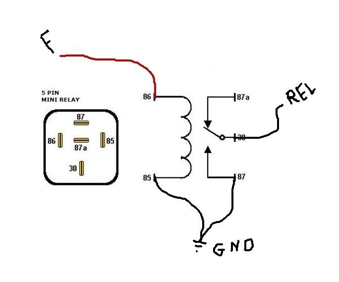
If you don't mind a bit of a fudge you could connect in a relay that would turn on and off with the key as a replacement for the jumper wire. That would take a common relay and some wire connected to a spot in the fuse box that is hot in run, it would also act like DRLs as the parking lights would all be on while the engine was running and only go off when you shut the key off. The third image shows that relay. A common 4 or 5 pin will work, there should be a couple that are spares in that box already if you don't have the OEM towing package. Fuse 37 is marked as a spare fuse that is hot in run. It would connect to the relay on the 86 terminal. The two grounds on terminals 85 and 87 would go to a good ground, I've used the same screw or bolt I mount the relay with and a ring terminal for that, as long as it's a good ground. The lead marked rel on terminal 30 would then replace the wire you are currently using on the relay in the box. In operation the lights would come on when the switch was in the run position. They should be off in Off, Acc and start.

To verify that fuse 37 is actually wired the way the diagram shows I would use a test light to make sure it has power with the key on but none in off. The 4 and 5 pin relays are wired the same way, you would just ignore terminal 87A.

This is similar to the way FCA has people wire in relays for the horn, fuel pump and a few other items instead of replacing the entire electrical box and harness.
Was this
answer
helpful?
Yes
No
Monday, March 1st, 2021 AT 12:31 PM

Please login or register to post a reply.