Thursday, October 7th, 2021 AT 3:20 AM
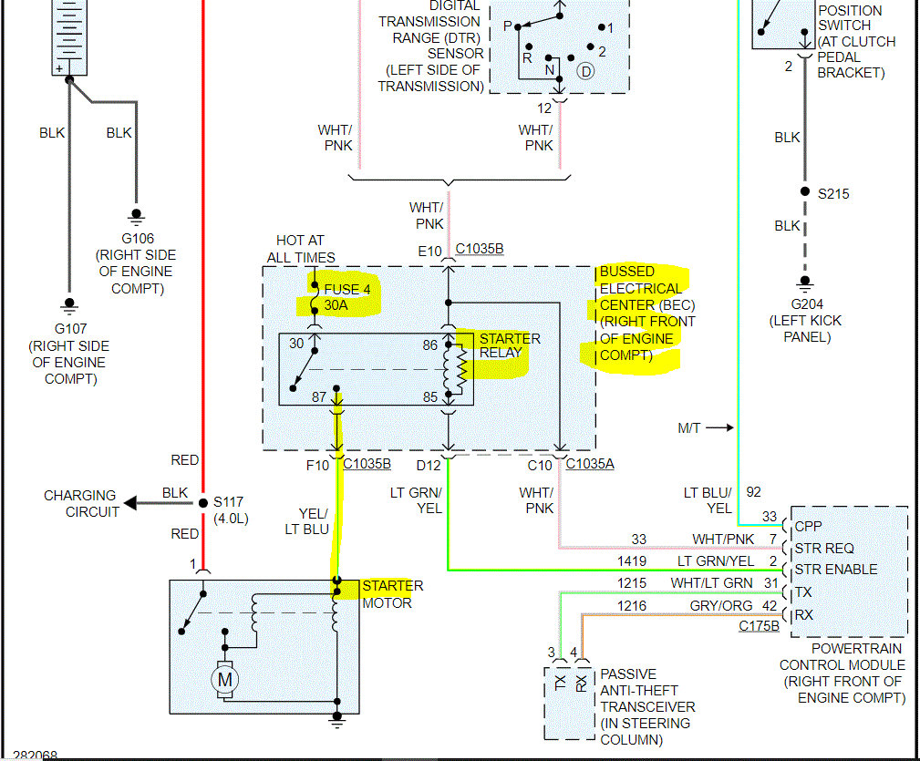
I've got the car listed above GT, 5 speed. It won't crank or turn over starters good everything works windows, radio, etcetera. Just will not start or crank. Swap the relays already nothing, swapped the diodes nothing. Tried turning the steering wheel and up and down and everything nothing even unhook the radio because I heard the radio could be my problem nothing. Bypass the neutral safety switch nothing. Alternators good, fuses are good, and relays are good. Just will not start or crank. When I turn it on the little orange wrench tire pressure check engine light and battery light are all on. When I try to turn the key to the start position the traction control light comes on and the tire pressure light flashes no theft light flashes nothing like that. But it still won't crank. The car has a chip and a tune but unfortunately, I no longer had that sct4 scanner the OBD2 is not working. Previously before this I was driving home, and the throttle stuck made it home turned it off got out unplugged throttle position sensor. I'm glad you back up and the car is not starting back up. It has been 2 months now I've lost my job and everything because of this. Please, please, please, somebody help me and inform me of something I have not tried yet. But the OBD2 is throwing codes that it can't find nothing tells me make sure the keys on. So I'm guessing it's not connecting to the ECM somebody please help. I've even tried tapping on the starter. Thanks in advance a million.








