Monday, December 15th, 2025 AT 2:33 PM
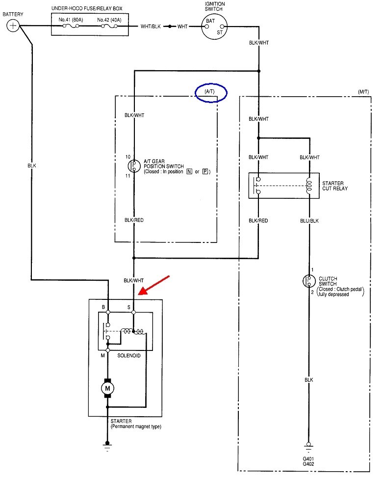
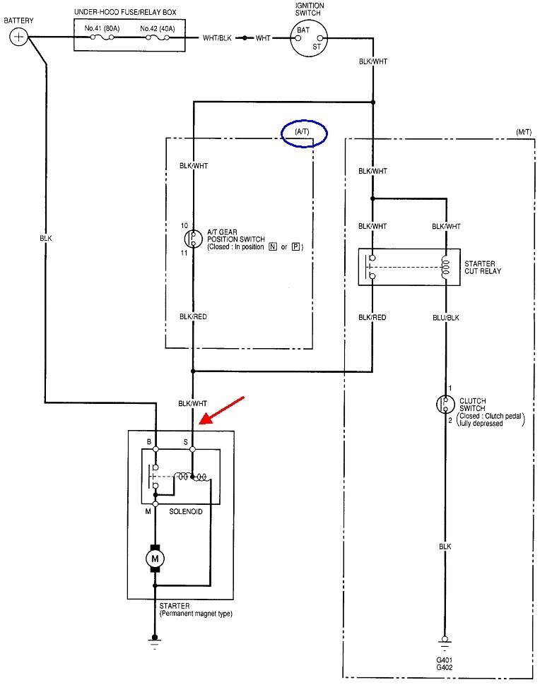
I had recently replaced the main relay under the glove box because it was malfunctioning causing a no start and now it won’t crank or turn over at all it does nothing when key is turned and all lights on dash come on as they are supposed to, is there a main relay for the starter because like I said it was turning over now it’s doing nothing and before when I would disconnect the relay under glove box It would then turn over but not fire up, please help me diagnose











