Engine cranks but does not start

Tiny
SIERRASTEVE96
  • MEMBER
  • 1996 GMC SIERRA
  • 5.7L
  • V8
  • 4WD
  • AUTOMATIC
  • 120,000 MILES
Running good then suddenly stopped running. Replaced fuel pump due to low pressure, ran for about a day and now no start. It has spark to all cylinders, fuel pressure is around 55 PSI and it cranks but no start.

What can I check next?
Friday, November 12th, 2021 AT 11:21 AM

5 Replies

Tiny
JACOBANDNICKOLAS
  • MECHANIC
  • 110,192 POSTS
Hi,

If you use starting fluid, will it start for a few seconds and then stall? If so, let's focus on fuel. You indicated good fuel pressure, so the next step would be the injectors. If you take a look through this link, it explains how to test them. Also, each injector will have a pink wire to it and then a different color. The pink wire should have voltage when the key is on at all times, so that's an easy check. Make sure you have a good ground when testing the pink wires. Under normal conditions, the PCM provides a ground path to complete the circuit.

https://www.2carpros.com/articles/how-to-test-a-fuel-injector

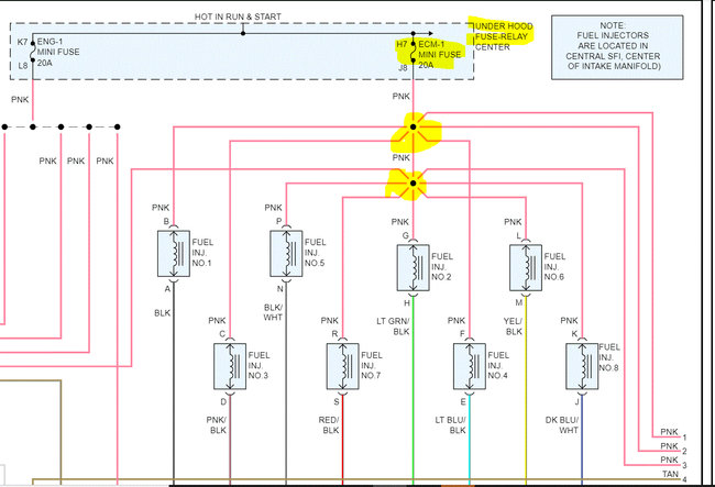
Also, before checking the injectors, check the ECM 1 fuse in the under-hood fuse box. In addition to checking the fuse, confirm there is power both to it and from it.

Here is a link you may find helpful:

https://www.2carpros.com/articles/how-to-check-a-car-fuse

Let me know what you find or if you have questions.

Joe

See pics below. Pic 2 should indicate the ECM 1 fuse. Confirm that for me.
Was this
answer
helpful?
Yes
No
Friday, November 12th, 2021 AT 4:31 PM
Tiny
SIERRASTEVE96
  • MEMBER
  • 3 POSTS
The injectors show 12.1-12.3 volts. If I use starting fluid, it will almost start but not run

Just double checked the spark plugs and each of them are firing too

The shop I took it to recently isn't answering my calls either, it passed smog after I had replaced the EGR valve and now it's doing this. It cranks fast, has spark to all plugs, fuel pressure is at 55 psi and injectors are showing 12.1-12.3 volts.

Any other suggestions for possible fix?

I've read somewhere bout the ICM as a possibility, but I don't it's that because of spark.
Was this
answer
helpful?
Yes
No
Friday, November 12th, 2021 AT 5:05 PM
Tiny
JACOBANDNICKOLAS
  • MECHANIC
  • 110,192 POSTS
Okay, if we have power to the injectors, we need to see if the PCM is providing a ground path. Take a test light, connect the tester lead to the battery positive, disconnect one of the injectors, probe the ground path wire (Other than Pink) and have a helper crank the engine the test light should pulse.

I copied that section from the link I sent and attached it below for easier reference. Also, if you can, record it cranking and upload it so I can hear the engine turning.

Let me know what you find.

Joe

See pics below.
Was this
answer
helpful?
Yes
No
Friday, November 12th, 2021 AT 6:36 PM
Tiny
SIERRASTEVE96
  • MEMBER
  • 3 POSTS
Thank you for your time. I'm going to take it back to the shop that replaced the EGR and Smoged it. Once the shop tells me what it is, I'll let you know.

I'm very appreciative of your help and advice, thank you again.
Was this
answer
helpful?
Yes
No
Saturday, November 13th, 2021 AT 9:51 AM
Tiny
JACOBANDNICKOLAS
  • MECHANIC
  • 110,192 POSTS
Hi,

You are very welcome. I feel bad we didn't get it going. However, I am really interested in knowing what is found. If it didn't have spark, that usually points to a crankshaft position sensor issue. Since we have power to the injectors, the fuel pressure is good, and it nearly starts with starting fluid, I have a feeling the PCM isn't providing a ground path to actuate the injectors. I hope I'm wrong. LOL

Regardless, let me know what you find. Also, please feel free to come back anytime in the future.

Take care,

Joe
Was this
answer
helpful?
Yes
No
Saturday, November 13th, 2021 AT 8:35 PM

Please login or register to post a reply.