Tuesday, September 13th, 2022 AT 8:15 PM
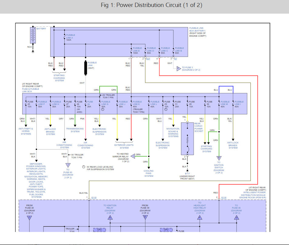
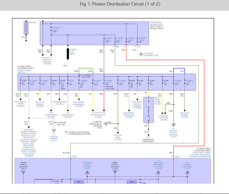
Will not crank will not start there is no power with battery fully charged. Nothing has no communication with ignition or engine.



